Запчасти Case 1845C (04-10) - ALARM, BACKUP (NORTH AMERICA) (04) - ELECTRICAL SYSTEMS

Схема запчастей Case 1845C - (04-10) - ALARM, BACKUP (NORTH AMERICA) (04) - ELECTRICAL SYSTEMS
2
10
14
2
1
15
8
4
12
7
11
9
13
9
10
6
3
5
16
FIT
1:1
100%

Артикул

Название

Примечание

Количество

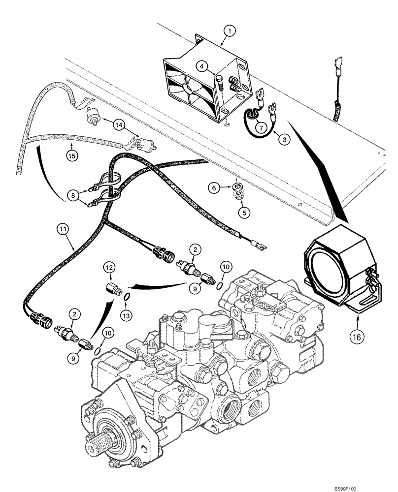
1

D121972

ALARM

Backup; No Longer Used; Order 325258A1, Ref 16

1шт.

2

D137240

SWITCH

Pressure; Backup Alarm; Used with D137431, Ref 11; No Longer Available, Order (2) 333268A1, Ref 14; (1) H436121, Ref 15

2шт.

3

H436672

ELECTRICAL WIRE

WIRE 540 mm; Replaces D137134

1шт.

4

413-512

BOLT,Hex, 5/16" - 18 x 3/4", Gr 5

2шт.

5

231-5145

SERRATED NUT,Flg, USR, 5/16"-18

2шт.

6

495-11034

WASHER,5/16", SAE

(11/32 x 11/16 x 1/16")

2шт.

7

A42502

GROMMET

1шт.

8

L18337

CABLE TIE,9.95"-12.1" lg

CABLE STRAP 15 in

1шт.

9

218-5098

FITTING

7/16 Or x 1/8; Incl. 10

2шт.

10

237-6004

O-RING,0.072" Thk x 0.351" ID, -904, Cl 6, 90 Duro

1шт.

11

D137431

HARNESS

Backup Alarm; No Longer Available, Order (2) 333268A1, Ref 14; (1) H436121, Ref 15

1шт.

12

D137424

FITTING

9/16 NF Or x 1/8; Incl. 13; If used

2шт.

13

237-6006

O-RING,0.078" Thk x 0.468" ID, -906, Cl 6, 90 Duro

1шт.

14

333268A1

SWITCH, PRESSURE

PRESSURE SWITCH Replaces H436246, 135960A1

2шт.

15

H436121

HARNESS

Backup Alarm

1шт.

16

325258A1

ALARM

Backup Alarm; Incl. 324299A1, Instructions

1шт.

Выбрано товаров: 0