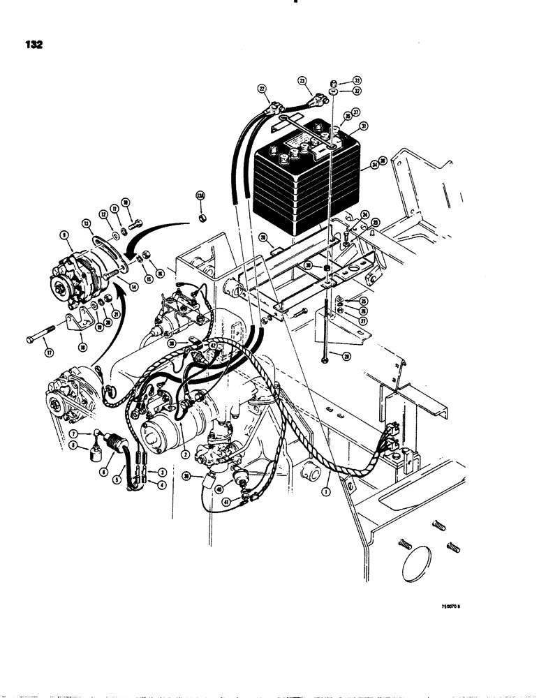
Запчасти Case 1845S (132) - ELECTRICAL SYSTEM, REAR HARNESS, BATTERY AND PRESTOLITE ALTERNATOR (55) - ELECTRICAL SYSTEMS

Схема запчастей Case 1845S - (132) - ELECTRICAL SYSTEM, REAR HARNESS, BATTERY AND PRESTOLITE ALTERNATOR (55) - ELECTRICAL SYSTEMS
8
17
28
6
13a
22
29
34
37
35
39
11
41
12
18
7
33
27
13
32
21
10
23
40
2
5
20
14
36
30
42
25
3
31
1
19
16
9
25
4
38
26
24
15
FIT
1:1
100%

Артикул

Название

Примечание

Количество

1

D64661

HARNESS

rear, diesel models

1шт.

1

D64660

HARNESS

rear, gasoline models

1шт.

2

D43390

CABLE

ground

1шт.

3

L11778

CONNECTOR, ELEC

TERMINAL bullet, male

2шт.

4

L78495

SLEEVE,0.19" ID x 1.5" L

SHRINK TUBING

2шт.

5

D71189

TUBE,0.125" ID x 5.5" L

SHRINK TUBING

1шт.

6

D64386

FITTING

fuel level

1шт.

7

221-411

ELBOW,90 Degree, 1/8"-27, NPT

Street 90º, 1/8"-27, NPT

1шт.

8

D64390

SWITCH

fuel level, for service order D94137 kit

1шт.

9

REF

INSTRUCTION

ALTERNATOR Prestolite, parts list Figure 116

1шт.

10

113-102

BOLT,Hex, 5/16" - 18 x 3/4", Gr 5

Hex, 5/16"-18 x 3/4", G5, Full Thd

1шт.

11

195-71

WASHER lock, plated, 5/16

1шт.

12

195-105

WASHER,7/16"

flat, plated, 5/16"

1шт.

13

A139258

STRAP

adjusting, diesel models

1шт.

13

A59167

STRAP

adjusting, gasoline models, not shown

1шт.

13a

G11271

SPACER

strap, diesel models

1шт.

14

13-620

BOLT,Hex, 3/8" - 16 x 1-1/4", Gr 5, Full Thd

1шт.

15

92-6

LOCK WASHER,3/8"

1шт.

16

25-106

NUT,3/8"-16, G5

hex, 3/8" - 16 NC

1шт.

17

113-241

BOLT,Hex, 3/8" - 16 x 3", Gr 5

1шт.

18

REF

INSTRUCTION

BRACKET mounting, see engine timing chain cover

1шт.

19

195-525

WASHER,3/8", SAE

flat, plated, 3/8"

1шт.

20

192-21

LOCK WASHER,3/8"

WASHER, LOCK, 3/8"

1шт.

21

129-103

NUT,Hex, 3/8" - 16, Gr 5

NUT, 3/8"-16, G5

1шт.

22

D64166

CABLE

BATTERY CABLE negative

1шт.

23

D69127

CABLE

BATTERY CABLE positive

1шт.

24

13-616

BOLT,Hex, 3/8" - 16 x 1", Gr 5, Full Thd

4шт.

25

195-25

WASHER,3/8"

flat, 3/8"

8шт.

26

92-6

LOCK WASHER,3/8"

4шт.

27

25-106

NUT,3/8"-16, G5

hex, 3/8" - 16 NC

4шт.

28

D64715

SUPPORT

battery

1шт.

29

115-109

BOLT

hex head, plated, 5/16" 0 18 NC x 8-1/2"

2шт.

30

G46096

RETAINER

bolt

2шт.

31

D55559

HOOK

HOLDDOWN battery

1шт.

32

195-21

WASHER,5/16"

- flat, 5/16"

2шт.

33

131-4

LOCK NUT,5/16"-18, GB

NUT hex, self lock, 5/16" - 18 NC

2шт.

34

A38411

DRY BATTERY

12 volt, diesel models, service replacement, must be used with A60553 nonspill caps

1шт.

When replacing T40362 or A38411 battery, retain nonspill caps for service of new battery or order (6) A60553 caps.

1шт.

35

A60553

CAP

battery, nonspill

6шт.

36

T40362

BATTERY

12 volt, gasoline models, service replaceent, must be used with A60553 nonspill caps

1шт.

When replacing T40362 or A38411 battery, retain nonspill caps for service of new battery or order (6) A60553 caps.

1шт.

37

A60553

CAP

nonspill

6шт.

38

NLS

NO LONGER SERVICED

harness

1шт.

39

REF

INSTRUCTION

SOLENOID anti-dieseling, gasoline models only, parts list Figure 28

1шт.

40

REF

INSTRUCTION

SENDING UNIT engine oil pressure, see Figure 42 and 76

1шт.

41

183-1000

NUT hex, lock, No. 10 - 32 NF

1шт.

42

REF

INSTRUCTION

SENDING UNIT water temperature, see Figure 36 and 64

1шт.

Выбрано товаров: 47