Запчасти Case 1845S (134) - ELECTRICAL SYSTEM, REAR HARNESS, BATTERY AND DELCO REMY ALTERNATOR (55) - ELECTRICAL SYSTEMS

Схема запчастей Case 1845S - (134) - ELECTRICAL SYSTEM, REAR HARNESS, BATTERY AND DELCO REMY ALTERNATOR (55) - ELECTRICAL SYSTEMS
30
40
45
19
27
22
25
37
9
33
15
32
35
17
31
20
12
26
36
5
24
21
3
38
34
1
10
43
23
44
18
7
19
16
6
39
13
14
41
25
28
42
4
8
11
2
FIT
1:1
100%

Артикул

Название

Примечание

Количество

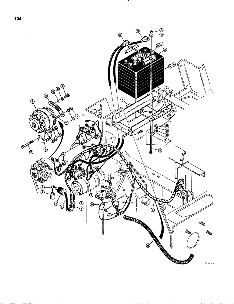
1

D92023

HARNESS

rear, diesel models

1шт.

1

D75118

HARNESS

rear, gasoline models

1шт.

2

D43390

CABLE

ground

1шт.

3

L11778

CONNECTOR, ELEC

TERMINAL bullet, male

2шт.

4

L78495

SLEEVE,0.19" ID x 1.5" L

SHRINK TUBING

2шт.

5

D71189

TUBE,0.125" ID x 5.5" L

SHRINK TUBING

1шт.

6

D64386

FITTING

fuel level

1шт.

7

221-1411

ELBOW,90 Degree, 1/8"-27, NPT

FITTING 90 degree, street

1шт.

8

D64390

SWITCH

fuel level, for service order D94137 kit

1шт.

9

REF

INSTRUCTION

ALTERNATOR Delco Remy, parts list Figure 118 through 122

1шт.

10

113-102

BOLT,Hex, 5/16" - 18 x 3/4", Gr 5

Hex, 5/16"-18 x 3/4", G5, Full Thd

1шт.

11

195-71

WASHER lock, plated, 5/16"

1шт.

12

195-105

WASHER,7/16"

flat, plated, 5/16"

1шт.

13

A34705

ADJUSTER

STRAP adjusting, diesel models

1шт.

13

D56005

STRAP

adjusting, gasoline models, not shown

1шт.

14

13-620

BOLT,Hex, 3/8" - 16 x 1-1/4", Gr 5, Full Thd

1шт.

15

92-6

LOCK WASHER,3/8"

1шт.

16

25-106

NUT,3/8"-16, G5

hex, 3/8" - 16 NC

1шт.

17

113-241

BOLT,Hex, 3/8" - 16 x 3", Gr 5

1шт.

18

REF

INSTRUCTION

BRACKET mounting, see engine timing chain cover

1шт.

19

195-525

WASHER,3/8", SAE

flat, plated, 3/8"

1шт.

20

192-21

LOCK WASHER,3/8"

WASHER, LOCK, 3/8"

1шт.

21

129-1-3

NUT hex, plated, 3/8" - 16 NC

1шт.

22

D64166

CABLE

BATTERY CABLE negative

1шт.

23

D69127

CABLE

BATTERY CABLE positive

1шт.

24

13-616

BOLT,Hex, 3/8" - 16 x 1", Gr 5, Full Thd

4шт.

25

195-25

WASHER,3/8"

flat, 3/8"

8шт.

26

92-6

LOCK WASHER,3/8"

4шт.

27

25-106

NUT,3/8"-16, G5

hex, 3/8" - 16 NC

4шт.

28

D64715

SUPPORT

battery

1шт.

29

115-109

BOLT

hex head, plated, 5/16" - 18 NC x 8-1/2"

2шт.

30

G46096

RETAINER

bolt

2шт.

31

D55559

HOOK

HOLDDOWN battery

1шт.

32

195-21

WASHER,5/16"

- flat, 5/16"

2шт.

33

131-4

LOCK NUT,5/16"-18, GB

NUT hex, lock, 5/16" - 18 NC

2шт.

34

A38411

DRY BATTERY

12 volt, diesel models, service replacement must be used with A60553 nonspill caps

1шт.

When replacing T40362 or A38411 battery, retain nonspill caps for service of new battery or order (6) A60553 caps.

1шт.

35

A60553

CAP

battery, nonspill

6шт.

36

T40362

BATTERY

12 volt, gasoline models, service replacement, must be used with A60553 nonspill caps

6шт.

When replacing T40362 or A38411 battery, retain nonspill caps for service of new battery or order (6) A60553 caps.

1шт.

37

A60553

CAP

battery, nonspill

6шт.

38

49854

CLAMP

harness

1шт.

39

193-60

LOCK WASHER,Int Tooth, 1/4"

WASHER, LOCK, Int Tooth, 1/4"

1шт.

40

129-18

NUT,#12-24

hex, no. 12 - 24 NC, plated

1шт.

41

REF

INSTRUCTION

SOLENOID anti-dieseling, gasoline models only, parts list Figure 28

1шт.

42

REF

INSTRUCTION

SENDING UNIT engine oil pressure, see Figsure 42 and 76

1шт.

43

193-1000

NUT,Keps, w/LW,#10-32

hex, lock, No. 10 - 32 NF

1шт.

44

REF

INSTRUCTION

SENDING UNIT water temperature, see Figure 36 and 64

1шт.

45

D93236

CONDUIT

GUARD harness, used with D92023 harness only

1шт.

Выбрано товаров: 49