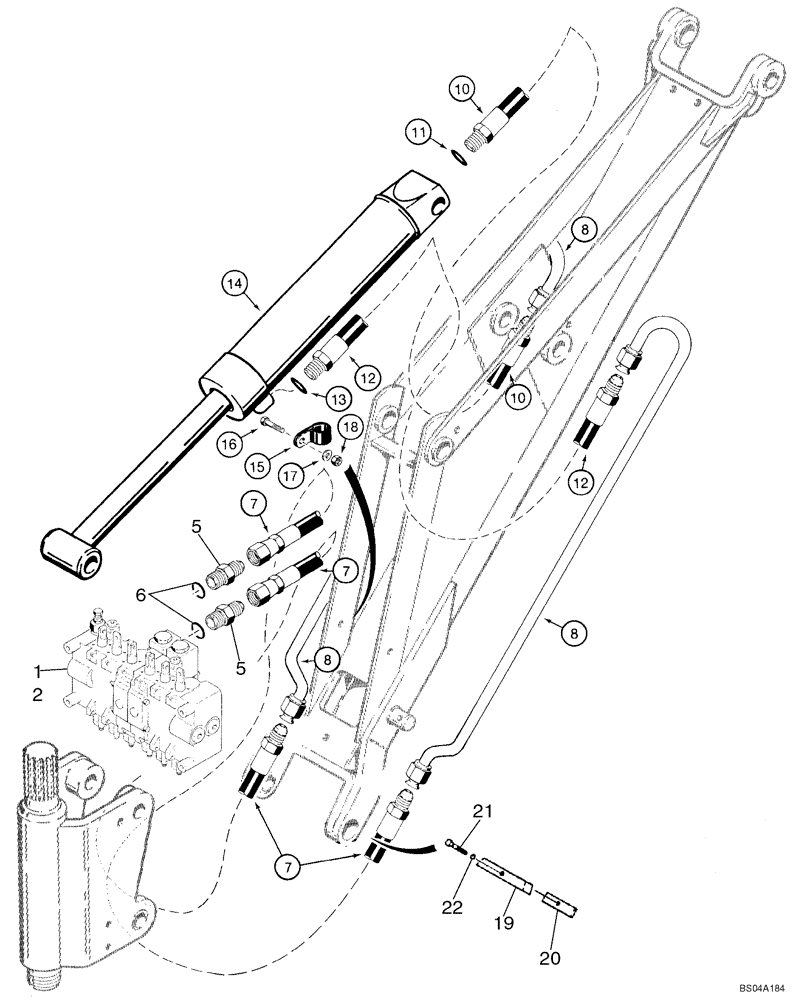
Запчасти Case 40XT (08-27) - HYDRAULIC SYSTEM - BACKHOE BOOM CYLINDER (D100) (08) - HYDRAULICS

Схема запчастей Case 40XT - (08-27) - HYDRAULIC SYSTEM - BACKHOE BOOM CYLINDER (D100) (08) - HYDRAULICS
21
2
5
5
17
1
12
8
18
13
15
22
12
8
7
10
19
11
10
7
8
14
20
16
7
6
FIT
1:1
100%

Артикул

Название

Примечание

Количество

1

H674300

VALVE

Control; Backhoe; Manufactured By Dukes; Incl. Figure 08-32 - 08-34; No Longer Available, Order 87400023

1шт.

2

87400023

VALVE

Control; Backhoe; Replaces H674300; Incl. Figure 08-32 - 08-34

1шт.

5

218-5059

HYD CONNECTOR,3/4"-16, 37 Degree x 3/4"-16, O-Ring

O-ring boss; Incl. 6

2шт.

6

237-6008

O-RING,0.087" Thk x 0.644" ID, -908, Cl 6, 90 Duro

1шт.

7

H434463

HOSE

45 in (1143 mm); At Control Valve; Replaces H200378

2шт.

8

H593392

TUBE,0.5" OD

Intermediate; D100

2шт.

10

H244921

HYDRAULIC HOSE,9.52 mm ID x 381.00 mm, SAE 100R1

To Closed End Of Boom Cylinder; Incl. 11

1шт.

11

237-6008

O-RING,0.087" Thk x 0.644" ID, -908, Cl 6, 90 Duro

1шт.

12

H268540

HYDRAULIC HOSE,9.52 mm ID x 889.00 mm, SAE 100R1

To Rod End of Boom Cylinder; Incl. 13

1шт.

13

237-6008

O-RING,0.087" Thk x 0.644" ID, -908, Cl 6, 90 Duro

1шт.

14

G100936

CYLINDER,Double Acting, 38.1mm Rod, 371.35mm Stroke

3 (76) ID x 14-5/8 in (372 mm); Boom; See Figure 08-36

1шт.

15

H51763

CLAMP

Hose

2шт.

16

413-412

BOLT,Hex, 1/4" - 20 x 3/4", Gr 5

2шт.

17

495-11028

WASHER,1/4", SAE

(9/32 x 5/8 x 1/16")

2шт.

18

230-4214

LOCK NUT,1/4"-20, GA

2шт.

19

H52589

CLAMP

1шт.

20

H51748

CLAMP

1шт.

21

413-532

BOLT,Hex, 5/16" - 18 x 2", Gr 5

1шт.

22

492-11031

LOCK WASHER,5/16"

1шт.

Выбрано товаров: 19