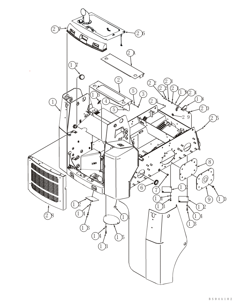
Запчасти Case 40XT (09-10) - CHASSIS (09) - CHASSIS

Схема запчастей Case 40XT - (09-10) - CHASSIS (09) - CHASSIS
13
21
5
25
6
13
4
28
27
13
15
5
25
17
16
12
1
11
8
22
bs04a102
10
14
3
26
14
24
19
12
20
2
13
14
7
2a
22
14
9
23
12
18
29
FIT
1:1
100%

Артикул

Название

Примечание

Количество

434796A1

CHASSIS

Frame; Machinery Item, For Service Of 366038A4; Incl. D88429

1шт.

D88429

CAGE

12шт.

1

434796A3

CHASSIS

Kit; Incl. 11, 16, 17, Parts on Figure 04-06, Ref. 11 - 14, 07-03, Ref. 2, 09-10, Ref 16, 17

1шт.

2

412058A1

PANEL

Heat Shield Extension; North American Models

1шт.

2a

431741A1

PANEL

Panel; Heat Shield Extension; European Models

1шт.

3

614-8025

BOLT,Hex, M8 x 1.25 x 25mm, Cl 8.8, Full Thd

2шт.

4

829-1408

NUT,Hex, M8 x 1.25, Cl 10.9

2шт.

5

895-11008

WASHER,9mm ID x 16mm OD x 1.6mm Thk

4шт.

6

220061A2

PLUG

3 in.; Axle Access

4шт.

7

217-494

DRAIN PLUG,Sq Soc, 3/4" - 14 NPTF

3/4 PT

2шт.

8

387305A1

GASKET

Cover, Chain Tank

2шт.

9

387091A1

LARGE PLATE

PLATE, LARGE Chain Tank

2шт.

10

857-12030

BOLT,Hvy Hex, M12 x 30mm, Cl 10.9

20шт.

11

86625135

PLUG,1" - 11-1/2 NPT

4шт.

12

H436914

LARGE PLATE

PLATE, LARGE Cover

3шт.

13

627-12035

BOLT,Hex, M12 x 1.75 x 35mm, Cl 10.9, Full Thd

8шт.

14

896-11012

WASHER,13.5mm ID x 24mm OD x 3mm Thk

8шт.

15

365817A1

COVER

Plate

1шт.

16

H436887

CAP

Fuel; Models Without Locking Cap

1шт.

16

108925A1

FILLER CAP

Locking; Fuel Filler

1шт.

17

257448A1

CAP

Oil Filler; Incl. 292259A1

1шт.

292259A1

SEAL

Filler Cap

1шт.

18

390516A3

LATCH

Plate; ROPS Latch

1шт.

19

278332A1

SPRING WASHER

Spring

1шт.

20

495-11081

WASHER,3/4", SAE

1шт.

21

294967A1

WASHER

1шт.

22

829-1410

NUT,M10 x 1.5, Cl 10.9

2шт.

23

294943A1

STUD

1шт.

24

294911A2

HOOK

Plate

1шт.

25

394748A1

INSULATION

Models With Heater

2шт.

26

NSS

NOT SOLD SEPARAT

Hood, Engine; See Figure 09-18

1шт.

27

385490A1

DOOR COVER

Fairing; Plastic

1шт.

28

NSS

NOT SOLD SEPARAT

Door Assy; See Figure 09-19

1шт.

29

299274A2

COVER,35mm OD

35 mm dia; Replaces 444938A1

6шт.

Выбрано товаров: 0