Запчасти Case 40XT (09-33) - DOOR, FRONT - MOUNTING, FRAME (09) - CHASSIS

Схема запчастей Case 40XT - (09-33) - DOOR, FRONT - MOUNTING, FRAME (09) - CHASSIS
7
3
14
9
7
16
9
5
9
7
13
19
9
7
12
11
1
2
20
7
8
8
7
15
8
9
21
7
7
17
7
8
7
7
7
8
4
7
2
10
6
9
7
8
21
18
9
FIT
1:1
100%

Артикул

Название

Примечание

Количество

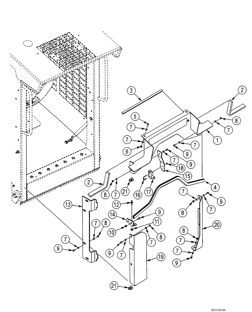
1

382731A2

FRAME

Overhead Door

1шт.

2

382736A1

SEAL

Overhead Frame

2шт.

3

393976A1

DOOR SEAL

Overhead Door

1шт.

4

394121A3

DOOR SEAL

Door Frame bracket

1шт.

5

614-6020

BOLT,Hex, M6 x 1 x 20mm, Cl 8.8, Full Thd

2шт.

6

832-10406

NUT,M6 x 1, Cl 8

2шт.

7

895-30100

WASHER,6.6mm ID x 15mm OD x 1.6mm Thk

6.6 x 15 x 1.6

30шт.

8

832-41406

NUT,M6 x 1, Cl 8

M6

13шт.

9

614-6020

BOLT,Hex, M6 x 1 x 20mm, Cl 8.8, Full Thd

15шт.

10

825-2406

FLANGE NUT,M6 x 1, Cl 8.8

2шт.

11

825-2408

FLANGE NUT,M8 x 1.25, Flg, Cl 8

1шт.

12

189609A1

BALL STUD,M8 x 1.25

M8

1шт.

13

382742A1

BRACKET

1шт.

14

428881A1

BRACKET

1шт.

15

383594A1

BRACKET

1шт.

16

H435814

U-BOLT

1шт.

17

392269A2

SWITCH

Seat Bar; See Figure 04-17

1шт.

18

193-1003

NUT,Keps, w/LW,#6-32

2шт.

19

382732A1

BRACKET

Door; Side; Right Hand Lower

1шт.

20

382733A2

BRACKET

Door; Side; Left Hand Lower

1шт.

21

378884A2

STRAP,254mm L

2шт.

Выбрано товаров: 21