Запчасти Case 40XT (09-44) - BACKHOE - DIPPER AND BUCKET (D100) (09) - CHASSIS

Схема запчастей Case 40XT - (09-44) - BACKHOE - DIPPER AND BUCKET (D100) (09) - CHASSIS
22
6
17
9
21
24
11
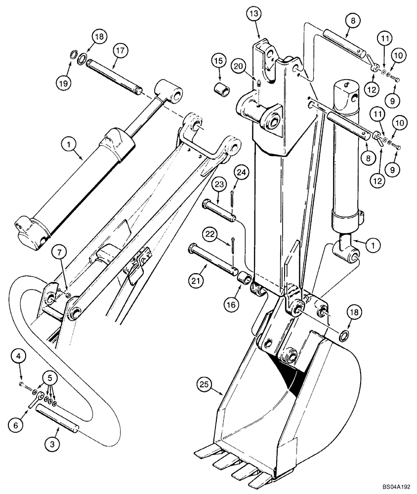
1
19
13
12
20
12
18
18
7
23
10
9
4
1
5
10
16
8
25
11
8
3
15
FIT
1:1
100%

Артикул

Название

Примечание

Количество

1

G100936

CYLINDER,Double Acting, 38.1mm Rod, 371.35mm Stroke

3 in (76 mm) ID x 14-5/8 in (372 mm) stroke; Bucket; D100 Backhoe; D100 Dipper Cylinder; See Figure 08-36

2шт.

3

H50690

AXLE PIN,28.57mm OD x 171.45mm L

Dipper Cylinder Closed End To Boom

1шт.

4

413-624

BOLT,Hex, 3/8" - 16 x 1-1/2", Gr 5

1шт.

5

496-21041

WASHER,13/32" x 13/16" x .089", HDN

4шт.

6

H313981

PIN

1шт.

7

230-4216

LOCK NUT,3/8"-16, GA

1шт.

8

H50690

AXLE PIN,28.57mm OD x 171.45mm L

Dipper Cylinder Rod End To Dipper And Bucket Cylinder Closed End To Dipper

2шт.

9

413-620

BOLT,Hex, 3/8" - 16 x 1-1/4", Gr 5

2шт.

10

492-11038

LOCK WASHER,3/8"

2шт.

11

496-21041

WASHER,13/32" x 13/16" x .089", HDN

2шт.

12

H313981

PIN

2шт.

H514687

BOOM

Backhoe; Incl. 13- 16

1шт.

13

NSS

NOT SOLD SEPARAT

Dipper; Backhoe

1шт.

15

H56192

BUSHING,28.91mm ID x 36.63mm OD x 44.45mm L

Dipper Pivot

2шт.

16

H56184

BUSHING,29.08mm ID x 44.5mm OD x 28.6mm L

Bucket Pivot

2шт.

17

H50658

PIVOT

Boom To Dipper

1шт.

18

195-81016

WASHER,1.140" x 1 7/8" x .032"

1шт.

19

103-11112

SNAP RING,#112, Ext

2шт.

20

219-8

LUBE NIPPLE,1/4" - 28 NPTF

1шт.

21

H50682

PIN

Bucket Pivot; Dipper To Bucket

1шт.

22

432-2432

COTTER PIN,3/8" x 2"

1шт.

23

H257048

PIN,28.5mm OD x 146.05mm L

Mounting

1шт.

24

432-1628

COTTER PIN,1/4" x 1 3/4"

Bucket cylinder pin

1шт.

25

REF

INSTRUCTION

Bucket; See Figure 09-45 - 09-46

1шт.

Выбрано товаров: 0