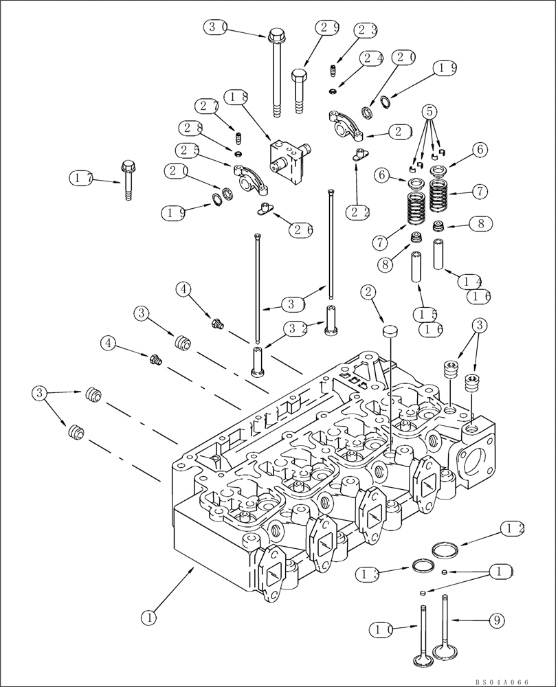
Запчасти Case 40XT (02-14) - CYLINDER HEAD - VALVE MECHANISM, 4-390 EMISSIONS CERTIFIED ENGINE (02) - ENGINE

Схема запчастей Case 40XT - (02-14) - CYLINDER HEAD - VALVE MECHANISM, 4-390 EMISSIONS CERTIFIED ENGINE (02) - ENGINE
2
16
21
30
15
26
17
20
19
6
23
11
bs04a066
13
3
12
18
9
8
25
31
6
3
5
14
22
28
24
20
4
7
10
19
16
27
7
29
4
8
32
3
1
FIT
1:1
100%

Артикул

Название

Примечание

Количество

J933494

HEAD (CYLINDER)

Incl. 1 - 10; If Used

1шт.

JR933494

REMAN-CYLINDER HEAD

Reman For New P/N J933494

1шт.

JC930913

CORE-CYLINDER HEAD

Return Part Number For J933494

1шт.

87429905

HEAD (CYLINDER)

Incl. 1 - 10; If Used

1шт.

87429906

REMAN-CYLINDER HEAD

Cylinder Head

1шт.

87429907

CORE-CYLINDER HEAD

Return Part Number

1шт.

1

J933419

HEAD (CYLINDER)

Incl. 2; Part Of J933494

1шт.

1

NSS

NOT SOLD SEPARAT

HEAD Cylinder Incl. 2; Part Of 87429905

1шт.

2

A77783

PLUG

Expansion, 21 mm OD

3шт.

3

217-466

DRAIN PLUG,Sq Soc, 1/2" - 14, NTPF

5шт.

4

J906619

PLUG,1/8" - 27

1/8 PT

2шт.

5

CASJ900250

RETAINER

16шт.

6

J935038

RETAINER

Used With J933494

8шт.

6

87433959

RETAINER

Valve Spring; Used With 87429905

8шт.

7

J932453

SPRING

8шт.

8

J921640

SEAL

Used With J933494

8шт.

8

87433962

SEAL

Valve Stem; Used With 87429905

8шт.

9

J920867

VALVE

Intake

4шт.

10

J920868

VALVE

Exhaust

4шт.

11

J910412

WEAR PAD

Intake And Exhaust; Service Repair Only

1шт.

12

J906854

SEAT, VALVE

Intake; Service Repair Only

4шт.

13

J904105

SEAT, VALVE

Exhaust; Service Repair Only

4шт.

14

J904408

GUIDE

14 mm OD; Intake; Service Repair Only

4шт.

15

J904409

GUIDE

14 mm OD; Exhaust; Service Repair Only

4шт.

16

J906206

GUIDE

11 mm OD; Intake And Exhaust; Service Repair Only

8шт.

17

J920779

BOLT,Flng, M12 x 1.75 x 70mm, Cl 12.9

70 mm, Bolts By Exhaust Manifold

4шт.

17

J920780

BOLT,Flng, M12 x 1.75 x 120mm, Cl 12.9

120 mm

10шт.

18

J922488

SUPPORT

4шт.

19

J900242

SNAP RING

8шт.

20

J900245

WASHER

8шт.

21

J910811

ROCKER

Incl. 22 - 24

4шт.

22

NSS

NOT SOLD SEPARAT

INSERT

1шт.

23

J937438

ADJUSTMENT SCREW,Hex Skt, 3/8" - 24 x 33mm, Adj, Ball Point

Replaces J934086

1шт.

24

A77902

NUT

3/8 - 24 NF

1шт.

25

J910810

ROCKER

Incl. 26 - 28

4шт.

26

NSS

NOT SOLD SEPARAT

INSERT

1шт.

27

J937438

ADJUSTMENT SCREW,Hex Skt, 3/8" - 24 x 33mm, Adj, Ball Point

Replaces J934086

1шт.

28

A77902

NUT

1шт.

29

J901221

BOLT

M8 x 75

4шт.

30

J920781

BOLT,Flng, M12 x 1.75 x 180mm, Cl 12.9

180 mm

4шт.

31

J284377

PUSH ROD

8шт.

32

J931623

TAPPET

8шт.

Выбрано товаров: 42