Запчасти Case 40XT (02-16) - CYLINDER BLOCK (02) - ENGINE

Схема запчастей Case 40XT - (02-16) - CYLINDER BLOCK (02) - ENGINE
18
29
7
20
11
9a
4
16
27
6
14
40
31
41
10
38
1
34
36
2
39
6
8
5
19
13
17
21
37
15
35
26
7
16a
3
9
23
28
7
24
42
32
22
33
30
6
12
25
FIT
1:1
100%

Артикул

Название

Примечание

Количество

365688A1

ENGINE ASSY. Complete; North American models; Order 349469A1; Incl. All Parts Except Starter, Alternator, Fan, Fan Belt, Air Cleaner, Muffler And Exhaust Manifold

1шт.

377161A1

ENGINE ASSY. Complete; European models; Order 349469A1; Incl. All Parts Except Starter, Alternator, Fan, Fan Belt, Air Cleaner, Muffler And Exhaust Manifold

1шт.

349469A1R

ENGINE ASSEMBLY

ENGINE ASSY Service; Remanufactured, North America Only; See Note

1шт.

349469A1C

CORE-BASIC ENGINE

Return Number; North America Only

1шт.

349469A1

BASIC ENGINE

Incl. All Parts Except Starter, Alternator, Fan, Fan Belt, Air Cleaner, Muffler, Exhaust Manifold, Flywheel And Housing, Oil Fill And Dipstick, Fuel Injection Pump, Injectors And Lines, Front Pulley And Belt Tensioner; See Note

1шт.

JR935600

REMAN-SHORT ENGINE

BLOCK ASSY Short; Remanufactured; North America Only

1шт.

4-390-SHBC

CORE-SHORT ENGINE

Return Number; North America Only

1шт.

J935600

SHORT ENGINE

Short; Incl. 1 - 8, Incl. Stripped Block, Pistons, Connecting Rods And Bearings, Crankshaft And Bearings

1шт.

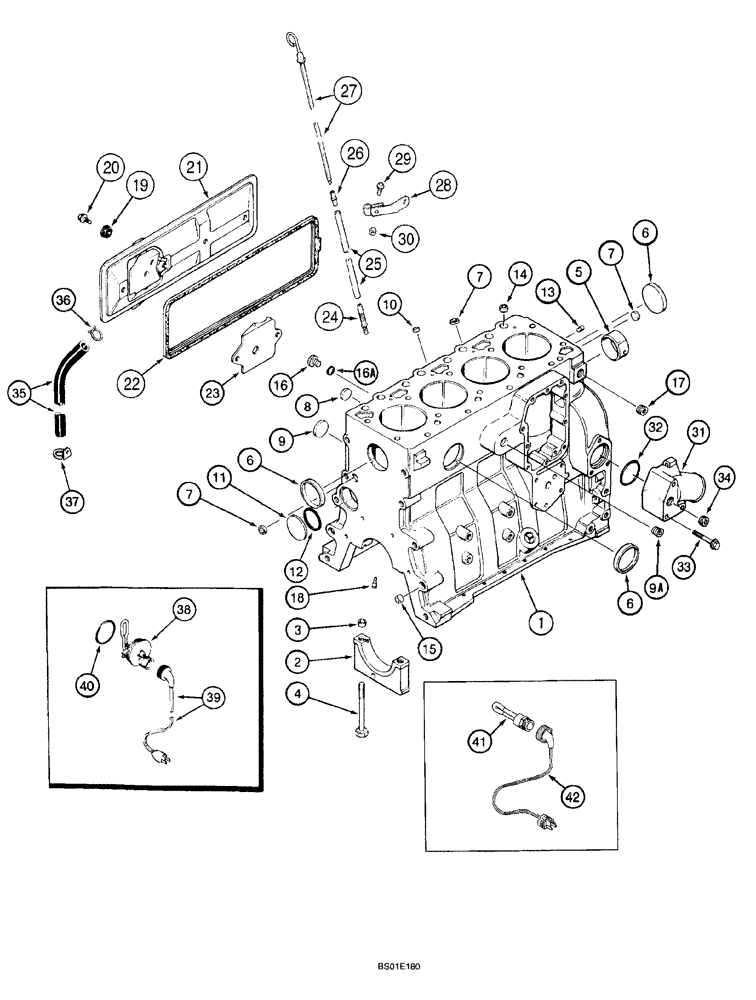
1

87444172

BLOCK ASSY.

Short; Incl. 2 - 8; Order J933220

1шт.

2

J936791

BEARING CAP

CAP

5шт.

3

J900068

BEARING WASHER

18 mm OD

10шт.

4

J927948

BOLT,Flng, MJ12 x 1.5H6H x 119mm, Cl 12.9

10шт.

5

REF

INSTRUCTION

BUSHING Front; See Figure 02-15

1шт.

6

A77782

PLUG

Expansion, 58 mm

3шт.

7

J900956

PLUG

18 mm OD

3шт.

8

41-1616

PLUG,Cup, 1", Stainless

2шт.

J933220

PACKAGE,SERVICE

KIT Block; Incl. 9 - 18

1шт.

9

J900958

PLUG

32 mm OD

1шт.

9a

263136

MAGNETIC PLUG,Sq. Soc, 3/4"-14 NPTF

PLUG, MAGNETIC Replaces A77505

1шт.

10

J900955

PLUG

10 mm OD; One Used In This Application

3шт.

11

172599

PLUG,Exp, 2 3/8"

60 mm OD; Incl. 12

1шт.

12

J926047

O-RING,0.07" Thk x 2.239" ID

57 mm ID

1шт.

12a

J920706

PLUG

22 mm; Expansion; One Used In This Application; Not Illustrated

3шт.

13

J900257

PIN,10.01mm OD x 16mm L

16 mm

2шт.

14

J902343

DOWEL

16 mm OD

2шт.

15

J900068

BEARING WASHER

18 mm OD

2шт.

16

J678923

PLUG,M10 x 1

10 mm; Two Used In This Application; Incl. 16A

3шт.

16a

637-72081

O-RING,1.6mm Thk x 8.1mm ID, Cl 7, 75 Duro

1шт.

17

217-438

PLUG,Hex Soc, 1/2" - 14 NPTF

Replaces A77429

1шт.

17a

J678921

PLUG

14 mm; Not Used In This Application; Incl. 17B; Not Illustrated

1шт.

17b

J678912

O-RING,2.2mm Thk x 11.3mm ID

1шт.

17c

J932296

PLUG

Not Used In This Application; Incl. 17D; Not Illustrated

1шт.

17d

J330478

O-RING,0.07" Thk x 0.676" ID

1шт.

18

J937214

NOZZLE CAP

4 Used In This Application

6шт.

19

J900267

SEAL

4шт.

20

845-8016

BOLT,Hvy Hex, M8 x 16mm, Cl 8.8

2шт.

21

J936186

COVER

Incl. 23

1шт.

22

J283767

GASKET,7.4mm Thk

Cover

1шт.

23

J907586

BAFFLE

1шт.

24

A77645

TUBE

1шт.

25

J283538

TUBE,9.7 mm ID x 12.7 mm OD

1шт.

25a

86637701

HOSE CLAMP,12.45mm - 12.95mm

Not Illustrated; Replaces 214-1308

1шт.

26

J905802

FITTING,9.53 mm OD x 39 mm L

1шт.

27

J908311

DIPSTICK,914.3mm L

1шт.

28

J917762

BRACE

1шт.

29

845-8016

BOLT,Hvy Hex, M8 x 16mm, Cl 8.8

1шт.

30

825-1408

NUT,M8, Cl 8

1шт.

31

J934877

HYD CONNECTOR

1шт.

32

J906697

SEAL,Square, 5.16mm Thk x 50.17mm ID

50 mm ID

1шт.

33

854-10075

BOLT,Hvy Hex, M10 x 75mm, Cl 10.9

3шт.

34

217-438

PLUG,Hex Soc, 1/2" - 14 NPTF

Replaces A77429

2шт.

35

J918612

TUBE,360.00 mm

1шт.

36

J904230

CLAMP,25.4mm

1шт.

37

J928989

CLIP

1шт.

196803A1

KIT

Engine Block Heater, 120V - 750W; Incl. 38 - 40; Install Ref. 38 In Place Of Ref. 6 Plug

1шт.

38

NSS

NOT SOLD SEPARAT

Element, 120V - 750W; Installs In Place Of Ref. 6 Plug

1шт.

39

196466A1

ELECTRIC CABLE

120V - 750W, 1829 mm (72 in.); Engine Block Heater

1шт.

40

J910517

O-RING

Engine Block Heater

1шт.

124340A1

KIT

Engine Block Heater; 240V; Incl. Ref. 38 - 40

1шт.

38

NSS

NOT SOLD SEPARAT

Element, 240V - 750W

1шт.

39

J905114

ELECTRIC CABLE

240V - 750W, 1829 mm, 72 in.

1шт.

40

J910517

O-RING

1шт.

309651A1

KIT

Engine Block Heater, 120V - 750W; Incl. 41, 42; Install Ref. 41 In Place Of Ref. 9A Plug

1шт.

41

NSS

NOT SOLD SEPARAT

Element, 120V - 750W; Installs In Place Of Ref. 9A Plug

1шт.

42

196466A1

ELECTRIC CABLE

120V, 1829 mm, 72 in.

1шт.

309652A1

KIT

Engine Block Heater; 240V - 750W; Incl. Ref. 41 and 42; Install Ref 41 In Place Of Ref 9A Plug

1шт.

41

NSS

NOT SOLD SEPARAT

Element, 240V - 750W; Install In Place Of Ref 9A Plug

1шт.

42

J905114

ELECTRIC CABLE

240V, 1829 mm, 72 in.

1шт.

87407091

KIT

Incl. 87407090 and Instructions

1шт.

87407090

PLATE

BLOCK Cylinder Mounting Block Strengthener; Not Illustrated

1шт.

Выбрано товаров: 70