Запчасти Case 40XT (04-04) - BATTERY - CABLES (04) - ELECTRICAL SYSTEMS

Схема запчастей Case 40XT - (04-04) - BATTERY - CABLES (04) - ELECTRICAL SYSTEMS
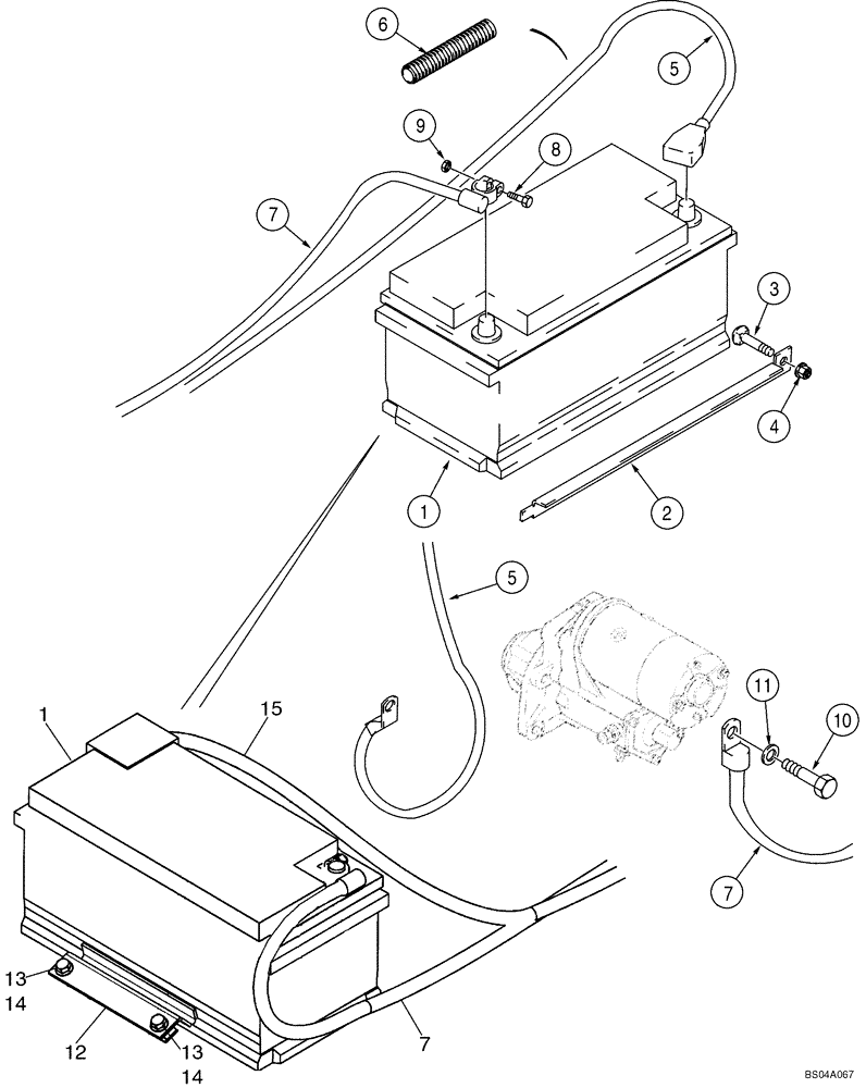
14
3
5
2
10
6
11
8
13
14
5
1
7
12
1
7
13
9
4
15
7
FIT
1:1
100%

Артикул

Название

Примечание

Количество

1

B4925

WET BATTERY

12V; 700CCA; Dry; Order From Ship Direct; Replaces 234050A1 Wet Battery Used In Production

1шт.

1

B4960

WET BATTERY

850CCA; If Used

1шт.

2

221592A1

STEM

RETAINER If Used

1шт.

3

811-8035

CARRIAGE BOLT,Sht Sq Nk, M8 x 1.25 x 35mm, Cl 8.8

M8 x 35; If Used

1шт.

4

825-5148

SERRATED NUT,M8, Flg Ser

If used

1шт.

5

429505A1

CABLE

Positive; 2000 mm (78-3/4 in); If Used

1шт.

6

279946A1

LOOM

COVER Protective; If Used

1шт.

7

338030A1

CABLE ASSY.

Negative

1шт.

8

NSS

NOT SOLD SEPARAT

BOLT

1шт.

9

NSS

NOT SOLD SEPARAT

NUT

1шт.

10

627-12030

BOLT,Hex, M12 x 1.75 x 30mm, Cl 10.9, Full Thd

1шт.

11

896-15012

WASHER,13.5mm ID x 28mm OD x 4mm Thk

13.5 x 28 x 4 mm

1шт.

12

442650A1

ANGLE

Battery Hold Down

1шт.

13

844-8020

BOLT,Hvy Hex, M8 x 20mm, Cl 8.8

2шт.

14

833-40408

NUT,M8, U

2шт.

15

444193A1

CABLE

Battery; Positive; 1650 mm (65 in)

1шт.

Выбрано товаров: 16