Запчасти Case 70XT (08-24) - HYDRAULICS, ATTACHMENT - HIGH FLOW, GEAR (08) - HYDRAULICS

Схема запчастей Case 70XT - (08-24) - HYDRAULICS, ATTACHMENT - HIGH FLOW, GEAR (08) - HYDRAULICS
2
12
5
14
4
10
3
13
7
8
9
3
1
11
11
2
6
FIT
1:1
100%

Артикул

Название

Примечание

Количество

REF

INSTRUCTION

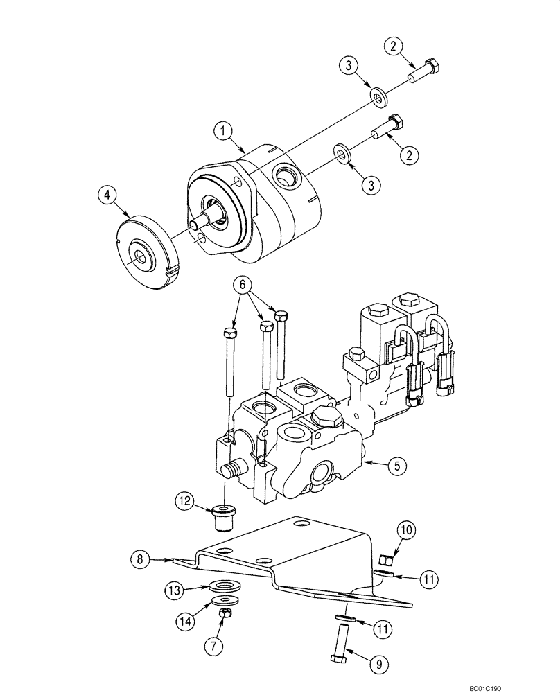
Gear Pump and Control Valve Mounting

1шт.

1

411822A1

PUMP, HYDRAULIC

Component Parts Not Serviced Separately

1шт.

2

627-12035

BOLT,Hex, M12 x 1.75 x 35mm, Cl 10.9, Full Thd

2шт.

3

896-15012

WASHER,13.5mm ID x 28mm OD x 4mm Thk

13.5 x 28 x 4 mm

2шт.

4

J924187

PINION

1шт.

5

372194A2

VALVE

See Figure 08-30

1шт.

6

814-8080

BOLT,Hex, M8 x 1.25 x 80mm, Cl 8.8

3шт.

7

832-41408

NUT,M8 x 1.25, Cl 10

M8

3шт.

8

433214A1

BRACKET

1шт.

9

627-12045

BOLT,Hex, M12 x 1.75 x 45mm, Cl 10.9, Full Thd

2шт.

10

832-41412

NUT,M12 x 1.75, Cl 10

M12

2шт.

11

896-15012

WASHER,13.5mm ID x 28mm OD x 4mm Thk

13.5 x 28 x 4 mm

4шт.

12

D52276

ISOLATOR,10.16mm ID x 28.07mm OD x mm L

3шт.

13

D52275

WASHER,9.92mm ID x 31.75mm OD x 2.78mm Thk

3шт.

14

495-11081

WASHER,3/4", SAE

3шт.

Выбрано товаров: 15