Запчасти Case 70XT (02-07) - ASPIRATOR (02) - ENGINE

Схема запчастей Case 70XT - (02-07) - ASPIRATOR (02) - ENGINE
4
4
11
8
6
1
5
13
10
1a
3a
7
2
12
9
3
12
FIT
1:1
100%

Артикул

Название

Примечание

Количество

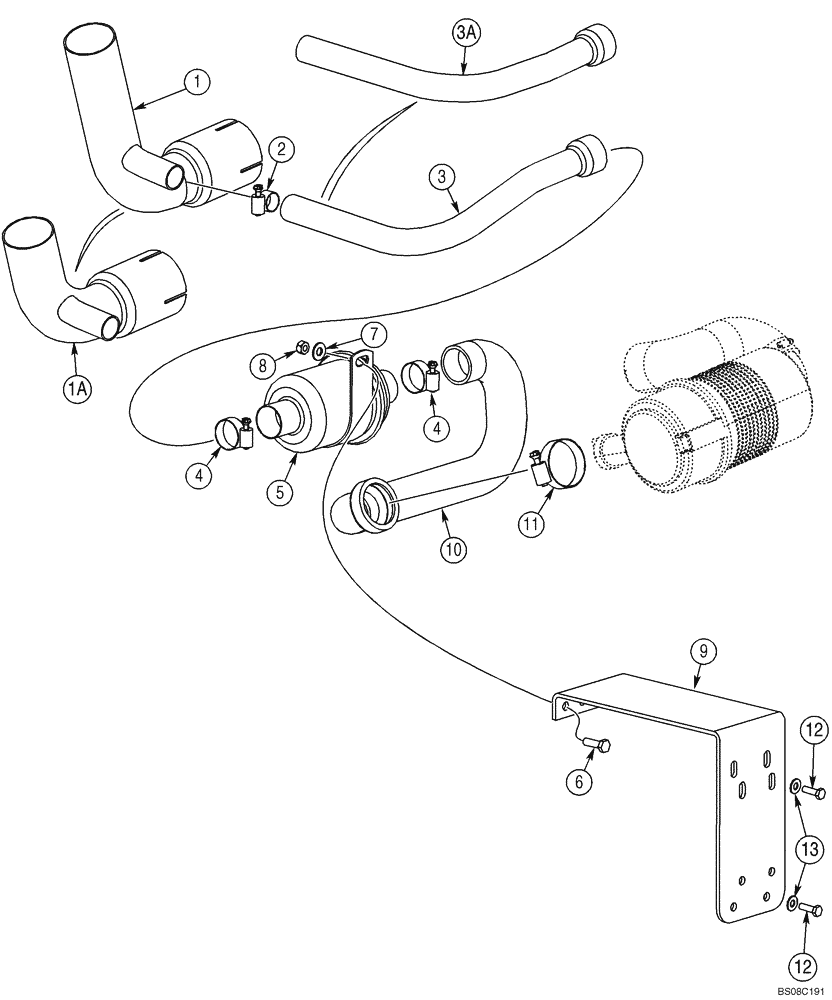
1

434735A1

PIPE, EXHAUST SYSTEM

PIPE, EXHAUST Used On 60XT; Exhaust Extension

1шт.

1b

434736A1

PIPE, EXHAUST SYSTEM

PIPE, EXHAUST Used On 70XT; Exhaust Extension

1шт.

2

214-1420

HOSE CLAMP,#20, 0.81" - 1.75", Type F Worm

1шт.

3

412539A1

HOSE

Used On 60XT; Aspirator Exhaust

1шт.

3b

412540A1

HOSE

Used On 70XT; Aspirator Exhaust

1шт.

4

214-1428

HOSE CLAMP,#28, 1.31" - 2.25", Type F Worm

2шт.

5

406089A2

VALVE

1шт.

6

614-8025

BOLT,Hex, M8 x 1.25 x 25mm, Cl 8.8, Full Thd

1шт.

7

895-15008

WASHER,9mm ID x 20mm OD x 1.6mm Thk

1шт.

8

832-41308

NUT,M8 x 1.25, Cl 10

1шт.

9

411211A1

BRACKET

1шт.

10

411210A1

HOSE

Aspirator Intake

1шт.

11

214-1436

HOSE CLAMP,#36, 1.81" - 2.75", Type F Worm

1шт.

12

43127

BOLT,Hex, M8 x 1.25 x 25mm, Cl 8.8

70XT Only

4шт.

13

895-15008

WASHER,9mm ID x 20mm OD x 1.6mm Thk

70XT Only

4шт.

Выбрано товаров: 15