Запчасти Case 70XT (09-13) - CONTROLS - LOADER AND GROUND DRIVE (09) - CHASSIS

Схема запчастей Case 70XT - (09-13) - CONTROLS - LOADER AND GROUND DRIVE (09) - CHASSIS
4
3
7
14
13
9
12
5
10
8
14
14
2
13
11
13
14
6
12
13
13
1
13
14
4
13
14
5
3
14
13
6
7
14
FIT
1:1
100%

Артикул

Название

Примечание

Количество

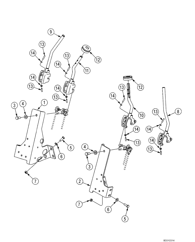
1

409842A3

FRAME ASSY

Left Hand

1шт.

2

409841A3

FRAME ASSY

Right Hand

1шт.

3

414-816

BOLT,Hex, 1/2" - 20 x 1", Gr 5

1/2 NF x 1

2шт.

4

495-11053

WASHER,1/2", SAE

(17/32" x 1-1/16" x 3/32")

2шт.

5

614-10035

BOLT,Hex, M10 x 1.5 x 35mm, Cl 8.8, Full Thd

8шт.

6

896-15010

WASHER,11mm ID x 24mm OD x 3mm Thk

11 x 24 x 3 mm

8шт.

7

411345A1

LOCK NUT

8шт.

8

379896A1

LEVER ASSY.

Standard; Right Hand; See Figure 04-23

1шт.

9

379897A1

LEVER ASSY.

Standard; Left Hand; See Figure 04-24

1шт.

10

380017A1

LEVER ASSY.

Deluxe; Right Hand; See Figure 04-23

1шт.

11

380018A1

LEVER ASSY.

Deluxe; Left Hand; See Figure 04-24

1шт.

12

372075A2

BOOT

Adapter; Use With 10, 11

2шт.

13

405103A1

SET SCREW,Hex Skt, M6 x 25mm, Oval Pt

M6 x 1 x 25

4шт.

14

829-1406

NUT,Hex, M6 x 1, Cl 10.9

M6; 10.9

4шт.

Выбрано товаров: 14