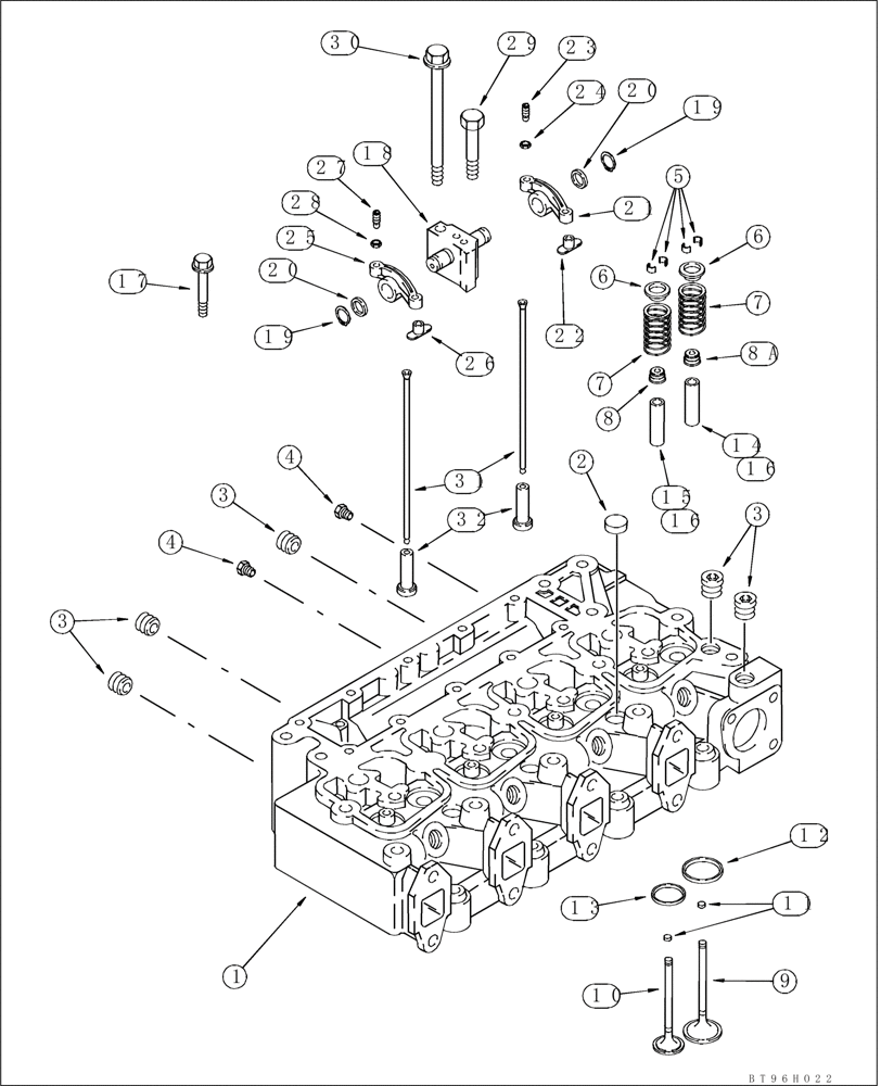
Запчасти Case 70XT (02-19) - CYLINDER HEAD - VALVE MECHANISM (02) - ENGINE

Схема запчастей Case 70XT - (02-19) - CYLINDER HEAD - VALVE MECHANISM (02) - ENGINE
6
15
4
9
20
7
12
7
3
18
16
19
1
27
20
25
8
4
26
28
22
32
29
30
3
21
31
3
19
6
5
10
2
23
16
8a
13
11
17
14
24
bt96ho22
FIT
1:1
100%

Артикул

Название

Примечание

Количество

REF

INSTRUCTION

4-390/4T-390 Emissions Certified Engine

1шт.

J933494

HEAD (CYLINDER)

4-390 Engine; With Valves; Incl. 1 - 10; No Longer Available, Order 87429905

1шт.

JR933494

REMAN-CYLINDER HEAD

4-390 Engine; Remanufactured No Longer Available, Order 87429906

1шт.

JC933494

CORE-CYLINDER HEAD

Return Part Number 4-390 Engine

1шт.

87430140

4T-390 Engine; With Valves; Incl. 1 - 10; Replaces J938660

1шт.

JR938660

REMAN-CYLINDER HEAD

4T-390 Engine; Remanufactured No Longer Available, Order 87430142

1шт.

JC938660

CORE-CYLINDER HEAD

Return Part Number 4T-390 Engine

1шт.

87430142

REMAN-CYLINDER HEAD

Remanufactured of 87430141

1шт.

87430143

CORE-CYLINDER HEAD

4T-390 Engine;Return Part Number For 87430141

1шт.

87429905

HEAD (CYLINDER)

Incl. 1, 2, 5 - 10

1шт.

87429906

REMAN-CYLINDER HEAD

Cylinder Head

1шт.

87429907

CORE-CYLINDER HEAD

Return Part Number

1шт.

J938660

CYLINDER HEAD

4T-390 Engine; With Valves; Incl. 1 - 10

1шт.

87430142

REMAN-CYLINDER HEAD

Cylinder Head

1шт.

87430143

CORE-CYLINDER HEAD

Return Part Number

1шт.

1

J933419

HEAD (CYLINDER)

4-390 Engine; Incl. 2; Used With J933494

1шт.

1

J933422

HEAD (CYLINDER)

4T-390 Engine; Without Valves; Incl. 2; Used With J938660

1шт.

1

NSS

NOT SOLD SEPARAT

Head Assy; Incl. 2; Used With 87429905

1шт.

1

NSS

NOT SOLD SEPARAT

Head Assy; Incl. 2; Used With 87430141

1шт.

2

A77783

PLUG

21 mm OD; Used With J933494, 87429905, J938660

3шт.

2

A77782

PLUG

Used With 87430141

3шт.

3

217-466

DRAIN PLUG,Sq Soc, 1/2" - 14, NTPF

5шт.

4

J906619

PLUG,1/8" - 27

1/8 PT

2шт.

5

CASJ900250

RETAINER

16шт.

6

87433959

RETAINER

Replaces J935038

8шт.

7

J932453

SPRING

8шт.

8

J921640

SEAL

Used With J933494

4шт.

8

J921640

SEAL

Used With 87429905

8шт.

8a

J921640

SEAL

Used With J933494

4шт.

9

J920867

VALVE

4шт.

10

J920868

VALVE

4шт.

11

J910412

WEAR PAD

Intake and Exhaust; Service Repair Only

1шт.

12

J906854

SEAT, VALVE

Intake; Service Repair Only

4шт.

13

J904105

SEAT, VALVE

Exhaust; Service Repair Only

4шт.

14

J904408

GUIDE

14 mm OD; Intake; Service Repair Only

4шт.

15

J904409

GUIDE

14 mm OD; Exhaust; Service Repair Only

4шт.

16

J906206

GUIDE

11 mm OD; Intake and Exhaust; Service Repair Only

8шт.

17

J920779

BOLT,Flng, M12 x 1.75 x 70mm, Cl 12.9

70 mm

4шт.

17

J920780

BOLT,Flng, M12 x 1.75 x 120mm, Cl 12.9

120 mm

10шт.

18

J922488

SUPPORT

4шт.

19

J900242

SNAP RING

8шт.

20

J900245

WASHER

8шт.

21

J910811

ROCKER

Incl. 22 - 24

4шт.

22

NSS

NOT SOLD SEPARAT

Insert

1шт.

23

J934086

ADJUSTMENT SCREW,3/8" - 24 x 29.85mm

If Used

1шт.

23

J937438

ADJUSTMENT SCREW,Hex Skt, 3/8" - 24 x 33mm, Adj, Ball Point

Replaces J934086

1шт.

24

A77902

NUT

3/8 - 24 NF

1шт.

25

J910810

ROCKER

Incl. 26 - 28

4шт.

26

NSS

NOT SOLD SEPARAT

Insert

1шт.

27

J934086

ADJUSTMENT SCREW,3/8" - 24 x 29.85mm

If Used

1шт.

23

J937438

ADJUSTMENT SCREW,Hex Skt, 3/8" - 24 x 33mm, Adj, Ball Point

Replaces J934086

1шт.

28

A77902

NUT

3/8 - 24 NF

1шт.

29

J901221

BOLT

M8 x 75

4шт.

30

J920781

BOLT,Flng, M12 x 1.75 x 180mm, Cl 12.9

180 mm

4шт.

31

J284377

PUSH ROD

8шт.

32

J931623

TAPPET

8шт.

Выбрано товаров: 56