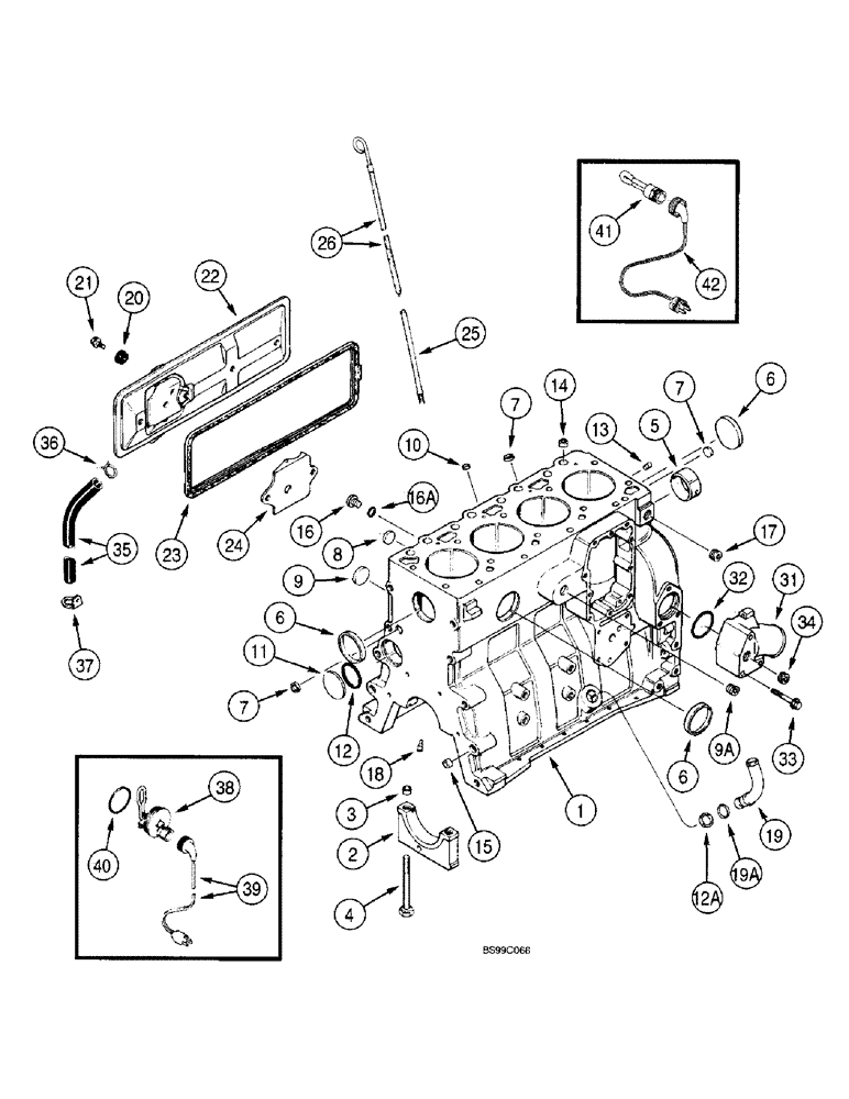
Запчасти Case 70XT (02-22A) - CYLINDER BLOCK, 4-390 EMISSIONS CERTIFIED ENGINE, USE WITH FUEL INJECTION PUMP J935677 (02) - ENGINE

Схема запчастей Case 70XT - (02-22A) - CYLINDER BLOCK, 4-390 EMISSIONS CERTIFIED ENGINE, USE WITH FUEL INJECTION PUMP J935677 (02) - ENGINE
18
32
8
35
21
16
9
12a
16a
7
6
41
10
38
37
12
3
4
6
11
9a
20
34
13
5
15
40
31
17
6
2
23
24
33
19
19a
22
42
36
14
26
7
7
1
39
25
FIT
1:1
100%

Артикул

Название

Примечание

Количество

326954A1

ENGINE ASSEMBLY

- 4-390 Emissions Certified, complete, for service order 339852A1 basic service engine below

1шт.

The engine part number is stamped on a metal tag which is mounted on the front gear cover.

1шт.

339851A1R

REMAN-BASIC ENGINE

With Three Hole Injection Pump Mounting. Injection Pump PN J935677. Remanufactured Basic Engine Assembly, assembly includes short block assembly, cylinder head, valve cover, front cover, oil pan, water pump, thermostat and gasket kit to transfer trim parts

1шт.

339851A1C

CORE-BASIC ENGINE

Return Part Number

1шт.

339851A1

ENGINE ASSEMBLY

- basic, includes all parts except starter, alternator, fan, fan belt, air cleaner, muffler, exhaust manifold, dipstick, fuel injection pump, injectors and lines, front pulley and belt tensioner

1шт.

JR935600

REMAN-SHORT ENGINE

Block Assembly short, remanufactured, component parts shown on this page do not apply to the remanufactured assembly, used with engine serial number 45705902 and after

1шт.

4-390-SHBC

CORE-SHORT ENGINE

Return Part Number use this part number to return short block core for credit when using a remanufactured assembly

1шт.

J935600

SHORT ENGINE

BLOCK ASSEMBLY - short, new, includes stripped block, pistons, connecting rods and bearings, crankshaft and bearings, used with engine serial number 45705902 and after, Includes: Ref. 1 - 8

1шт.

1

87444172

BLOCK ASSY.

BLOCK ASSEMBLY - stripped, engine, order J933220 block hardware kit shown below also, Includes: Ref. 2

1шт.

2

J903492

BEARING CAP

CAP - main bearing

5шт.

3

J900068

BEARING WASHER

RING - dowel, 18 mm OD, main bearing, Serial Range: cap-block

10шт.

4

J927948

BOLT,Flng, MJ12 x 1.5H6H x 119mm, Cl 12.9

SCREW, , Main bearing cap, Special Hex Flg Hd, M12 x 1.5 x 119

10шт.

5

REF

INSTRUCTION

BUSHING - camshaft front, see Fig. 2-27A, Ref. 2

1шт.

6

A77782

PLUG

- expansion, 58 mm OD

1шт.

7

J900956

PLUG

- expansion, 18 mm OD

3шт.

8

41-1616

PLUG,Cup, 1", Stainless

Expansion Cup, 1", Stainless

2шт.

J933220

PACKAGE,SERVICE

KIT - block hardware, Includes: Ref. 9 - 18

1шт.

9

J900958

PLUG

- expansion, 32 mm OD

2шт.

9a

A77505

PLUG

- hex socket, 3/4 inch PT

1шт.

10

J900955

PLUG

- expansion, 10 mm OD

1шт.

11

172599

PLUG,Exp, 2 3/8"

- expansion, Welch, 60 mm OD

1шт.

12

J926047

O-RING,0.07" Thk x 2.239" ID

- sealing, 57 mm ID

1шт.

12a

J920706

PLUG

- expansion, 22 mm OD

1шт.

13

J900257

PIN,10.01mm OD x 16mm L

- dowel, 16 mm long, locating

2шт.

14

J902343

DOWEL

RING - dowel, 16 mm OD

2шт.

15

J900068

BEARING WASHER

RING - dowel, 18 mm OD

2шт.

16

J678923

PLUG,M10 x 1

- hex socket, 10 mm, Includes: Ref. 16A

3шт.

16a

637-72081

O-RING,1.6mm Thk x 8.1mm ID, Cl 7, 75 Duro

- 8.1 ID x 1.6 mm wide, Plug

1шт.

17

A77429

PLUG

- hex socket, 1/2 inch PT

1шт.

17a

J678921

PLUG

- hex socket, 14 mm, not shown, Includes: Ref. 17B

1шт.

Ref. 17A - 17E are not used in this application.

1шт.

17b

J678912

O-RING,2.2mm Thk x 11.3mm ID

Sealing, Not shown 11.3MM ID x 2.2 Thk

1шт.

Ref. 17A - 17E are not used in this application.

1шт.

17c

J932296

PLUG

- timing sensor hole, not shown, Includes: Ref. 17D

1шт.

Ref. 17A - 17E are not used in this application.

1шт.

17d

J330478

O-RING,0.07" Thk x 0.676" ID

- sealing, not shown

1шт.

Ref. 17A - 17E are not used in this application.

1шт.

17e

844-8016

BOLT,Hex, M8 x 16mm, Cl 8.8

- heavy hex flange, 8 - 1.25 x 16 mm, Not shown

1шт.

Ref. 17A - 17E are not used in this application.

1шт.

18

J930139

NOZZLE CAP

NOZZLE - piston cooling

4шт.

19

J931973

TUBE,0.875" OD

- turbocharger oil drain, not used in this application, Ref. 12A plug is installed in this port

1шт.

19a

J931824

O-RING,0.07" Thk x 0.739" ID, -18, Cl 7, 75 Duro

O-RING - sealing, 18 mm ID, not used in this application

1шт.

20

J900267

SEAL

- cover bolt

4шт.

21

845-8016

BOLT,Hvy Hex, M8 x 16mm, Cl 8.8

- heavy hex flange, 8 - 1.25 x 16 mm

2шт.

22

J925680

COVER

- tappet

1шт.

23

J283767

GASKET,7.4mm Thk

- tappet cover

1шт.

24

J907586

BAFFLE

- tappet cover

1шт.

25

J905127

TUBE,9.52 mm OD x 180 mm L

- dipstick

1шт.

26

J904287

DIPSTICK

- oil level gauge

1шт.

31

J934877

HYD CONNECTOR

CONNECTION - water inlet, replaces J903102 connection

1шт.

32

J906697

SEAL,Square, 5.16mm Thk x 50.17mm ID

O-RING - sealing, 50 mm ID

1шт.

33

854-10075

BOLT,Hvy Hex, M10 x 75mm, Cl 10.9

- heavy hex flange, 10 - 1.5 x 75 mm, class 10.9

3шт.

34

A77429

PLUG

- hex socket, 1/2 inch PT

2шт.

35

J918612

TUBE,360.00 mm

Breather 360.00 mm

1шт.

36

J904230

CLAMP,25.4mm

- spring, hose

1шт.

37

J928989

CLIP

- retaining

1шт.

37a

J905369

PLUG

- expansion, 37 mm OD, installed in oil fill hole on left side of engine block, not shown

1шт.

196803A1

KIT

Engine Block Heater, 120V - 750W; Incl. 38 - 40; Install Ref. 38 In Place Of Ref. 6 Plug

1шт.

38

NSS

NOT SOLD SEPARAT

Element, 120V - 750W; Installs In Place Of Ref. 6 Plug

1шт.

39

196466A1

ELECTRIC CABLE

CABLE - engine block heater

1шт.

40

J910517

O-RING

- heater sealing

1шт.

309651A1

KIT

Engine Block Heater, 120V - 750W; Incl. 41, 42; Install Ref. 41 In Place Of Ref. 9A Plug

1шт.

41

NSS

NOT SOLD SEPARAT

Element, 120V - 750W; Installs In Place Of Ref. 9A Plug

1шт.

42

196466A1

ELECTRIC CABLE

CABLE - engine block heater

1шт.

Выбрано товаров: 64