Запчасти Case 70XT (04-32) - ROAD LIGHTS AND MOUNTING (04) - ELECTRICAL SYSTEMS

Схема запчастей Case 70XT - (04-32) - ROAD LIGHTS AND MOUNTING (04) - ELECTRICAL SYSTEMS
21
7
4c
15
4
1
4c
2
4a
4c
5
6
1
9
17
13
2
8
4a
17
4b
10
12
11
4
3
4b
23
11
4a
15
10
4b
4
23
21
FIT
1:1
100%

Артикул

Название

Примечание

Количество

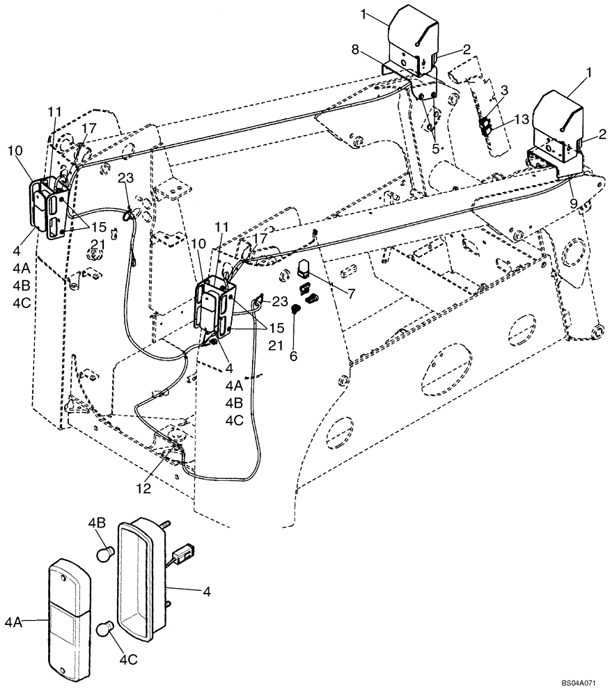
1

86504495

SUPPORT

Box

2шт.

2

86508184

HEADLAMP,12V

Assy

2шт.

3

122736A1

FLASHER SWITCH

Rocker; Hazard Lights

1шт.

4

177239A2

LAMP, TAIL

LIGHT, TAIL Rear Combintation; Incl. 4A - 4C

2шт.

4a

187140A1

LENS

1шт.

4b

3131227R1

BULB,P25-1, 12V, 21W

Turn Signal

2шт.

4c

3131234R1

BULB,P25-2, 12V, 5W

Stop/Tail

3шт.

5

281-54914

SELF-TAP SCREW,Hex Wash Hd, 3/8"-16 x 7/8"

3/8 x .88

4шт.

6

377811A1

HARNESS

Flasher

1шт.

7

379112A1

FLASHER UNIT

Hazard and Turn Signal

1шт.

8

419398A1

BRACKET

Headlamp; Left

1шт.

9

419399A1

BRACKET

Headlight Mounting

1шт.

10

419431A1

BRACKET

Rear Turn Signal

2шт.

11

427180A1

BRACKET

Rear Lamp

2шт.

12

429504A1

HARNESS

Turn Signal

1шт.

13

431632A1

SWITCH

Rocker; Light With Pilots

1шт.

14

427180A1

BRACKET

9.5 mm, M8 Bolt

2шт.

15

614-6016

BOLT,Hex, M6 x 1 x 16mm, Cl 8.8, Full Thd

8шт.

16

614-10025

BOLT,Hex, M10 x 1.5 x 25mm, Cl 8.8

4шт.

17

811-10025

CARRIAGE BOLT,Sht Sq Nk, M10 x 1.5 x 25mm, Cl 8.8

4шт.

18

825-5146

SERRATED NUT,M6, Flg Ser

4шт.

19

832-41310

NUT,M10 x 1.5, Cl 10

8шт.

21

895-25006

WASHER,6.6mm ID x 18mm OD x 1.6mm Thk

8шт.

22

A149800

FUSE,10 Amp

10 Amp

1шт.

23

L18331

CABLE TIE,375.9mm L, Nylon, Black

CABLE STRAP

4шт.

20

895-11010

WASHER,11mm ID x 20mm OD x 2mm Thk

4шт.

Выбрано товаров: 26