Запчасти Case 75XT (08-33) - HYDRAULICS, ATTACHMENT - HIGH FLOW, GEAR (08) - HYDRAULICS

Схема запчастей Case 75XT - (08-33) - HYDRAULICS, ATTACHMENT - HIGH FLOW, GEAR (08) - HYDRAULICS
9
1
3
4
3
14
6
7
13
11
4
10
12
8
4
2
9
10
6
5
FIT
1:1
100%

Артикул

Название

Примечание

Количество

Supply and, Serial Range: Return-Pump

1шт.

North American Models JAF0318922-

1шт.

European Models JAF0352169-

1шт.

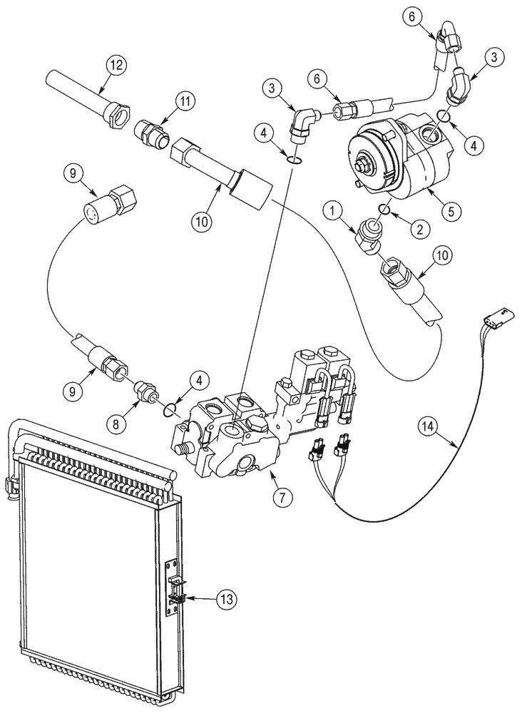
1

218-5140

45 ELBOW,45 Degree Elbow, 1-5/16" - 12 Male JIC x 1-5/16" - 12 Male ORB

1-5/16 fl x Or, Includes 2

1шт.

2

237-6016

O-RING,0.116" Thk x 1.171" ID, -916, Cl 6, 90 Duro

1шт.

3

218-5119

ELBOW,90 Degree Elbow, 7/8" - 14 Male JIC x 1-1/16" - 12 Male ORB

Incl. 4

2шт.

4

237-6012

O-RING,0.116" Thk x 0.924" ID, -912, Cl 6, 90 Duro

1шт.

5

411822A1

PUMP, HYDRAULIC

1шт.

6

401290A1

HOSE ASSY.

782 mm (30-3/4 in), Serial Range: Pump-Valve

1шт.

7

372194A2

VALVE

See Figure 08-38

1шт.

8

218-5064

HYD CONNECTOR,1-1/16" - 12 Male JIC x 1-1/16" - 12 Male ORB

Incl. 4

1шт.

9

419882A1

HOSE ASSY.

683 mm (26-7/8 in), Return High Flow

1шт.

10

430368A1

HOSE ASSY.

1160 mm (45-5/8 in), Pump Suction

1шт.

11

218-448

HYD CONNECTOR,1-5/16" - 12 Male JIC x 1" - 11-1/2 Male NPTF

1-5/16 fl x 1 PT

1шт.

12

H151399

FILTER STRAINER

Suction

1шт.

13

237994A2

COOLER, OIL

For Attaching Parts, See Figure 06-01

1шт.

14

381005A1

HARNESS

See Figure 04-11

1шт.

Выбрано товаров: 17