Запчасти Case 75XT (06-02) - HYDROSTATICS - PUMP AND SUPPLY LINES (06) - POWER TRAIN

Схема запчастей Case 75XT - (06-02) - HYDROSTATICS - PUMP AND SUPPLY LINES (06) - POWER TRAIN
7
6
10
1
31
29
21
24
32
28
3
11
20
18
26
4
9
23
28
3
16
25
12
2
19
8
17
5
13
15
18
27
22
14
30
10
FIT
1:1
100%

Артикул

Название

Примечание

Количество

*

North American Models JAF0318922-

1шт.

*

European Models JAF0352169-

1шт.

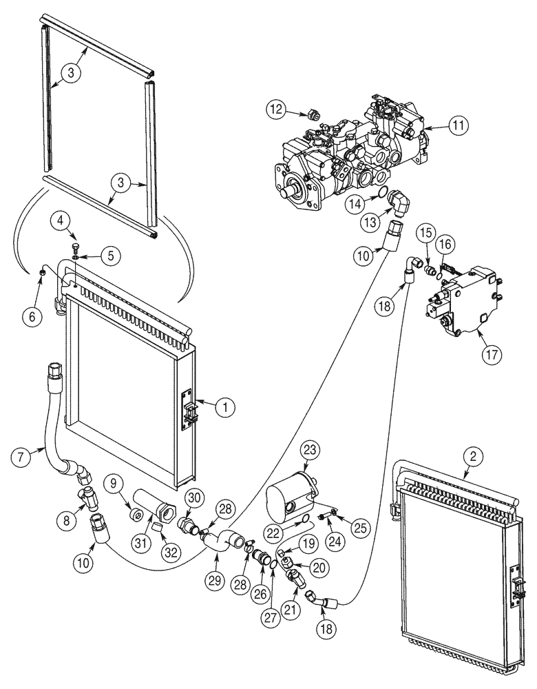
1

238693A1

COOLER, OIL

Without Turbulators, Behr# BM20565 And Core Length Of 20-1/4"

1шт.

2

237994A2

COOLER, OIL

Models With High Flow Gear, See Figure 08-32 - 08-37; With Turbulators, Behr# BM20561 And Core Length Of 20-1/4"

1шт.

3

230745A1

RUBBER SEAL,512mm L

512 mm

8шт.

4

614-10025

BOLT,Hex, M10 x 1.5 x 25mm, Cl 8.8

2шт.

6

832-41410

NUT,M10 x 1.5, Cl 10

2шт.

7

282076A1

HOSE,585.00 mm

High Flow Cooler to Tank

1шт.

8

218-558

TEE,1 5/16"-12, 37 Degree x 1"-11 1/2, NPTF Br

1шт.

9

217-445

PLUG,Hex Soc, 1-1/4" - 11-1/2 NPTF

1шт.

10

428901A1

HOSE ASSY.

1612 mm (63-15/32 in), Pump Suction To Tank Tee

1шт.

11

394132A2

PUMP, HYDRAULIC,46 CC

See Figure 06-12 - 06-17

1шт.

11

87298030

REMAN-HYD PUMP

Remanufactured HYD PUMP

1шт.

11

87298031

CORE-HYDRAULIC PUMP

Return No, HYDRAULIC PUMP

1шт.

12

313590A1

PLUG

1шт.

13

218-5275

ELBOW,90 Degree, 1 5/16"-12, 37 Degree x 1 5/8"-12, O-Ring

1-5/16 fl x 1-5/8 Or, Includes 14

1шт.

14

237-6020

O-RING,0.118" Thk x 1.475" ID, -920, Cl 6, 90 Duro

1шт.

15

218-5062

HYD CONNECTOR,7/8"-14, 37 Degree x 7/8"-14, O-Ring

7/8 fl x Or, Includes 16

1шт.

16

237-6012

O-RING,0.116" Thk x 0.924" ID, -912, Cl 6, 90 Duro

1шт.

17

REF

INSTRUCTION

Valve, Control, See Figure 08-15, 08-17

1шт.

18

430036A1

HOSE ASSY.,15.88mm ID x 1435mm L

1435 mm (56-1/2 in)

1шт.

19

218-754

CAP,37 Degree, 9/16"-18

1шт.

20

218-766

REDUCER,37 Degree, 1 1/16"-12, Fem x 9/16"-18 Male

3/4 x 3/8

1шт.

21

218-5185

TEE,1-1/16" - 12 Male JIC x 1-1/16" - 12 Male JIC x 1-1/16" - 12 Male ORB

1-1/16 OR x fl x fl, Includes 22

1шт.

22

237-6012

O-RING,0.116" Thk x 0.924" ID, -912, Cl 6, 90 Duro

1шт.

23

298851A2

PUMP

See Figure 06-18

1шт.

23

84561841R

REMAN-HYD PUMP

75XT, Reman for new PN 298851A2

1шт.

23

84561841C

CORE-HYDRAULIC PUMP

Return Number

1шт.

24

868-10030

12 PT SCREW,M10 x 30mm, Cl 12.9

2шт.

26

217-184

FITTING,1-1/4" Hose Barb x 1-5/16" - 12 Male ORB

Includes 27

1шт.

27

237-6016

O-RING,0.116" Thk x 1.171" ID, -916, Cl 6, 90 Duro

1шт.

28

214-1424

HOSE CLAMP,#24, 1.06" - 2", Type F Worm

2шт.

29

281855A3

HOSE,375.00 mm

350 mm (13-3/4 in), Pump to Valve

1шт.

30

217-157

FITTING,1-1/4" Hose Barb x 1-1/4" Male NPTF

1-1/4 stem x PT

1шт.

31

189310A1

STRAINER ASSY.

1шт.

32

86625135

PLUG,1" - 11-1/2 NPT

1шт.

5

895-15010

WASHER,11mm ID x 24mm OD x 2mm Thk

2шт.

25

895-11010

WASHER,11mm ID x 20mm OD x 2mm Thk

2шт.

Выбрано товаров: 38