Запчасти Case 75XT (06-15) - PUMP, TANDEM (06) - POWER TRAIN

Схема запчастей Case 75XT - (06-15) - PUMP, TANDEM (06) - POWER TRAIN
13
18
17
22
3
5
2
3
4
5
10
15
11
21
9
6
2
7a
24
23
16
9
19
8
12
20
1
14
8
4
7
FIT
1:1
100%

Артикул

Название

Примечание

Количество

*

Rear Pump

1шт.

198150A5

PUMP, HYDRAULIC

Consists Of 198150A4, Consists Of 1 - 24, Includes Figure 06-09, 06-10, 06-12 - 06-17, - JAF0317836

1шт.

394132A1

PUMP, HYDRAULIC

Consists Of 1 - 24, Includes Figure 06-09, 06-10, 06-12 - 06-17, JAF0317837 -, If Used

1шт.

394132A2

PUMP, HYDRAULIC,46 CC

Consists Of 1 - 24, Includes Figure 06-09, 06-10, 06-12 - 06-17, If Used

1шт.

87298030

REMAN-HYD PUMP

Remanufactured HYD PUMP

1шт.

87298031

CORE-HYDRAULIC PUMP

Return No, HYDRAULIC PUMP

1шт.

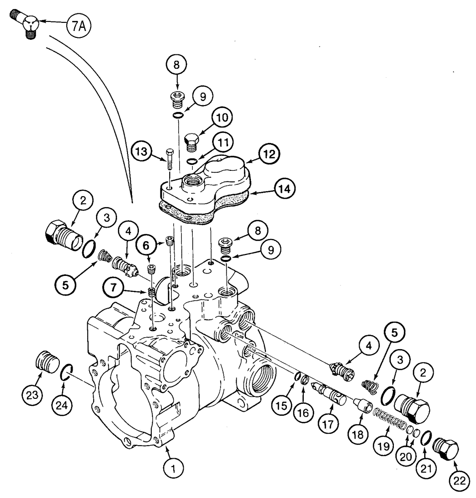
1

303718A1

HOUSING

1шт.

H436101

VALVE POPPET

Includes 2 - 5

2шт.

2

NSS

NOT SOLD SEPARAT

Plug

1шт.

3

237-6012

O-RING,0.116" Thk x 0.924" ID, -912, Cl 6, 90 Duro

1шт.

4

NSS

NOT SOLD SEPARAT

Valve, Relief

1шт.

5

NSS

NOT SOLD SEPARAT

Spring

1шт.

6

F23137

PLUG

1-2шт.

7

H435774

PLUG

- JAF0317836

1шт.

7a

H331884

ELBOW

90 deg, JAF0317837 -

1шт.

8

76349

PLUG,9/16" - 18 ORB

Incl. 9

2шт.

9

237-6006

O-RING,0.078" Thk x 0.468" ID, -906, Cl 6, 90 Duro

1шт.

10

76349

PLUG,9/16" - 18 ORB

Incl. 11

1шт.

11

237-6006

O-RING,0.078" Thk x 0.468" ID, -906, Cl 6, 90 Duro

1шт.

12

101462A1

ADAPTER

1шт.

13

326-516

BOLT,Hex, 5/16" - 18 x 1", Gr 8

3шт.

14

303709A1

GASKET

1шт.

15

238-5012

O-RING,0.07" Thk x 0.364" ID, -12, Cl 5, 75 Duro

1шт.

16

S99877

BACK-UP RING,Split, 9.91mm ID x 12.65mm OD x 1.32mm Thk

1шт.

17

H436099

VALVE

1шт.

18

V38371

VALVE

1шт.

19

244898A1

SPRING

1шт.

20

H407767

KIT

1шт.

21

237-6010

O-RING,0.097" Thk x 0.755" ID, -910, Cl 6, 90 Duro

1шт.

22

N13266

PLUG

1шт.

23

9841223

PLUG,1-1/16" - 12 ORB

Incl. 24

1шт.

24

237-6012

O-RING,0.116" Thk x 0.924" ID, -912, Cl 6, 90 Duro

1шт.

Выбрано товаров: 32