Запчасти Case 75XT (06-10) - PUMP, TANDEM, REAR (06) - POWER TRAIN

Схема запчастей Case 75XT - (06-10) - PUMP, TANDEM, REAR (06) - POWER TRAIN
2
22
8
4
18
20
23
10
17
3
11
2
3
4
13
9
12
14
16
9
15
8
24
7
21
19
5
6
5
1
FIT
1:1
100%

Артикул

Название

Примечание

Количество

394132A2

PUMP, HYDRAULIC,46 CC

Incl. 1 - 24; Incl. 06-06 - 06-10B

1шт.

87298030

REMAN-HYD PUMP

Remanufactured HYDRAULIC PUMP

1шт.

87298031

CORE-HYDRAULIC PUMP

Return Number

1шт.

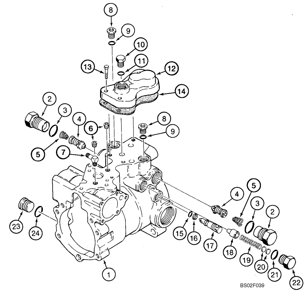
1

303718A1

HOUSING

1шт.

H436101

VALVE POPPET

Incl. 2 - 5

2шт.

2

NSS

NOT SOLD SEPARAT

Plug

1шт.

3

237-6012

O-RING,0.116" Thk x 0.924" ID, -912, Cl 6, 90 Duro

1шт.

4

NSS

NOT SOLD SEPARAT

Valve, Relief

1шт.

5

NSS

NOT SOLD SEPARAT

Spring

1шт.

6

F23137

PLUG

1-2шт.

7

H331884

ELBOW

90 deg

1шт.

8

76349

PLUG,9/16" - 18 ORB

Incl. 9

2шт.

9

237-6006

O-RING,0.078" Thk x 0.468" ID, -906, Cl 6, 90 Duro

1шт.

10

76349

PLUG,9/16" - 18 ORB

Incl. 11

1шт.

11

237-6006

O-RING,0.078" Thk x 0.468" ID, -906, Cl 6, 90 Duro

1шт.

12

101462A1

ADAPTER

1шт.

13

326-516

BOLT,Hex, 5/16" - 18 x 1", Gr 8

3шт.

14

303709A1

GASKET

1шт.

15

238-5012

O-RING,0.07" Thk x 0.364" ID, -12, Cl 5, 75 Duro

1шт.

16

S99877

BACK-UP RING,Split, 9.91mm ID x 12.65mm OD x 1.32mm Thk

Backup

1шт.

17

H436099

VALVE

By-Pass

1шт.

18

V38371

VALVE

Poppet

1шт.

19

244898A1

SPRING

1шт.

20

H407767

KIT

Shim

1шт.

21

237-6010

O-RING,0.097" Thk x 0.755" ID, -910, Cl 6, 90 Duro

1шт.

22

N13266

PLUG

Hex

1шт.

23

9841223

PLUG,1-1/16" - 12 ORB

Incl. 24

1шт.

24

237-6012

O-RING,0.116" Thk x 0.924" ID, -912, Cl 6, 90 Duro

1шт.

Выбрано товаров: 28