Запчасти Case 75XT (06-12) - MOTOR ASSY (Jun 15 2011 1:21PM) (06) - POWER TRAIN

Схема запчастей Case 75XT - (06-12) - MOTOR ASSY (Jun 15 2011 1:21PM) (06) - POWER TRAIN
2
6
7
12
21
1
19
3
10
1
14
13
9
20
10
2a
13
6
22
18
11
9
23
13
24
4
1
7
8
25
5
8
7a
FIT
1:1
100%

Артикул

Название

Примечание

Количество

REF

INSTRUCTION

MODELS WITH HYDRAULIC ACTUATED BRAKE: 442748A1

1шт.

394539A1

MOTOR, HYDRAULIC

Incl. 442747A1, 442748A1

2шт.

87359410

MOTOR, HYDRAULIC

Hydraulic Motor

1шт.

87359410R

REMAN-HYD MOTOR

Remanufactured Hydraulic Motor

1шт.

87359410C

CORE-MOTOR HYDRAULIC

Return Number

1шт.

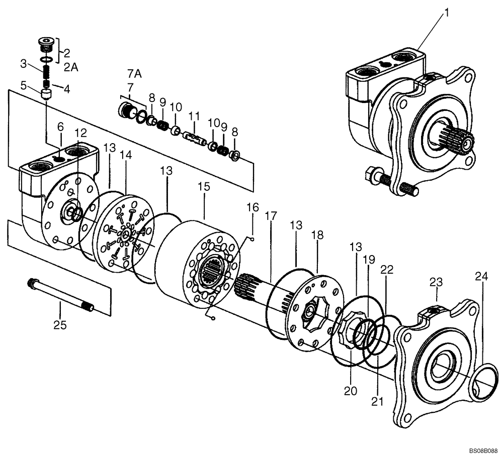
1

442747A1

MOTOR, HYDRAULIC

Incl. 1 - 25

1шт.

87457450

MOTOR, HYDRAULIC

HYDRAULIC MOTOR, Ref 14 & 15 not applicable, Also Order 87603539 if upgrading

1шт.

87457450R

REMAN-HYD MOTOR

1шт.

87457450C

CORE-MOTOR HYDRAULIC

Return Number

1шт.

2

282787A1

PLUG

Incl. 2A

1шт.

2a

NSS

NOT SOLD SEPARAT

O-Ring

1шт.

3

282789A1

SPRING

1шт.

4

282788A1

SHIM

1шт.

5

282790A1

VALVE POPPET

1шт.

6

438424A1

CAP

1шт.

7

282804A1

PLUG

Incl. 7A

1шт.

7a

237-6006

O-RING,0.078" Thk x 0.468" ID, -906, Cl 6, 90 Duro

O-Ring

1шт.

8

438417A1

SLEEVE

2шт.

9

251506A1

SPRING

2шт.

10

251511A1

VALVE POPPET

2шт.

11

365475A1

PISTON ASSY.

1шт.

12

NSS

NOT SOLD SEPARAT

O-Ring

2шт.

13

NSS

NOT SOLD SEPARAT

Seal

5шт.

14

438425A1

PLATE

Valve

1шт.

15

438426A1

GEAR-SET

1шт.

16

140784A1

BALL

2шт.

17

442750A1

DRIVE

1шт.

18

438427A1

PLATE

Thrust; Outer

1шт.

19

442751A1

BACK-UP RING

1шт.

20

438428A1

PLATE

Thrust; Inner

1шт.

21

NSS

NOT SOLD SEPARAT

O-Ring

1шт.

22

NSS

NOT SOLD SEPARAT

O-Ring

1шт.

23

NSS

NOT SOLD SEPARAT

Brake Sub-assembly

1шт.

24

NSS

NOT SOLD SEPARAT

Seal

1шт.

25

438431A1

12 PT SCREW

9шт.

442748A1

BRAKE ASSY.

See Figure 07-02

1шт.

442752A1

KIT

Incl. 2A, 7A, 12, 13, 21, 22, 24

1шт.

87603539

SERVICE KIT

Motor Upgrade kit for 87457450

1шт.

Выбрано товаров: 38