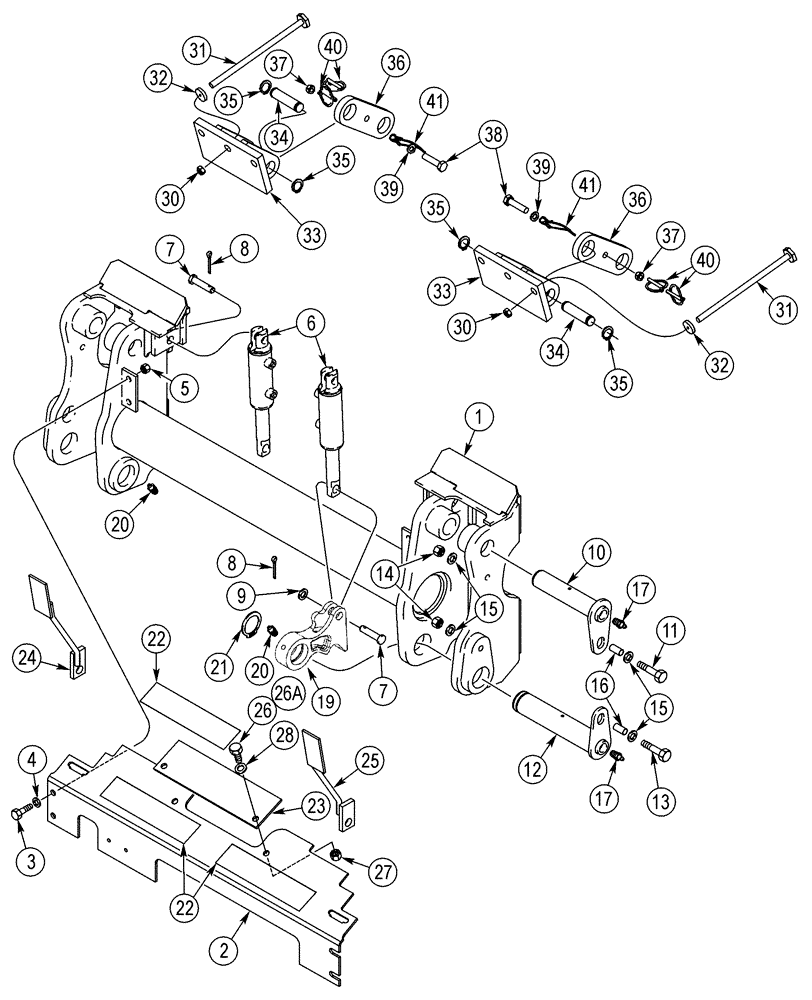
Запчасти Case 85XT (09-05) - COUPLER, HYDRAULIC (09) - CHASSIS

Схема запчастей Case 85XT - (09-05) - COUPLER, HYDRAULIC (09) - CHASSIS
32
6
21
35
41
20
28
13
5
31
25
2
23
26a
34
12
14
19
40
7
14
33
7
36
17
4
35
31
8
37
33
3
35
22
38
26
39
30
15
30
10
40
39
11
20
16
36
41
27
9
17
22
1
37
34
8
32
35
FIT
1:1
100%

Артикул

Название

Примечание

Количество

1

246902A7

FRAME ASSY

For Decals, See Page 9-169, Ref. 15

1шт.

2

275552A2

HALF BLADE

1шт.

3

614-10030

BOLT,Hex, M10 x 1.5 x 30mm, Cl 8.8, Full Thd

4шт.

5

832-41310

NUT,M10 x 1.5, Cl 10

4шт.

6

255866A1

CYLINDER ASSY.

56 mm strk, No Service Parts

2шт.

7

728-1655

CLEVIS PIN,M16 x 55

16 x 55 mm

4шт.

8

733-4032

COTTER PIN,M4 x 32

4шт.

9

896-11016

WASHER,17.5mm ID x 30mm OD x 4mm Thk

2шт.

10

255071A2

PIN,35mm OD x 177mm L

Upper

2шт.

11

814-10045

BOLT,Hex, M10 x 1.5 x 45mm, Cl 8.8

2шт.

12

255073A3

PIN,45mm OD x 255mm L

Lower

2шт.

13

814-10045

BOLT,Hex, M10 x 1.5 x 45mm, Cl 8.8

2шт.

14

832-41310

NUT,M10 x 1.5, Cl 10

4шт.

16

660200R1

SPACER,10.7mm ID x 17.14mm OD x 9.5mm L

4шт.

17

219-1

LUBE NIPPLE,1/8" - 27 NPTF

4шт.

19

300306A1

HOOK

68 mm OD

2шт.

20

219-1

LUBE NIPPLE,1/8" - 27 NPTF

2шт.

21

103-16175

SNAP RING,#175, Ext

2шт.

22

D55216

PAD,2" x 9"

2 x 9 in.

3шт.

23

283549A1

SHEET

1шт.

24

284107A2

LINK ASSY.

Left-Hand, For Decals, See Page 9-169, Ref. 12

1шт.

25

284110A2

INDICATOR

Right-Hand, For Decals, See Page 9-169, Ref. 12

1шт.

26

614-10030

BOLT,Hex, M10 x 1.5 x 30mm, Cl 8.8, Full Thd

2шт.

26a

614-10025

BOLT,Hex, M10 x 1.5 x 25mm, Cl 8.8

Europe Only

2шт.

27

832-41310

NUT,M10 x 1.5, Cl 10

2шт.

See Page(s) 8-39 - 8-65

1шт.

29

293215A1

FRAME ASSY

Europe Only

1шт.

30

832-41312

NUT,M12 x 1.75, Cl 10

Europe Only

4шт.

31

814-12045

BOLT,Hex, M12 x 1.75 x 45mm, Cl 8.8

Europe Only

4шт.

32

895-11012

WASHER,13.5mm ID x 24mm OD x 2.5mm Thk

Europe Only

4шт.

33

372051A2

BRACKET

Bucket Lock, Europe Only

2шт.

34

D138889

PIN,69.98mm OD x 160mm L

Lift Cylinder Pivot, Europe Only

2шт.

35

103-1687

SNAP RING,#87, Ext

Replaces D71829, Europe Only

4шт.

36

405721A1

LINK

Bucket Lock, Europe Only

2шт.

37

832-41310

NUT,M10 x 1.5, Cl 10

Europe Only

2шт.

38

614-10040

BOLT,Hex, M10 x 1.5 x 40mm, Cl 8.8, Full Thd

Europe Only

2шт.

40

A30338

PIN

Europe Only

2шт.

41

L78786

CABLE RETAINER

Europe Only

2шт.

15

895-15010

WASHER,11mm ID x 24mm OD x 2mm Thk

8шт.

4

895-11010

WASHER,11mm ID x 20mm OD x 2mm Thk

8шт.

28

895-11010

WASHER,11mm ID x 20mm OD x 2mm Thk

4шт.

39

895-11010

WASHER,11mm ID x 20mm OD x 2mm Thk

Europe Only

2шт.

Выбрано товаров: 0