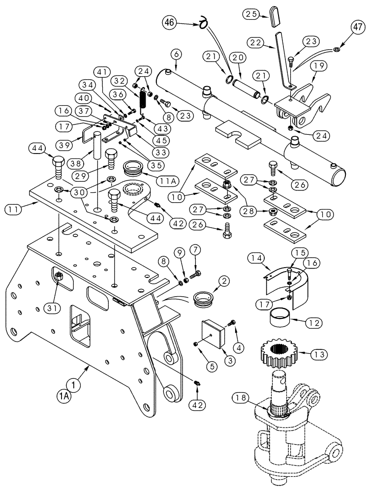
Запчасти Case 85XT (09-55) - BACKHOE BOOM LOCK AND SWING CYLINDER NORTH AMERICA, D125 BACKHOE (09) - CHASSIS

Схема запчастей Case 85XT - (09-55) - BACKHOE BOOM LOCK AND SWING CYLINDER NORTH AMERICA, D125 BACKHOE (09) - CHASSIS
13
19
29
38
18
26
37
7
25
11a
17
8
23
3
5
43
47
27
1a
32
16
22
14
10
20
1
21
27
28
44
42
40
39
17
4
44
21
24
45
11
10
36
12
41
8
34
23
16
2
6
35
26
33
24
42
15
46
9
30
FIT
1:1
100%

Артикул

Название

Примечание

Количество

H674120

FRAME

Consists Of: Ref. 1 and 2, If Used

1шт.

330140A1

FRAME

Consists Of: Ref. 1A and 2, If Used

1шт.

1

NSS

NOT SOLD SEPARAT

FRAME

1шт.

Part of frame P/N H674120

1шт.

1a

NSS

NOT SOLD SEPARAT

FRAME, With Lower Hose Brackets

1шт.

Part of frame P/N 330140A1

1шт.

2

H434397

BUSHING,70.04mm ID x 89mm OD x 32mm L

1шт.

Part of frame P/N H674120

1шт.

Part of frame P/N 330140A1

1шт.

3

D90990

GUARD

2шт.

4

413-616

BOLT,Hex, 3/8" - 16 x 1", Gr 5

2шт.

5

230-42116

LOCK NUT,1"-8, GA

2шт.

6

H673149

CYLINDER ASSY.

Swing, 70 ID x 254 mm strk, See Figure 08-52, No Longer Available, Order 379623A1

1шт.

6

379623A1

CYLINDER ASSY.,Double Acting, 60.8mm Rod, 254mm Stroke

Swing, 70 ID x 254 mm strk, See Figure 08-52

1шт.

7

113-2481

BOLT,Hex, 1/2" - 13 x 1-1/2", Gr 5, Full Thd

2шт.

8

496-21053

WASHER,17/32" x 1 1/16" x .134"

3шт.

9

425-148

JAM NUT,Jam, 1/2"-13, G5

2шт.

10

H437390

LARGE PLATE

PLATE, LARGE

4шт.

11

H674124

PLATE

Includes: Ref. 11A

1шт.

11a

H434397

BUSHING,70.04mm ID x 89mm OD x 32mm L

1шт.

Part of plate P/N H674124

1шт.

12

H437362

SPACER

1шт.

13

H437361

PINION

1шт.

14

H674128

COVER

1шт.

15

413-524

BOLT,Hex, 5/16" - 18 x 1-1/2", Gr 5

3шт.

16

496-11034

WASHER,11/32" x 11/16" x 1/16", HDN

4шт.

17

232-4115

LOCK NUT,5/16"-18, GC

4шт.

18

100-11306

SNAP RING,#306, Ext

1шт.

19

H674110

LATCH

1шт.

20

H437323

PIN,31.8mm OD x 148mm L

1шт.

21

103-16125

SNAP RING,#125, Ext

2шт.

22

H436021

GRIP

1шт.

23

413-824

BOLT,Hex, 1/2" - 13 x 1-1/2", Gr 5

2шт.

24

230-4218

LOCK NUT,1/2"-13, GA

3шт.

25

H33332

GRIP

1шт.

26

413-1232

BOLT,Hex, 3/4" - 10 x 2", Gr 5

8шт.

27

H426817

WASHER

16шт.

28

231-51412

FLANGE NUT,Flg, USR, 3/4"-10

8шт.

29

413-1640

BOLT,Hex, 1" - 8 x 2-1/2", Gr 5

1шт.

30

D36505

WASHER,26.99mm ID x 47.63mm OD x 2.38mm Thk

5шт.

31

230-42116

LOCK NUT,1"-8, GA

5шт.

32

D124939

SPRING

1шт.

33

H438352

HANDLE

1шт.

34

H438354

ANGLE

1шт.

35

230-4214

LOCK NUT,1/4"-20, GA

If Used

2шт.

36

413-520

BOLT,Hex, 5/16" - 18 x 1-1/4", Gr 5

1шт.

37

H93971

SPACER,1/4" Pipe x 7/16"

1шт.

38

H438350

PIN

1шт.

39

H438351

LINK

1шт.

40

432-812

COTTER PIN,3/4" OAL x 1/8" W

2шт.

41

495-11028

WASHER,1/4", SAE

(9/32 x 5/8 x 1/16")

2шт.

42

219-8

LUBE NIPPLE,1/4" - 28 NPTF

2шт.

43

413-416

BOLT,Hex, 1/4" - 20 x 1", Gr 5

If Used

1шт.

44

413-1648

BOLT,Hex, 1" - 8 x 3", Gr 5

4шт.

45

495-11028

WASHER,1/4", SAE

(9/32 x 5/8 x 1/16"), If used

1шт.

46

353055A1

COIL SPRING

1шт.

47

496-21053

WASHER,17/32" x 1 1/16" x .134"

1шт.

Выбрано товаров: 0