Запчасти Case 85XT (04-10) - HARNESS - TURN SIGNAL, FLASHER AND LICENSE PLATE LAMP (04) - ELECTRICAL SYSTEMS

Схема запчастей Case 85XT - (04-10) - HARNESS - TURN SIGNAL, FLASHER AND LICENSE PLATE LAMP (04) - ELECTRICAL SYSTEMS
14
13
16
6
17
11
15
10
4
2
5
8
20
4
7
3
3
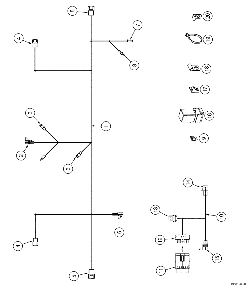
1
12
19
5
9
18
FIT
1:1
100%

Артикул

Название

Примечание

Количество

1

326496A3

HARNESS

Turn Signal

1шт.

2

256344A1

CONNECTOR, ELEC

CONNECTOR Chassis Options

1шт.

3

739070C1

CONNECTOR, ELEC

CONNECTOR

2шт.

4

225326C1

ELEC CONNECTOR,Male, 4 Pin

Electrical; 4 cavity; Turn Signal; Rear; See Figure 04-24

2шт.

5

277905A1

ELEC CONNECTOR,Male, 4 Pin

Turn Signal; Front; See Figure 04-24

2шт.

6

245482C1

ELEC CONNECTOR,2 Pin

License Plate Light; See Figure 04 -21

1шт.

7

631801C1

CONNECTION

Horn

1шт.

8

200329

TERMINAL

CONNECTOR 1/4; Horn

1шт.

9

A149800

FUSE,10 Amp

10 amp

1шт.

10

377811A1

HARNESS

Flasher; Incl. 11 - 15

1шт.

11

131737A1

DIODE

1шт.

12

245488C1

ELEC CONNECTOR,6 Pin

1шт.

13

245731C1

CONNECTOR, ELEC

CONNECTOR

1шт.

14

256351A1

CONNECTOR, ELEC

CONNECTOR

1шт.

15

256350A1

CONNECTOR, ELEC

CONNECTOR

1шт.

16

379112A1

FLASHER UNIT

Turn Signal and Flasher

1шт.

17

H439303

CLIP

8шт.

18

515-2595

CLAMP,3/8", Insul, 1/2" Bolt

3шт.

19

L18337

CABLE TIE,9.95"-12.1" lg

CABLE STRAP 15 in

1шт.

20

515-23159

CLAMP,5/8", Insul, 3/8" Bolt

1шт.

Выбрано товаров: 20