Запчасти Case 85XT (06-04) - HYDROSTATICS - PUMP AND DRIVE MOTORS (Oct 1 2010 9:51AM) (06) - POWER TRAIN

Схема запчастей Case 85XT - (06-04) - HYDROSTATICS - PUMP AND DRIVE MOTORS (Oct 1 2010 9:51AM) (06) - POWER TRAIN
2
8
3
25
23
4
21
10
25
11
9
24
20
22
11
22
4
18
6
16
7
1
13
20
6
19
5
17
2
8
23
14
23
3
12
15
7
FIT
1:1
100%

Артикул

Название

Примечание

Количество

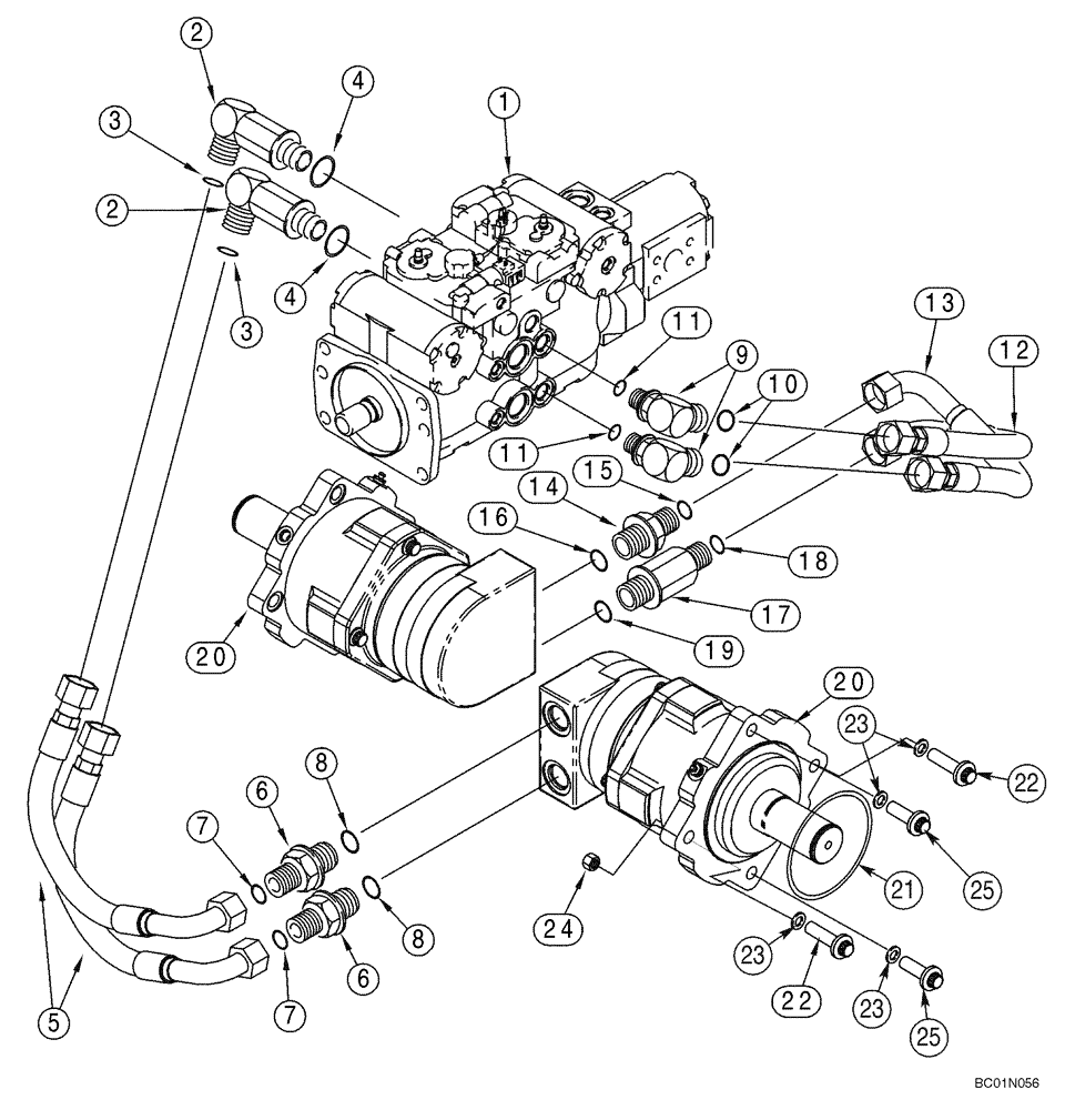
1

433902A1

PUMP

Tandem; See Figure 06-06

1шт.

2

201-379

ELBOW,90 Degree Elbow, 1-7/16" - 12 Male ORFS x 1-5/16" - 12 Male ORB

1-7/16 fc x 1-5/16 Or; Incl. 3, 4

2шт.

3

238-6021

O-RING,15/16 X 1 - 1/16, Cl 6

1шт.

4

237-6016

O-RING,0.116" Thk x 1.171" ID, -916, Cl 6, 90 Duro

1шт.

5

276585A1

HOSE ASSY.,19.05mm ID x 510mm L

510 mm (20-1/8 in)

2шт.

6

201-105

HYD CONNECTOR,1-7/16" - 12 Male ORFS x 1-5/16" - 12 Male ORB

Incl. 7, 8

2шт.

7

238-6021

O-RING,15/16 X 1 - 1/16, Cl 6

1шт.

8

237-6016

O-RING,0.116" Thk x 1.171" ID, -916, Cl 6, 90 Duro

1шт.

9

201-308

ELBOW,90 Degree Elbow, 1-7/16" - 12 Male ORFS x 1-5/16" - 12 Male ORB

1-7/16 fc x 1-5/16 Or; Incl. 10, 11

2шт.

10

238-6021

O-RING,15/16 X 1 - 1/16, Cl 6

1шт.

11

237-6016

O-RING,0.116" Thk x 1.171" ID, -916, Cl 6, 90 Duro

1шт.

12

276583A1

HOSE ASSY.,3.17mm ID x 560mm L

560 mm (22-1/8 in)

1шт.

13

276584A1

HOSE ASSY.,19.05mm ID x 500mm L

500 mm (19-3/4 in)

1шт.

14

201-105

HYD CONNECTOR,1-7/16" - 12 Male ORFS x 1-5/16" - 12 Male ORB

Incl. 15, 16

1шт.

15

238-6021

O-RING,15/16 X 1 - 1/16, Cl 6

1шт.

16

237-6016

O-RING,0.116" Thk x 1.171" ID, -916, Cl 6, 90 Duro

1шт.

17

201-167

HYD CONNECTOR,1 7/16"-12 x 1 5/16"-12, ORFS LG

1-7/16 fc x 1-5/16 Or; Incl. 18, 19

1шт.

18

238-6021

O-RING,15/16 X 1 - 1/16, Cl 6

1шт.

19

237-6016

O-RING,0.116" Thk x 1.171" ID, -916, Cl 6, 90 Duro

1шт.

20

349157A2

MOTOR, HYDRAULIC

See Figure 06-12

2шт.

20

87703266

HYDRAULIC MOTOR

Replaces 349157A2; See Fig 06-18A

2шт.

20

87703266R

REMAN-HYD MOTOR

Remanufactured Hydraulic Motor

2шт.

20

87703266C

CORE-MOTOR HYDRAULIC

Return Number

2шт.

21

238-5433

O-RING,0.275" Thk x 5.475" ID, -433, Cl 5, 75 Duro

2шт.

22

319619A1

BOLT,M16 x 2 x 60mm, Cl 10.9

M16 x 60; 10.9

4шт.

23

496-81004

WASHER,41/64" x 1.047" x .134", HDN

41/64 x 1-15/32 x 5/32

8шт.

24

832-41316

NUT,M16 x 2, Cl 10

4шт.

25

396491A1

BOLT

4шт.

Выбрано товаров: 28