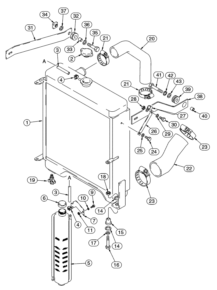
Запчасти Case 90XT (02-01) - RADIATOR COOLANT RECOVERY SYSTEM (02) - ENGINE

Схема запчастей Case 90XT - (02-01) - RADIATOR COOLANT RECOVERY SYSTEM (02) - ENGINE
24
2
31
36
27
25
15
20
19
28
4
22
42
9
43
6
35
14
21
18
1
14
34
5
41
3
30
26
38
11
17
32
23
7
10
23
16
29
39
21
37
4
40
33
3
FIT
1:1
100%

Артикул

Название

Примечание

Количество

1

237992A3

RADIATOR

N.A. Only

1шт.

1

302085A1

RADIATOR

Models With Air Conditioning

1шт.

1

392567A1

RADIATOR

Europe Only

1шт.

2

A170241

RADIATOR CAP

15 psi.

1шт.

3

D65213

FUEL HOSE,7.90 mm ID x 660.40 mm, SAE 30R6

Cut From S120317X

1шт.

4

A171099

HOSE CLAMP,13.2mm - 15.4mm

2шт.

5

227405A3

RESERVOIR

Coolant, Includes: Ref. 6

1шт.

6

257884A1

CAP

1шт.

Part of P/N 227405A3

1шт.

7

227994A2

SEAL

If Used

1шт.

9

120104

BOLT,Hex, M8 x 1.25 x 20mm, Cl 8.8

Models with Air Conditioning

1шт.

9

43127

BOLT,Hex, M8 x 1.25 x 25mm, Cl 8.8

Models with Air Conditioning

1шт.

11

833-41308

SPRING NUT,M8, U

M8, Models With Air Conditioning

1шт.

14

D52275

WASHER,9.92mm ID x 31.75mm OD x 2.78mm Thk

4шт.

15

D52276

ISOLATOR,10.16mm ID x 28.07mm OD x mm L

2шт.

16

814-10045

BOLT,Hex, M10 x 1.5 x 45mm, Cl 8.8

2шт.

18

832-41310

NUT,M10 x 1.5, Cl 10

If Used

2шт.

18

832-41410

NUT,M10 x 1.5, Cl 10

If Used

2шт.

19

217-92

COCK

1/4

1шт.

20

223780A3

LARGE HOSE,45.00 mm ID x 263.00 mm, SAE J20 20R4 Class C OR SAE 20R4 Class D-1 or D-2

HOSE,LARGE Upper, Replaces: 231896A1

1шт.

21

214-1432

HOSE CLAMP,#32, 1.56" - 2.5", Type F Worm

2шт.

22

231897A1

RADIATOR HOSE,58.00 mm ID x 156.00 mm

Lower

1шт.

23

214-1440

HOSE CLAMP,#40, 2.06" - 3", Type F Worm

2шт.

24

120104

BOLT,Hex, M8 x 1.25 x 20mm, Cl 8.8

2шт.

25

896-15008

WASHER,9mm ID x 21mm OD x 2.5mm Thk

9 x 21 x 2.5 mm

2шт.

26

243113A1

PLATE

1шт.

27

515-23127

CLAMP,1/2", Insul, 3/8" Bolt

1шт.

28

825-5148

SERRATED NUT,M8, Flg Ser

1шт.

30

120104

BOLT,Hex, M8 x 1.25 x 20mm, Cl 8.8

1шт.

255431A3

SUPPORT

Consists Of 31 - 33

1шт.

31

255432A3

CLAMP

1шт.

Part of P/N 255431A3

1шт.

32

D132895

GROMMET

1шт.

Part of P/N 255431A3

1шт.

33

D146035

SPACER,10.31mm ID x 16mm OD x 15.5mm L

10.31 x 16 x 15.50 mm

1шт.

Part of P/N 255431A3

1шт.

34

309096A1

SQUARE NUT,Square, M10 x 1.5, LH Thd, Cl 5A

M10, Replaces: 230427A1

1шт.

35

614-10035

BOLT,Hex, M10 x 1.5 x 35mm, Cl 8.8, Full Thd

1шт.

37

T40254

WASHER

1шт.

275317A1

SUPPORT

Consists Of 38 - 40

1шт.

38

NSS

NOT SOLD SEPARAT

BRACKET

1шт.

Part of P/N 275317A1

1шт.

39

D132895

GROMMET

1шт.

Part of P/N 275317A1

1шт.

40

D146035

SPACER,10.31mm ID x 16mm OD x 15.5mm L

10.31 x 16 x 15.50 mm

1шт.

Part of P/N 275317A1

1шт.

41

814-10040

BOLT,Hex, M10 x 1.5 x 40mm, Cl 8.8

1шт.

42

892-11010

LOCK WASHER,M10

1шт.

17

895-15010

WASHER,11mm ID x 24mm OD x 2mm Thk

2шт.

36

895-15010

WASHER,11mm ID x 24mm OD x 2mm Thk

1шт.

43

895-15010

WASHER,11mm ID x 24mm OD x 2mm Thk

1шт.

10

895-15008

WASHER,9mm ID x 20mm OD x 1.6mm Thk

Models with Air Conditioning

1шт.

29

895-15008

WASHER,9mm ID x 20mm OD x 1.6mm Thk

If used

1шт.

Выбрано товаров: 53