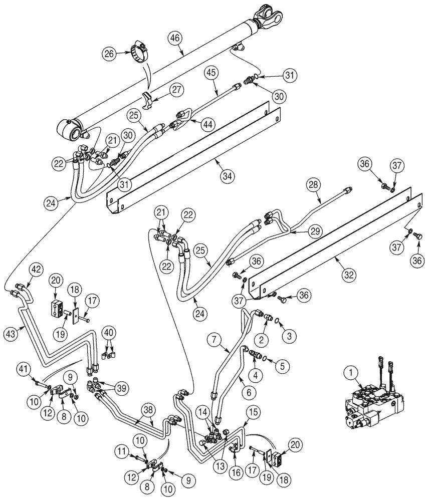
Запчасти Case 90XT (08-03) - HYDRAULICS LOADER LIFT, NORTH AMERICAN MODELS JAF0320050-, EUROPEAN MODELS JAF0274262- (08) - HYDRAULICS

Схема запчастей Case 90XT - (08-03) - HYDRAULICS LOADER LIFT, NORTH AMERICAN MODELS JAF0320050-, EUROPEAN MODELS JAF0274262- (08) - HYDRAULICS
6
15
4
21
8
43
32
26
34
10
20
39
18
36
38
31
28
40
12
3
37
17
44
42
5
36
10
16
37
29
8
24
45
19
19
22
30
9
7
22
17
18
2
36
10
46
12
10
37
27
36
25
41
11
25
13
1
9
21
22
30
14
31
20
24
FIT
1:1
100%

Артикул

Название

Примечание

Количество

1

409062A2

VALVE

Two Spool, Replaces: 409062A1, See Figures 8-17, 8-18, 8-20

1шт.

1

87431787

VALVE

Control; See Figure 08-08, 08-09; If Used; Replaces 409062A2

1шт.

2

218-5062

HYD CONNECTOR,7/8"-14, 37 Degree x 7/8"-14, O-Ring

7/8 fl x or, Includes: Ref. 3

2шт.

3

237-6010

O-RING,0.097" Thk x 0.755" ID, -910, Cl 6, 90 Duro

1шт.

4

218-5107

90 ELBOW,90 Degree Elbow, 7/8" - 14 Male JIC x 7/8" - 14 Male ORB

7/8 fl x adj or, Incl. Ref. 5

1шт.

5

237-6010

O-RING,0.097" Thk x 0.755" ID, -910, Cl 6, 90 Duro

1шт.

6

433090A1

TUBE

Raise

1шт.

7

433093A1

TUBE

Lower

1шт.

8

D120614

CLAMP,25mm W x 68mm L x 9mm Thk

2шт.

9

832-41410

NUT,M10 x 1.5, Cl 10

2шт.

11

814-10045

BOLT,Hex, M10 x 1.5 x 45mm, Cl 8.8

1шт.

12

D120679

CLAMP,Tube, 1/2"

2шт.

13

218-755

CAP,37 Degree, 3/4"-16

Models without Ride Control

2шт.

14

280107A1

TEE

2шт.

15

433096A1

TUBE

Right Hand, Lift

1шт.

16

433099A1

TUBE

Right Hand, Lift

1шт.

17

814-8045

BOLT,Hex, M8 x 1.25 x 45mm, Cl 8.8

2шт.

18

257859A1

PLATE, SPACER,31.8mm W x 68mm L x 4.76mm Thk

PLATE,SPACER

2шт.

19

259905A1

SPACER

2шт.

20

257919A1

CLAMP BRACKET

2 Piece

2шт.

21

218-674

FITTING,Blkhd, 3/4"-16, 37 Degree x 3/4"-16, 37 Degree

3/4 fl x blkhd fl

4шт.

22

218-1255

BHD LOCK NUT,Blkhd, 3/4"-16

4шт.

23

103-3398

SNAP RING,#X98, .822" Dia, E-Type

8шт.

24

321513A2

HOSE ASSY.,12.7mm ID x 910mm L

910 mm (35-7/8 in), Lift Cylinder, Rod End

2шт.

25

321522A2

HOSE ASSY.,12.7mm ID x 850mm L

850 mm (33-1/2 in), Lift Cylinder, Closed End

2шт.

26

214-1452

HOSE CLAMP,#52, 2.81" - 3.75", Type F Worm

2шт.

27

255245A1

BLOCK

2шт.

28

257310A5

HYD TUBE,570, 51 mm Length

Right Hand, Lift Cylinder, Rod End

1шт.

29

301346A2

HYD TUBE

Right Hand, Lift Cylinder, Closed End

1шт.

30

218-5059

HYD CONNECTOR,3/4"-16, 37 Degree x 3/4"-16, O-Ring

Incl. Ref 31

4шт.

31

237-6008

O-RING,0.087" Thk x 0.644" ID, -908, Cl 6, 90 Duro

1шт.

32

301350A1

COVER

Right Hand, Production Only, Order Ref. 33

1шт.

33

319395A1

PROTECTOR

Right Hand, Service Replacement, Not Illustrated

1шт.

34

301351A1

COVER

Left Hand, Production Only, Order Ref. 35

1шт.

35

319394A1

PROTECTOR

Left Hand, Service Replacement, Not Illustrated

1шт.

36

614-10020

BOLT,Hex, M10 x 1.5 x 20mm, Cl 8.8, Full Thd

8шт.

37

896-15010

WASHER,11mm ID x 24mm OD x 3mm Thk

11 x 24 x 3 mm

8шт.

38

419000A1

TUBE

Left Hand, Lift

2шт.

39

218-474

ELBOW,90 Degree Elbow, 3/4" - 16 Male JIC x 3/4" - 16 Male JIC

2шт.

40

515-23127

CLAMP,1/2", Insul, 3/8" Bolt

3шт.

41

814-10050

BOLT,Hex, M10 x 1.5 x 50mm, Cl 8.8

1шт.

42

433084A1

TUBE

Left Hand, Lift

1шт.

43

433086A1

TUBE

1шт.

44

301349A2

TUBE

57 ID x 970 mm strk

2шт.

45

257315A5

TUBE,570, 51 mm Length

1шт.

46

308258A2

CYLINDER ASSY.,Double Acting, 44.4mm Rod, 970mm Stroke

57 ID x 970 mm strk, See Figure 8-24

2шт.

46

308258A2R

REMAN-HYD CYLINDER

90XT

2шт.

46

308258A2C

REMAN-HYD CYLINDER

Return Number

2шт.

10

895-11010

WASHER,11mm ID x 20mm OD x 2mm Thk

4шт.

Выбрано товаров: 0