Запчасти Case 90XT (08-43) - HYDRAULICS, ATTACHMENT HIGH FLOW, GEAR, NORTH AMERICAN MODELS -JAF0320049, EUR. MODELS -JAF0274261 (08) - HYDRAULICS

Схема запчастей Case 90XT - (08-43) - HYDRAULICS, ATTACHMENT HIGH FLOW, GEAR, NORTH AMERICAN MODELS -JAF0320049, EUR. MODELS -JAF0274261 (08) - HYDRAULICS
5
14
16
18
9
3
17
19
1a
4
8
12
13
11
1
10
15
15
6
FIT
1:1
100%

Артикул

Название

Примечание

Количество

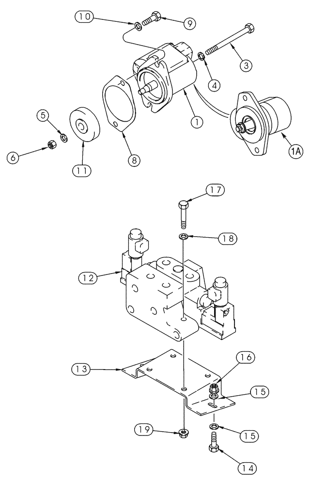
1

113461A1

PUMP, HYDRAULIC

Includes: 2 - 7, No Longer Available, Order 323426A1, Ref. 1A

1шт.

1a

323426A1

PUMP, HYDRAULIC

Consists Of: 361942A1

1шт.

361942A1

SEAL KIT

Consists Of: (1) Oil Seal, (2) Ring Seal, (1) Wearplate, (1) Wearplate, (1) Preload Seal, (1) Load Seal

1шт.

2

NSS

NOT SOLD SEPARAT

SEAL Shaft, Not Illustrated, Order 132967A1

2шт.

3

115115A1

BOLT

M12 x 128; 10.9

4шт.

4

892-11012

LOCK WASHER,M12

4шт.

5

495-11059

WASHER,9/16"

19/32 x 1-5/32 x 3/32

1шт.

6

425-159

JAM NUT,Jam, 9/16"-18, G5

1шт.

7

132967A1

SEAL KIT

Gear Pump, Not Illustrated

1шт.

8

J919601

GASKET

If Used

1шт.

9

627-12035

BOLT,Hex, M12 x 1.75 x 35mm, Cl 10.9, Full Thd

2шт.

10

896-15012

WASHER,13.5mm ID x 28mm OD x 4mm Thk

13.5 x 28 x 4 mm

2шт.

11

J924187

PINION

1шт.

12

227084A1

VALVE

See Figures 8-43 - 8-47

1шт.

13

232665A1

SUPPORT

1шт.

14

627-12035

BOLT,Hex, M12 x 1.75 x 35mm, Cl 10.9, Full Thd

2шт.

15

896-15012

WASHER,13.5mm ID x 28mm OD x 4mm Thk

13.5 x 28 x 4 mm

4шт.

16

832-41312

NUT,M12 x 1.75, Cl 10

2шт.

17

814-10060

BOLT,Hex, M10 x 1.5 x 60mm, Cl 8.8

3шт.

19

832-41310

NUT,M10 x 1.5, Cl 10

3шт.

18

895-15010

WASHER,11mm ID x 24mm OD x 2mm Thk

3шт.

Выбрано товаров: 0