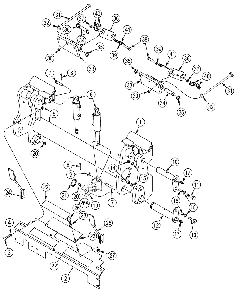
Запчасти Case 90XT (09-03) - COUPLER, HYDRAULIC (09) - CHASSIS

Схема запчастей Case 90XT - (09-03) - COUPLER, HYDRAULIC (09) - CHASSIS
30
19
8
26
9
11
36
35
7
31
34
23
13
14
35
20
5
4
1
17
37
12
27
32
28
41
7
2
30
21
40
10
35
6
26a
40
20
39
32
25
15
38
35
41
22
31
17
39
8
36
34
37
14
15
22
3
33
16
33
FIT
1:1
100%

Артикул

Название

Примечание

Количество

1

246902A7

FRAME ASSY

For Decals, See Page 9-193, Ref. 15

1шт.

2

275552A2

HALF BLADE

1шт.

3

43140

BOLT,Hex, M10 x 1.5 x 30mm, Cl 8.8

4шт.

5

832-41310

NUT,M10 x 1.5, Cl 10

4шт.

6

255866A1

CYLINDER ASSY.

56 mm strk, No Service Parts

2шт.

7

728-1655

CLEVIS PIN,M16 x 55

4шт.

8

733-4032

COTTER PIN,M4 x 32

4шт.

9

86625266

WASHER,17.5mm ID x 30mm OD x 4mm Thk

2шт.

10

255071A2

PIN,35mm OD x 177mm L

Upper

2шт.

11

84062222

BOLT,Hex, M10 x 45mm, Cl 8.8, Full Thd

M10 x 45; 8.8

2шт.

12

255073A3

PIN,45mm OD x 255mm L

Lower

2шт.

13

84062222

BOLT,Hex, M10 x 45mm, Cl 8.8, Full Thd

M10 x 45; 8.8

2шт.

14

832-41310

NUT,M10 x 1.5, Cl 10

4шт.

16

660200R1

SPACER,10.7mm ID x 17.14mm OD x 9.5mm L

4шт.

16

906091R1

SPACER,10.7mm ID x 17.14mm OD x 9.5mm L

3/8 x 0.375 x Strg Pipe; Replaces 660200R1

4шт.

17

80710

LUBE NIPPLE,1/8” – 27 Dryseal PTF

4шт.

19

300306A1

HOOK

68 mm OD

2шт.

20

80710

LUBE NIPPLE,1/8” – 27 Dryseal PTF

2шт.

21

103-16175

SNAP RING,#175, Ext

2шт.

22

D55216

PAD,2" x 9"

2 x 9 in

3шт.

23

283549A1

SHEET

1шт.

24

284107A2

LINK ASSY.

Left Hand, For Decals, See Page 9-193, Ref. 12

1шт.

25

284110A2

INDICATOR

Right Hand, For Decals, See Page 9-193, Ref. 12

1шт.

26

43140

BOLT,Hex, M10 x 1.5 x 30mm, Cl 8.8

2шт.

26a

11106231

BOLT,Hex, M10 x 1.5 x 25mm, Cl 10.9

Europe Only

2шт.

27

832-41310

NUT,M10 x 1.5, Cl 10

2шт.

Europe Only

1шт.

29

293215A1

FRAME ASSY

1шт.

30

832-41312

NUT,M12 x 1.75, Cl 10

4шт.

31

814-12045

BOLT,Hex, M12 x 1.75 x 45mm, Cl 8.8

4шт.

32

895-11012

WASHER,13.5mm ID x 24mm OD x 2.5mm Thk

4шт.

33

372051A2

BRACKET

Bucket Lock

2шт.

34

D138889

PIN,69.98mm OD x 160mm L

Lift Cylinder Pivot

2шт.

35

103-1687

SNAP RING,#87, Ext

Replaces D71829

4шт.

36

405721A1

LINK

Bucket Lock

2шт.

37

832-41310

NUT,M10 x 1.5, Cl 10

2шт.

38

614-10040

BOLT,Hex, M10 x 1.5 x 40mm, Cl 8.8, Full Thd

2шт.

40

A30338

PIN

2шт.

41

L78786

CABLE RETAINER

2шт.

15

895-15010

WASHER,11mm ID x 24mm OD x 2mm Thk

8шт.

4

895-11010

WASHER,11mm ID x 20mm OD x 2mm Thk

8шт.

28

895-11010

WASHER,11mm ID x 20mm OD x 2mm Thk

See Figure 8-15 - 8-17

4шт.

39

895-11010

WASHER,11mm ID x 20mm OD x 2mm Thk

2шт.

Выбрано товаров: 0