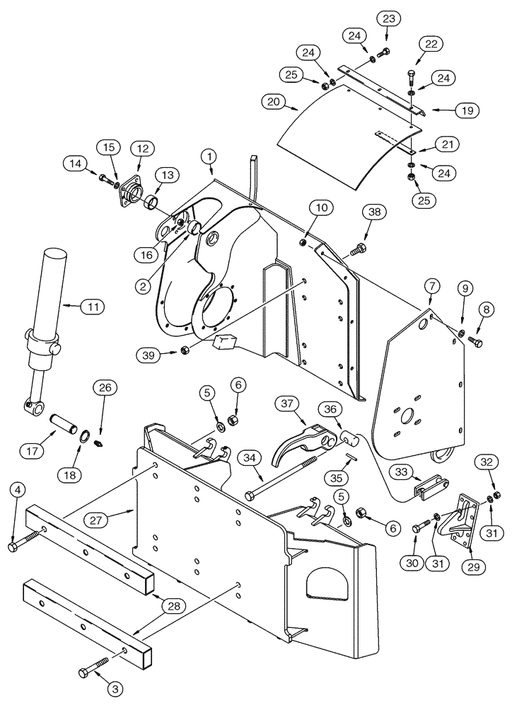
Запчасти Case 90XT (09-64) - TRENCHER FRAME MOUNTING NORTH AMERICA (09) - CHASSIS

Схема запчастей Case 90XT - (09-64) - TRENCHER FRAME MOUNTING NORTH AMERICA (09) - CHASSIS
33
38
24
27
28
3
22
31
25
15
14
7
6
5
18
10
35
20
9
11
1
5
37
25
4
19
21
32
24
34
29
24
24
30
12
26
23
31
8
17
36
16
6
2
39
13
FIT
1:1
100%

Артикул

Название

Примечание

Количество

1

117218A1

FRAME

Includes: Ref 2

1шт.

2

H436164

BUSHING

1шт.

Part of P/N 117218A1

1шт.

3

413-1260

BOLT,Hex, 3/4" - 10 x 3-3/4", Gr 5

4шт.

4

413-1264

BOLT,Hex, 3/4" - 10 x 4", Gr 5

3/4 x 4

2шт.

5

496-11081

WASHER,13/16" x 1 1/2" x .134", HDN

6шт.

6

231-41412

NUT,3/4"-10, GB

3/4

6шт.

7

117217A1

COVER ASSY

1шт.

8

413-820

BOLT,Hex, 1/2" - 13 x 1-1/4", Gr 5

4шт.

9

H274894

WASHER

4шт.

10

232-4118

NUT,1/2"-13, GC

4шт.

11

221700A1

CYLINDER,Double Acting, 44.45mm Rod, 419.1mm Stroke

89 ID x 165 mm strk, See Figure 8-77

1шт.

123494A1

PISTON ASSY

Consists Of: 12, 13

1шт.

12

123495A1

PIVOT

1шт.

Part of P/N 123494A1

1шт.

13

H436164

BUSHING

1шт.

Part of P/N 123494A1

1шт.

14

413-824

BOLT,Hex, 1/2" - 13 x 1-1/2", Gr 5

4шт.

15

H274894

WASHER

4шт.

16

232-4118

NUT,1/2"-13, GC

4шт.

17

221253A1

PIN

1шт.

18

D25279

SNAP RING,M35, Int

2шт.

19

117207A1

BRACKET

1шт.

20

117206A1

DEFLECTOR

1шт.

21

117205A1

LARGE PLATE

PLATE, LARGE

1шт.

22

413-520

BOLT,Hex, 5/16" - 18 x 1-1/4", Gr 5

3шт.

23

413-516

BOLT,Hex, 5/16" - 18 x 1", Gr 5

3шт.

24

496-11034

WASHER,11/32" x 11/16" x 1/16", HDN

6шт.

25

232-4115

LOCK NUT,5/16"-18, GC

6шт.

26

219-1

LUBE NIPPLE,1/8" - 27 NPTF

1шт.

27

251606A1

SUPPORT

1шт.

28

278867A1

SPACER

1шт.

29

226812A2

HOOK

Replaces: 226812A1

2шт.

30

814-12050

BOLT,Hex, M12 x 1.75 x 50mm, Cl 8.8

8шт.

31

896-15012

WASHER,13.5mm ID x 28mm OD x 4mm Thk

13.5 x 28 x 4 mm

16шт.

32

832-41312

NUT,M12 x 1.75, Cl 10

8шт.

33

224029A1

CLEVIS

2шт.

34

828-20260

BOLT,Hex, M20 x 2.5 x 260mm, Cl 10.9

M20 x 260; 10.9

2шт.

35

38-21224

PIN,3/16" x 1 1/2", Coiled

3/16" x 1 1/2", Coiled

2шт.

36

224024A1

PIN,38.1mm OD x 60mm L

2шт.

37

298185A1

HANDLE

Replaces: 226648A1

2шт.

38

413-1220

BOLT,Hex, 3/4" - 10 x 1-1/4", Gr 5

3/4 x 1-1/4

2шт.

39

231-41412

NUT,3/4"-10, GB

3/4

2шт.

Выбрано товаров: 43