Запчасти Case 90XT (09-67) - TRENCHER BOOM MOUNTING NORTH AMERICA (09) - CHASSIS

Схема запчастей Case 90XT - (09-67) - TRENCHER BOOM MOUNTING NORTH AMERICA (09) - CHASSIS
4
9
10
8
1
2
3
5
8
6
11
7
FIT
1:1
100%

Артикул

Название

Примечание

Количество

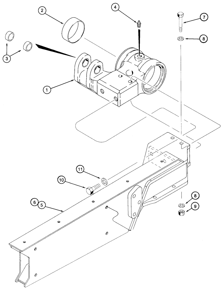
1

116743A1

ANCHOR

1шт.

2

H437509

BUSHING

2шт.

3

D31140

BUSHING,38.33mm ID x 47.63mm OD x 25.4mm L

2шт.

4

219-86

LUBE NIPPLE,1/8" NPTF

1шт.

5

108698A1

BOOM

If Equipped

1шт.

6

112356A1

BOOM

If Equipped, Not Illustrated

1шт.

7

426-12104

BOLT,Hex, 3/4" - 10 x 6-1/2", Gr 8

2шт.

8

D34666

WASHER,33.34mm ID x 63.5mm OD x 2.38mm Thk

4шт.

9

232-41112

NUT,3/4"-10, GC

2шт.

10

426-1632

BOLT,Hex, 1" - 8 x 2", Gr 8

2шт.

11

D36505

WASHER,26.99mm ID x 47.63mm OD x 2.38mm Thk

2шт.

Выбрано товаров: 11