Запчасти Case 90XT (02-19) - WASTEGATE ACTUATOR NORTH AMERICA JAF0245225-, 4T-390 EMISSIONS CERTIFIED ENGINE (02) - ENGINE

Схема запчастей Case 90XT - (02-19) - WASTEGATE ACTUATOR NORTH AMERICA JAF0245225-, 4T-390 EMISSIONS CERTIFIED ENGINE (02) - ENGINE
11
8
4
2
6
7
5
10
9
6
3
1
FIT
1:1
100%

Артикул

Название

Примечание

Количество

J804960

PACKAGE,SERVICE

Consists Of: Ref. 1 - 11, Also Includes: Ref. 1 - 24, See Figure 2-18

1шт.

JR804960

REMAN-TURBOCHARGER

90XT, Aft. PIN JAF0245225 & Aft.

1шт.

JC592206

CORE-TURBOCHARGER

Return Part Number

1шт.

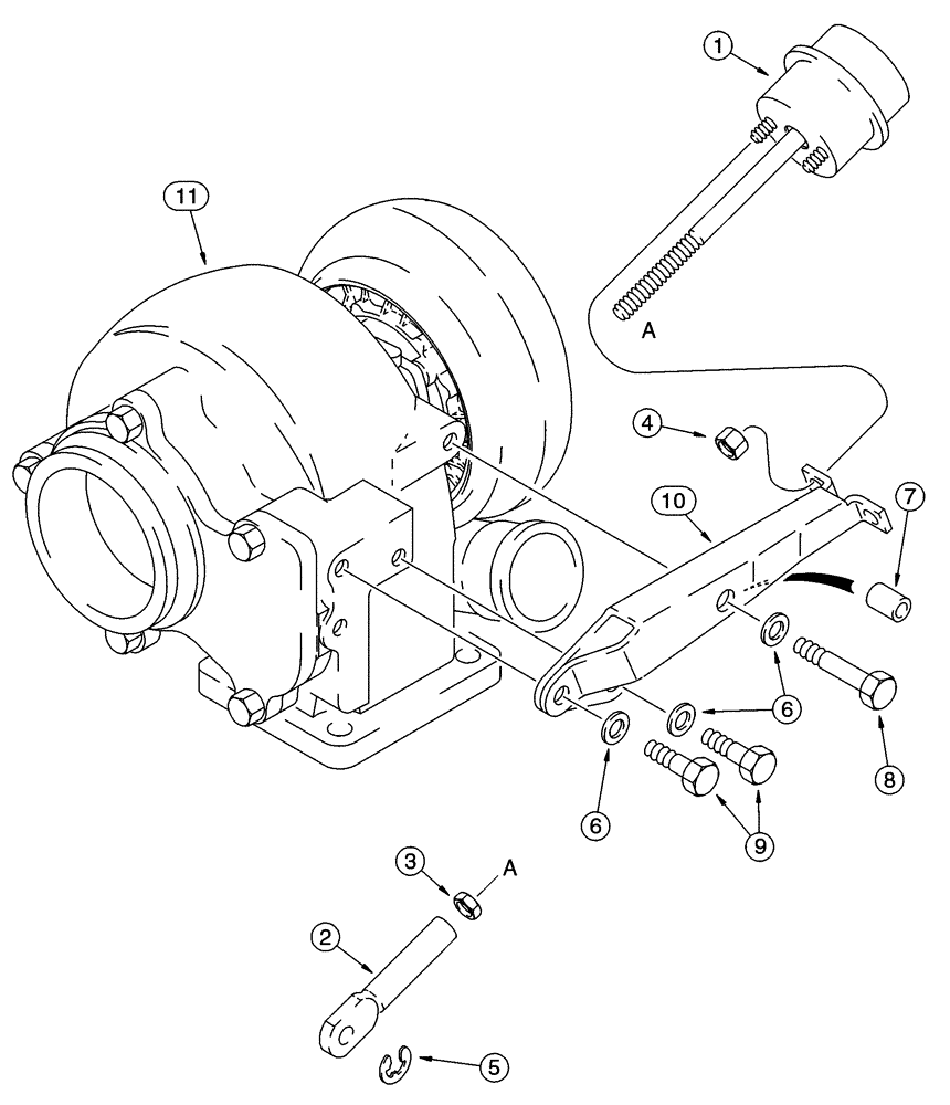
1

J539946

ACTIVATOR

1шт.

2

J528177

LINK

1шт.

3

425-155

JAM NUT,Jam, 5/16"-24, G5

1шт.

4

J528204

LOCK NUT

2шт.

5

J528221

CIRCLIP

1шт.

7

J532195

SPACER,9.38mm ID x 16.03mm OD x 13.7mm L

13.6 mm

1шт.

8

814-8035

BOLT,Hex, M8 x 1.25 x 35mm, Cl 8.8

1шт.

9

614-8020

BOLT,Hex, M8 x 1.25 x 20mm

2шт.

10

J535203

SUPPORT

1шт.

11

NSS

NOT SOLD SEPARAT

HOUSING

1шт.

6

895-11008

WASHER,9mm ID x 16mm OD x 1.6mm Thk

3шт.

Выбрано товаров: 14