Запчасти Case 90XT (04-14) - HARNESS TURN SIGNAL, FLASHER AND LICENSE PLATE LAMP (04) - ELECTRICAL SYSTEMS

Схема запчастей Case 90XT - (04-14) - HARNESS TURN SIGNAL, FLASHER AND LICENSE PLATE LAMP (04) - ELECTRICAL SYSTEMS
4
6
7
12
3
20
19
13
4
1
5
18
3
16
11
5
2
9
10
17
15
14
8
FIT
1:1
100%

Артикул

Название

Примечание

Количество

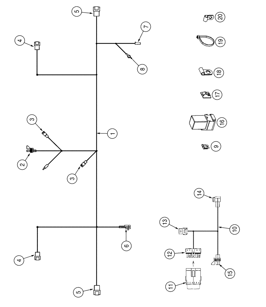
1

326496A3

HARNESS

Turn Signal

1шт.

2

256344A1

CONNECTOR, ELEC

CONNECTOR Chassis Options

1шт.

3

739070C1

CONNECTOR, ELEC

CONNECTOR

2шт.

4

225326C1

ELEC CONNECTOR,Male, 4 Pin

4 Cavity, Turn Signal, Rear, See Page 4-81

2шт.

5

277905A1

ELEC CONNECTOR,Male, 4 Pin

Turn Signal, Front, See Page(s) 4-81

2шт.

6

245482C1

ELEC CONNECTOR,2 Pin

License Plate Light, See Page(s) 4-79

1шт.

7

631801C1

CONNECTION

Horn

1шт.

8

200329

TERMINAL

CONNECTOR 1/4, Horn

1шт.

9

A149800

FUSE,10 Amp

10 amp

1шт.

10

377811A1

HARNESS

Flasher, Includes: Ref. 11 - 15

1шт.

11

131737A1

DIODE

1шт.

Part of P/N 377811A1

1шт.

12

245488C1

ELEC CONNECTOR,6 Pin

1шт.

Part of P/N 377811A1

1шт.

13

245731C1

CONNECTOR, ELEC

CONNECTOR

1шт.

Part of P/N 377811A1

1шт.

14

256351A1

CONNECTOR, ELEC

CONNECTOR

1шт.

Part of P/N 377811A1

1шт.

15

256350A1

CONNECTOR, ELEC

CONNECTOR

1шт.

Part of P/N 377811A1

1шт.

16

379112A1

FLASHER UNIT

Turn Signal and Flasher

1шт.

17

H439303

CLIP

4шт.

18

515-2595

CLAMP,3/8", Insul, 1/2" Bolt

2шт.

19

L18337

CABLE TIE,9.95"-12.1" lg

CABLE STRAP 15 in

1шт.

20

515-2295

CLAMP,3/8", Insul, 5/16" Bolt

6шт.

21

814-8080

BOLT,Hex, M8 x 1.25 x 80mm, Cl 8.8

Not Illustrated

2шт.

22

825-5146

SERRATED NUT,M6, Flg Ser

Not Illustrated

4шт.

Выбрано товаров: 27