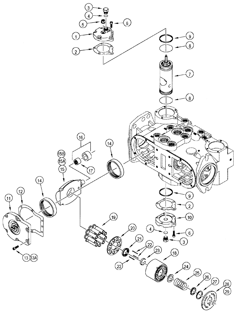
Запчасти Case 95XT (06-17) - TANDEM PUMP, CYLINDER BLOCK AND PISTON (06) - POWER TRAIN

Схема запчастей Case 95XT - (06-17) - TANDEM PUMP, CYLINDER BLOCK AND PISTON (06) - POWER TRAIN
7
13
29
6
13a
22
17
12
25
6
3
14
15b
9
28
2
5
4
1
15
3
8
9
18
14
24
22
16
19
8
15a
20
10
21
2
23
27
11
26
FIT
1:1
100%

Артикул

Название

Примечание

Количество

REF

INSTRUCTION

Pump, Tandem, See Page(s) 6-31, Consists Of 6-33 - 6-45

1шт.

1

291125A1

COVER

Rod End

2шт.

2

373328A1

GASKET

Replaces 233038A1

4шт.

3

9625178

PLUG,9/16" - 18 ORB

Incl. 4

4шт.

5

233029A1

NUT

2шт.

6

233004A1

SCREW

20шт.

259495A1

SET OF PARTS

Consists Of 7 - 9

2шт.

7

NSS

NOT SOLD SEPARAT

Piston

1шт.

233042A1

PACKAGE

Consists Of 8, 9

1шт.

8

238-5139

O-RING,0.103" Thk x 2.175" ID, -139, Cl 5, 75 Duro

2шт.

9

291278A1

PISTON RING

2шт.

10

233047A1

COVER

Plain End

2шт.

11

259479A1

COVER

2шт.

12

373327A1

GASKET

Replaces 259493A1

2шт.

13

259480A1

SCREW

Component of 259623A1, See Page(s) 6-31

12шт.

13a

324791A1

SCREW

Component of 320269A1, 349475A1, See Page(s) 6-31

12шт.

14

233009A1

BEARING, NEEDLE

4шт.

15

233010A1

LARGE PLATE

PLATE, LARGE Component of 259623A1, See Page(s) 6-31

2шт.

15a

324793A1

PLATE

Component of 320269A1, 349475A1, See Page(s) 6-31

2шт.

15b

373330A1

PLATE

Component of 357006A, 357009A1

2шт.

16

291114A1

BEARING ASSY

Includes 17

2шт.

17

233012A1

BEARING, NEEDLE

1шт.

233039A1

PACKAGE

Consists Of 18 - 27

2шт.

18

NSS

NOT SOLD SEPARAT

Block

1шт.

19

291277A1

PISTON

9шт.

20

291276A1

LARGE PLATE

PLATE, LARGE

1шт.

21

291275A1

GUIDE

1шт.

22

291274A1

PIN

3шт.

23

117382A1

SPLIT PIN/SAFETY PIN

1шт.

24

115950A1

WASHER

1шт.

25

176373A1

SPRING

1шт.

26

176372A1

WASHER

1шт.

27

102-22162

SNAP RING,43.20mm ID, Int, Spiral

1шт.

28

233008A1

LARGE PLATE

PLATE, LARGE Front Pump

1шт.

29

233005A1

LARGE PLATE

PLATE, LARGE Rear Pump

1шт.

4

237-6006

O-RING,0.078" Thk x 0.468" ID, -906, Cl 6, 90 Duro

1шт.

Выбрано товаров: 36