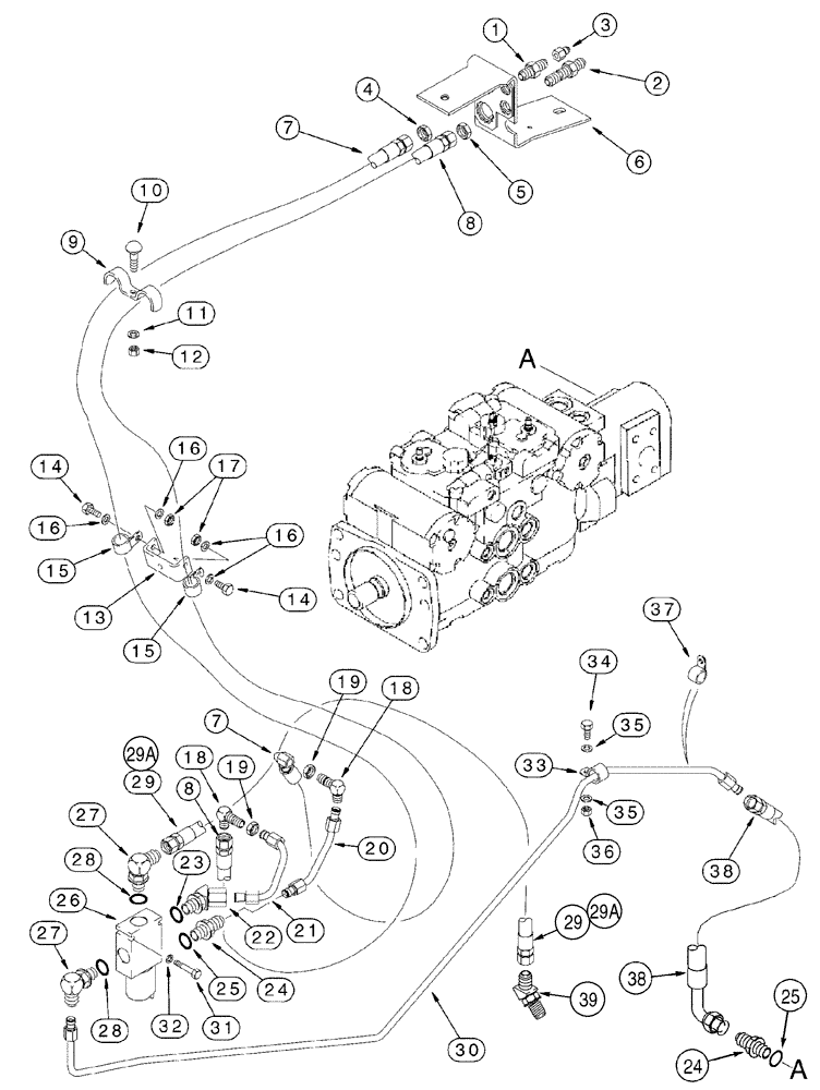
Запчасти Case 95XT (08-09) - HYDRAULICS, COUPLER SYSTEM, GEAR PUMP TO HOSE MOUNTING BRACKET (N.A. -JAF0311356 / EUR. -JAF0274359) (08) - HYDRAULICS

Схема запчастей Case 95XT - (08-09) - HYDRAULICS, COUPLER SYSTEM, GEAR PUMP TO HOSE MOUNTING BRACKET (N.A. -JAF0311356 / EUR. -JAF0274359) (08) - HYDRAULICS
14
15
29a
11
29a
28
6
19
29
7
20
37
38
8
27
21
18
24
16
35
25
23
7
8
18
9
31
28
4
33
32
13
39
34
14
25
17
2
16
38
29
35
36
24
1
26
16
15
10
27
22
30
3
5
19
12
FIT
1:1
100%

Артикул

Название

Примечание

Количество

1

218-671

FITTING,Blkhd, 7/16"-20, 37 Degree x 7/16"-20, 37 Degree

7/16 fl x blkhd fl, Used With 301868A1, See Page(s) 8-53, Rer. 24A

1шт.

2

218-673

FITTING,Blkhd, 9/16"-18, 37 Degree x 9/16"-18, 37 Degree

FIT STL BULKHD .375MJ .375MJ

1шт.

3

296606A1

REDUCER

1шт.

4

218-1252

BHD LOCK NUT,Blkhd, 7/16"-20

1-1/16

1шт.

5

218-1254

LOCK NUT,Blkhd, 9/16"-18

1шт.

6

301874A1

BRACKET

1шт.

7

296675A1

HOSE ASSY.

3252 mm (128-1/8 in), Upper

1шт.

8

257759A1

HYDRAULIC HOSE

3252 mm (128-1/8 in), Lower

1шт.

9

D47783

CLAMP

1шт.

10

811-8030

CARRIAGE BOLT,Sht Sq Nk, M8 x 1.25 x 30mm, Cl 8.8

1шт.

12

832-41308

NUT,M8 x 1.25, Cl 10

1шт.

13

276726A1

SUPPORT

1шт.

14

614-8020

BOLT,Hex, M8 x 1.25 x 20mm

2шт.

15

515-22127

CLAMP,1/2", Insul, 5/16" Bolt

2шт.

17

832-41308

NUT,M8 x 1.25, Cl 10

2шт.

18

218-693

ELBOW,90 Degree Blkhd, 9/16"-18, 37 Degree x 9/16"-18, 37 Degree

2шт.

19

218-1254

LOCK NUT,Blkhd, 9/16"-18

2шт.

20

301865A1

TUBE,98, 113 mm Length

Lower

1шт.

21

257754A2

TUBE

Upper

1шт.

22

218-5135

ELBOW,45 Degree Elbow, 9/16" - 18 Male JIC x 9/16" - 18 Male ORB

Incl. 23

1шт.

24

218-5057

HYD CONNECTOR,9/16" - 18 JIC x 9/16" - 18 ORB

Incl. 25

2шт.

26

187505C91

VALVE

See Page 06-23

1шт.

27

218-5105

ELBOW,90 Degree Elbow, 9/16" - 18 Male JIC x 9/16" - 18 Male ORB

9/16 fl x adj Or, Includes 28

2шт.

29

257758A1

HYDRAULIC HOSE

465 mm (18-5/16 in)

1шт.

29a

335962A1

HOSE ASSY.

1200 mm (47-1/4 in), If Used

1шт.

30

301856A1

TUBE,1192, 99 mm Length

1шт.

31

814-6045

BOLT,Hex, M6 x 1 x 45mm, Cl 8.8

2шт.

32

895-11006

WASHER,6.6mm ID x 12mm OD x 1.6mm Thk

2шт.

33

515-2295

CLAMP,3/8", Insul, 5/16" Bolt

1шт.

34

614-8020

BOLT,Hex, M8 x 1.25 x 20mm

1шт.

36

832-41308

NUT,M8 x 1.25, Cl 10

1шт.

37

515-2595

CLAMP,3/8", Insul, 1/2" Bolt

1шт.

38

275379A1

HOSE ASSY.

390 mm (15-3/8 in)

1шт.

39

218-5136

ELBOW,45 Degree Elbow, 3/4" - 16 Male JIC x 3/4" - 16 Male ORB

Use with 335962A1, See Page(s) 9-17, Ref 29A

1шт.

40

394910A1

HARNESS

Flyback Diode Jumper, Not Illustrated

1шт.

41

259347A1

HARNESS

Hydraulic Coupler, Not Illustrated, See Page(s) 4-45

1шт.

35

895-15008

WASHER,9mm ID x 20mm OD x 1.6mm Thk

2шт.

11

895-11008

WASHER,9mm ID x 16mm OD x 1.6mm Thk

1шт.

16

895-11008

WASHER,9mm ID x 16mm OD x 1.6mm Thk

4шт.

23

237-6006

O-RING,0.078" Thk x 0.468" ID, -906, Cl 6, 90 Duro

1шт.

25

237-6006

O-RING,0.078" Thk x 0.468" ID, -906, Cl 6, 90 Duro

1шт.

28

237-6006

O-RING,0.078" Thk x 0.468" ID, -906, Cl 6, 90 Duro

1шт.

Выбрано товаров: 42