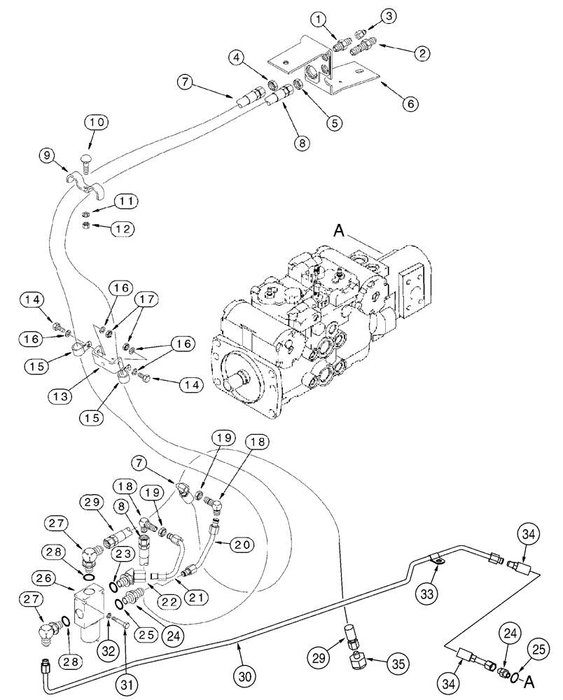
Запчасти Case 95XT (08-10) - HYDRAULICS, COUPLER SYSTEM, GEAR PUMP TO HOSE MOUNTING BRACKET (N.A. JAF0311357- / EUR. JAF0274360-) (08) - HYDRAULICS

Схема запчастей Case 95XT - (08-10) - HYDRAULICS, COUPLER SYSTEM, GEAR PUMP TO HOSE MOUNTING BRACKET (N.A. JAF0311357- / EUR. JAF0274360-) (08) - HYDRAULICS
21
1
11
8
13
16
27
8
23
14
16
28
25
35
25
20
18
27
29
14
3
24
19
19
15
34
24
5
16
9
32
29
15
7
4
31
28
33
10
30
7
17
26
18
6
2
22
34
12
FIT
1:1
100%

Артикул

Название

Примечание

Количество

1

218-671

FITTING,Blkhd, 7/16"-20, 37 Degree x 7/16"-20, 37 Degree

7/16 fl x blkhd fl, Used With 436651A1, See Page(s) 8-57, Ref. 24

1шт.

2

218-673

FITTING,Blkhd, 9/16"-18, 37 Degree x 9/16"-18, 37 Degree

FIT STL BULKHD .375MJ .375MJ

1шт.

3

296606A1

REDUCER

1шт.

4

218-1252

BHD LOCK NUT,Blkhd, 7/16"-20

1-1/16

1шт.

5

218-1254

LOCK NUT,Blkhd, 9/16"-18

1шт.

6

301874A1

BRACKET

1шт.

7

296675A1

HOSE ASSY.

3252 mm (128-1/8 in), Upper

1шт.

8

257759A1

HYDRAULIC HOSE

3252 mm (128-1/8 in), Lower

1шт.

9

D47783

CLAMP

1шт.

10

811-8030

CARRIAGE BOLT,Sht Sq Nk, M8 x 1.25 x 30mm, Cl 8.8

1шт.

12

832-41408

NUT,M8 x 1.25, Cl 10

M8

1шт.

13

276726A1

SUPPORT

1шт.

14

614-8020

BOLT,Hex, M8 x 1.25 x 20mm

2шт.

15

515-22127

CLAMP,1/2", Insul, 5/16" Bolt

2шт.

17

832-41408

NUT,M8 x 1.25, Cl 10

M8

2шт.

18

218-693

ELBOW,90 Degree Blkhd, 9/16"-18, 37 Degree x 9/16"-18, 37 Degree

2шт.

19

218-1254

LOCK NUT,Blkhd, 9/16"-18

2шт.

20

301865A2

TUBE,98, 113 mm Length

Lower

1шт.

21

257754A3

TUBE

Upper

1шт.

22

218-5135

ELBOW,45 Degree Elbow, 9/16" - 18 Male JIC x 9/16" - 18 Male ORB

Incl. 23

1шт.

24

218-5057

HYD CONNECTOR,9/16" - 18 JIC x 9/16" - 18 ORB

Incl. 25

2шт.

26

187505C91

VALVE

See Page 06-23

1шт.

27

218-5105

ELBOW,90 Degree Elbow, 9/16" - 18 Male JIC x 9/16" - 18 Male ORB

9/16 fl x adj Or, Includes 28

2шт.

29

417481A1

HOSE ASSY.

460 mm (18-1/8 in)

1шт.

30

430829A1

TUBE

1шт.

31

814-6045

BOLT,Hex, M6 x 1 x 45mm, Cl 8.8

2шт.

32

895-11006

WASHER,6.6mm ID x 12mm OD x 1.6mm Thk

2шт.

33

515-2495

CLAMP,3/8", Insul, 7/16" Bolt

1шт.

34

275379A1

HOSE ASSY.

390 mm (15-3/8 in)

1шт.

35

218-766

REDUCER,37 Degree, 1 1/16"-12, Fem x 9/16"-18 Male

3/4 x 3/8, Use With 335962A1, See Page(s) 9-17, Ref. 29A

1шт.

36

394910A1

HARNESS

Flyback Diode Jumper, Not Illustrated

1шт.

37

259347A1

HARNESS

Hydraulic Coupler, Not Illustrated, See Page(s) 4-45

1шт.

11

895-11008

WASHER,9mm ID x 16mm OD x 1.6mm Thk

1шт.

16

895-11008

WASHER,9mm ID x 16mm OD x 1.6mm Thk

4шт.

23

237-6006

O-RING,0.078" Thk x 0.468" ID, -906, Cl 6, 90 Duro

1шт.

25

237-6006

O-RING,0.078" Thk x 0.468" ID, -906, Cl 6, 90 Duro

1шт.

28

237-6006

O-RING,0.078" Thk x 0.468" ID, -906, Cl 6, 90 Duro

1шт.

Выбрано товаров: 37