Запчасти Case 95XT (88.035.01) - DIA KIT, SINGLE HYDRAULIC SELF-LEVEL (08) - HYDRAULICS

Схема запчастей Case 95XT - (88.035.01) - DIA KIT, SINGLE HYDRAULIC SELF-LEVEL (08) - HYDRAULICS
7
17
16
2
6
11
home
15
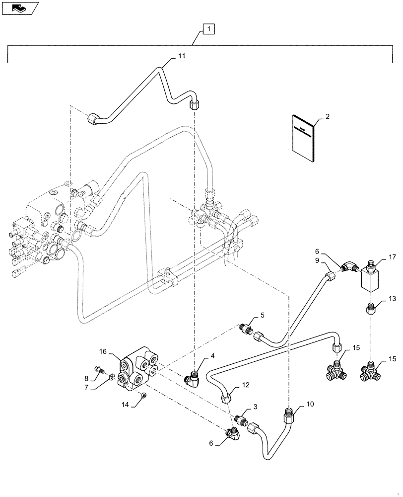
1
9
3
6
12
14
5
10
13
15
8
4
FIT
1:1
100%

Артикул

Название

Примечание

Количество

1

87425410

DIA KIT, ADD PROD

Installation Single Hydraulic Self - Level, Incl 2 - 17

1шт.

2

6-79910

INSTRUCTION

Installation

1шт.

3

86071

HYD CONNECTOR,7/8" - 14 JIC x 3/4" - 16 ORB

Boss 10 - 8

1шт.

4

86527

90 ELBOW,7/8" - 14 JIC x 3/4" - 16 ORB

Boss

1шт.

5

128818

UNION,3/4" - 16 ORB x 3/4" - 16 JIC

1шт.

6

128830

90 ELBOW,3/4" - 16 JIC x 3/4" - 16 ORB

Boss 08

2шт.

7

140016

WASHER,M8 x 16mm OD x 1.6mm Thk

2шт.

8

412479

BOLT,Hex, M8 x 1.25 x 35mm, Cl 8.8

2шт.

9

87425439

TUBE,12.7 mm OD x 382, 115 mm L

1шт.

10

87425441

HYD TUBE,15.88 mm OD

1шт.

11

87425442

HYD TUBE,15.88 mm OD x 481.2, 239 mm L

1шт.

12

87434411

HYD TUBE,12.7 mm OD

1шт.

13

1327736C1

ELBOW

Connector, Hydraulic

1шт.

14

229197A1

SQUARE NUT,M8 x 1.25, Cl 8

2шт.

15

280107A1

TEE

Union W/Side Outlet

2шт.

16

280126A2

VALVE

Self Level

1шт.

17

294650A1

VALVE

In - Line Relief

1шт.

Выбрано товаров: 17