Запчасти Case 95XT (09-71) - TRENCHER BOOM MOUNTING (NORTH AMERICA) (09) - CHASSIS/ATTACHMENTS

Схема запчастей Case 95XT - (09-71) - TRENCHER BOOM MOUNTING (NORTH AMERICA) (09) - CHASSIS/ATTACHMENTS
6
9
4
8
27
16
5
19
28
3
20
21
25
28
24
14
12
8
23
1
13
7
18
11
17
7
27
20
10
6
22
29
15
14
26
15
16
2
17
4
FIT
1:1
100%

Артикул

Название

Примечание

Количество

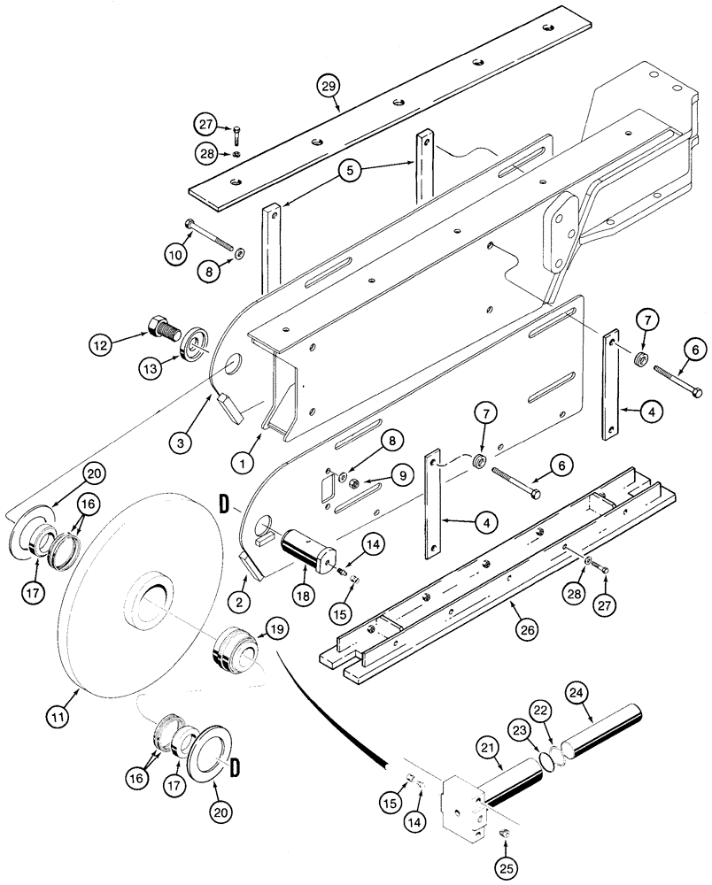
1

112356A1

BOOM

Rock, 5 Foot

1шт.

2

112665A1

PLATE

Left Hand

1шт.

3

121502A1

PLATE

Right Hand

1шт.

4

101563A1

BAR

2шт.

5

101562A1

BAR

2шт.

6

413-1072

BOLT,Hex, 5/8" - 11 x 4-1/2", Gr 5

4шт.

7

H434670

LOCK WASHER

4шт.

8

H274894

WASHER

4шт.

9

232-4118

NUT,1/2"-13, GC

2шт.

10

413-868

BOLT,Hex, 1/2" - 13 x 4-1/4", Gr 5

2шт.

11

H675070

ROLLER

1шт.

12

413-1224

BOLT,Hex, 3/4" - 10 x 1-1/2", Gr 5

1шт.

13

139027A1

WASHER,19.45mm ID x 76.2mm OD x 13mm Thk

1шт.

14

219-66

LUBE NIPPLE,1/8"-27 NPT, Dustproof

Includes 15

2шт.

15

NSS

NOT SOLD SEPARAT

Cap

1шт.

16

H435218

SEAL

4шт.

17

H438569

SPACER

2шт.

18

H438570

PIN,63.5mm OD x 104.5mm L

1шт.

19

H759118

BEARING ASSY,52.4mm ID x 92.1mm OD x 54.75mm W

1шт.

20

H435229

WASHER,80.2mm ID x 140mm OD x 1.58mm Thk

2шт.

21

H674743

CYLINDER ASSY.,44.46mm Bore Dia

1шт.

22

H755009

RING

1шт.

23

238-6327

O-RING,0.21" Thk x 1.725" ID, -327, Cl 6, 90 Duro

1шт.

24

H434551

ROD

1шт.

25

H114728

PLUG

1шт.

26

101570A1

CHANNEL

1шт.

27

413-616

BOLT,Hex, 3/8" - 16 x 1", Gr 5

16шт.

28

496-21041

WASHER,13/32" x 13/16" x .089", HDN

16шт.

29

112357A1

BAR

1шт.

Выбрано товаров: 29