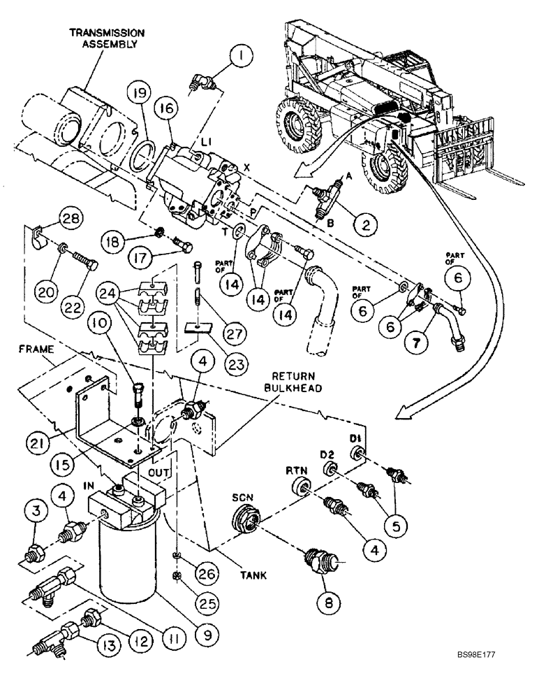
Запчасти Case 686G (8-04) - HYDRAULIC FITTINGS AT PUMP & FILTER (ALL 686G MODELS; BSN 686GXR JFE0001848; 688G JFE0003613) (08) - HYDRAULICS

Схема запчастей Case 686G - (8-04) - HYDRAULIC FITTINGS AT PUMP & FILTER (ALL 686G MODELS; BSN 686GXR JFE0001848; 688G JFE0003613) (08) - HYDRAULICS
13
26
7
21
6
19
24
10
18
4
1
15
6
14
5
25
28
23
14
12
8
4
2
3
22
14
4
27
17
11
6
9
16
20
FIT
1:1
100%

Артикул

Название

Примечание

Количество

1

318092A1

ADAPTER

1шт.

2

318091A1

TEE

1шт.

3

316968A1

REDUCER

1шт.

4

309963A1

ADAPTER

3шт.

5

318086A1

ADAPTER

2шт.

6

317881A1

ADAPTER

1шт.

7

317888A1

ADAPTER

1шт.

8

218-541

ELBOW,45 Degree, 2 1/2"-12, 37 Degree x 2"-11 1/2, NPTF

45 deg, 2-1/2-12 fl x 2 in PT

1шт.

686G Models

1шт.

8

218-5371

ELBOW,45 Degree, 2 1/2"-12 NPTF x 2 1/2"-12, 37 Degree

45 degree, 2-1/2 fl x OR

1шт.

9

317111A1

FILTER

Hydraulic Return

1шт.

Incl. 9A

1шт.

9a

H439069

FILTER, ELEMENT

ELEMENT, FILTER

1шт.

10

426-616

BOLT,Hex, 3/8" - 16 x 1", Gr 8

2шт.

11

318099A1

TEE

1шт.

12

318101A1

REDUCER

1шт.

13

309949A1

TEE

1шт.

14

318082A1

ADAPTER

1шт.

15

495-11041

WASHER,0.406" ID x 0.812" OD x 0.065" W

(13/32 x 13/16 x 1/16")

2шт.

16

317029A1

PUMP

Hydraulic Oil

1шт.

See Figures 8-44 and 8-46

1шт.

17

426-840

BOLT,Hex, 1/2" - 13 x 2-1/2", Gr 8

4шт.

18

896-11012

WASHER,13.5mm ID x 24mm OD x 3mm Thk

4шт.

19

238-5048

O-RING,0.07" Thk x 4.739" ID, -48, Cl 5, 75 Duro

1шт.

21

317425A1

BRACKET

1шт.

22

614-10020

BOLT,Hex, M10 x 1.5 x 20mm, Cl 8.8, Full Thd

2шт.

23

310084A1

PLATE

1шт.

For 686G only

1шт.

24

309944A1

CLAMP

4шт.

For 686G only

1шт.

25

829-1406

NUT,Hex, M6 x 1, Cl 10.9

1шт.

For 686G only

1шт.

26

895-11006

WASHER,6.6mm ID x 12mm OD x 1.6mm Thk

1шт.

For 686G only

1шт.

27

814-6070

BOLT,Hex, M6 x 1 x 70mm, Cl 8.8

M6 x 70

1шт.

For 686G only

1шт.

28

326689A1

CLAMP

1шт.

For 686G only

1шт.

29

386989A1

HARNESS

Brake Pressure

1шт.

Not Illustrated

1шт.

686G P.I.N. JFE0001501 - JFE0001847

1шт.

688G P.I.N. JFE0003501 - JFE0003612

1шт.

30

387759A1

SWITCH

Pressure

1шт.

Not Illustrated

1шт.

686GXR P.I.N. JFE0001501 - JFE0001847

1шт.

688G P.I.N. JFE0003501 - JFE0003612

1шт.

20

895-11010

WASHER,11mm ID x 20mm OD x 2mm Thk

2шт.

Выбрано товаров: 47