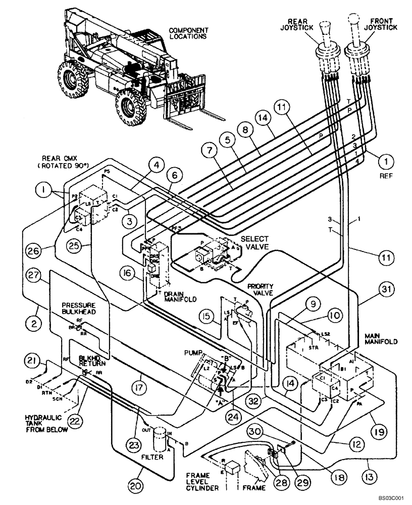
Запчасти Case 686G (8-06) - BASIC HYDRAULIC CIRCUIT (ALL 686G MODELS) (08) - HYDRAULICS

Схема запчастей Case 686G - (8-06) - BASIC HYDRAULIC CIRCUIT (ALL 686G MODELS) (08) - HYDRAULICS
11
27
25
5
23
1
6
11
3
19
8
30
2
28
24
20
14
18
22
10
29
13
4
9
15
17
31
12
1
16
14
32
21
26
7
FIT
1:1
100%

Артикул

Название

Примечание

Количество

1

317498A1

HOSE ASSY.

3581 mm (141 inch)

2шт.

2

326694A1

HOSE ASSY.

2477 mm (97-1/2 inch)

1шт.

For 686G Series 1

1шт.

2

317501A1

HOSE ASSY.

2515 mm (99 inch)

1шт.

For 686G Series 2

1шт.

3

317474A1

HOSE ASSY.

3861 mm (152 inch)

1шт.

4

317495A1

HOSE ASSY.

3505 mm (138 inch)

1шт.

5

316995A1

HOSE ASSY.

1219 mm (48 inch)

1шт.

6

317476A1

HOSE ASSY.

3988 mm (157 inch)

1шт.

7

317477A1

HOSE ASSY.

1384 mm (54-1/2 inch)

1шт.

8

317469A1

HOSE ASSY.

1143 mm (45 inch)

1шт.

9

317465A1

HOSE ASSY.

470 mm (18-1/2 inch)

1шт.

10

326695A1

HOSE ASSY.

711 mm (28 inch)

1шт.

For 686G Series 1

1шт.

10

317467A1

HOSE ASSY.

737 mm (29 inch) long

1шт.

For 686G Series 2

1шт.

11

326696A1

HOSE ASSY.

1829 mm (72 inch)

2шт.

For 686G Series 1

1шт.

11

317472A1

HOSE ASSY.

2007 mm (79 inch)

2шт.

For 686G Series 2

1шт.

12

326697A1

HOSE ASSY.

914 mm (36 inch)

1шт.

For 686G Series 1

1шт.

12

317452A1

HOSE ASSY.

762 mm (30 inch)

1шт.

For 686G Series 2

1шт.

13

326698A1

HOSE ASSY.

1219 mm (48 inch)

1шт.

For 686G Series 1

1шт.

13

316978A1

HOSE ASSY.

1372 mm (54 inch)

1шт.

For 686G Series 2

1шт.

14

326699A1

HOSE ASSY.

1626 mm (64 inch)

2шт.

15

317492A1

HOSE ASSY.

546 mm (21-1/2 inch)

1шт.

16

317493A1

HOSE ASSY.

1194 mm (47 inch)

1шт.

17

326700A1

HOSE ASSY.

635 mm (25 inch)

1шт.

For 686G Series 1

1шт.

17

317500A1

HOSE ASSY.

1219 mm (48 inch)

1шт.

For 686G Series 2

1шт.

18

326691A1

HOSE ASSY.

1168 mm (46 inch)

1шт.

For 686G Series 1

1шт.

18

316979A1

HOSE ASSY.

1245 mm (49 inch)

1шт.

For 686G Series 2

1шт.

19

317479A1

HOSE ASSY.

521 mm (20-1/2 inch)

1шт.

20

317497A1

HOSE ASSY.

495 mm (19-1/2 inch)

1шт.

21

316958A1

HOSE ASSY.

991 mm (39 inch)

1шт.

22

326702A1

HOSE ASSY.

889 mm (35 inch)

1шт.

23

326703A1

HOSE ASSY.

1шт.

For 686G Series 1

1шт.

23

317405A1

HOSE ASSY.

702 mm (27-5/8 inch)

1шт.

For 686G Series 2

1шт.

24

317490A1

HOSE ASSY.

737 mm (29 inch)

1шт.

For 686G Series 1

1шт.

24

365004A1

HOSE ASSY.

1шт.

For 686G Series 2

1шт.

25

326704A1

HOSE ASSY.

1шт.

For 686G Series 1

1шт.

25

317462A1

HOSE ASSY.

1шт.

For 686G Series 2

1шт.

26

317446A1

HOSE ASSY.

2718 mm (107 inch)

1шт.

For 686G Series 1

1шт.

26

367775A1

HOSE ASSY.

1шт.

For 686G Series 2

1шт.

27

317485A1

HOSE ASSY.

940 mm (37 inch)

1шт.

For 686G Series 2

1шт.

28

309944A1

CLAMP

2шт.

For 686G Series 2

1шт.

29

310084A1

PLATE

1шт.

For 686G Series 2

1шт.

30

814-8045

BOLT,Hex, M8 x 1.25 x 45mm, Cl 8.8

1шт.

For 686G Series 2

1шт.

31

365709A1

HOSE ASSY.

1шт.

For 686G Series 2

1шт.

32

365710A1

HOSE ASSY.

1шт.

For 686G Series 2

1шт.

Выбрано товаров: 0