Запчасти Case 686G (8-14) - VALVE MOUNTING & FITTINGS, LIFT & CROWD CONTROL (SERIES 2 686G, 686GXR AND 688G) (08) - HYDRAULICS

Схема запчастей Case 686G - (8-14) - VALVE MOUNTING & FITTINGS, LIFT & CROWD CONTROL (SERIES 2 686G, 686GXR AND 688G) (08) - HYDRAULICS
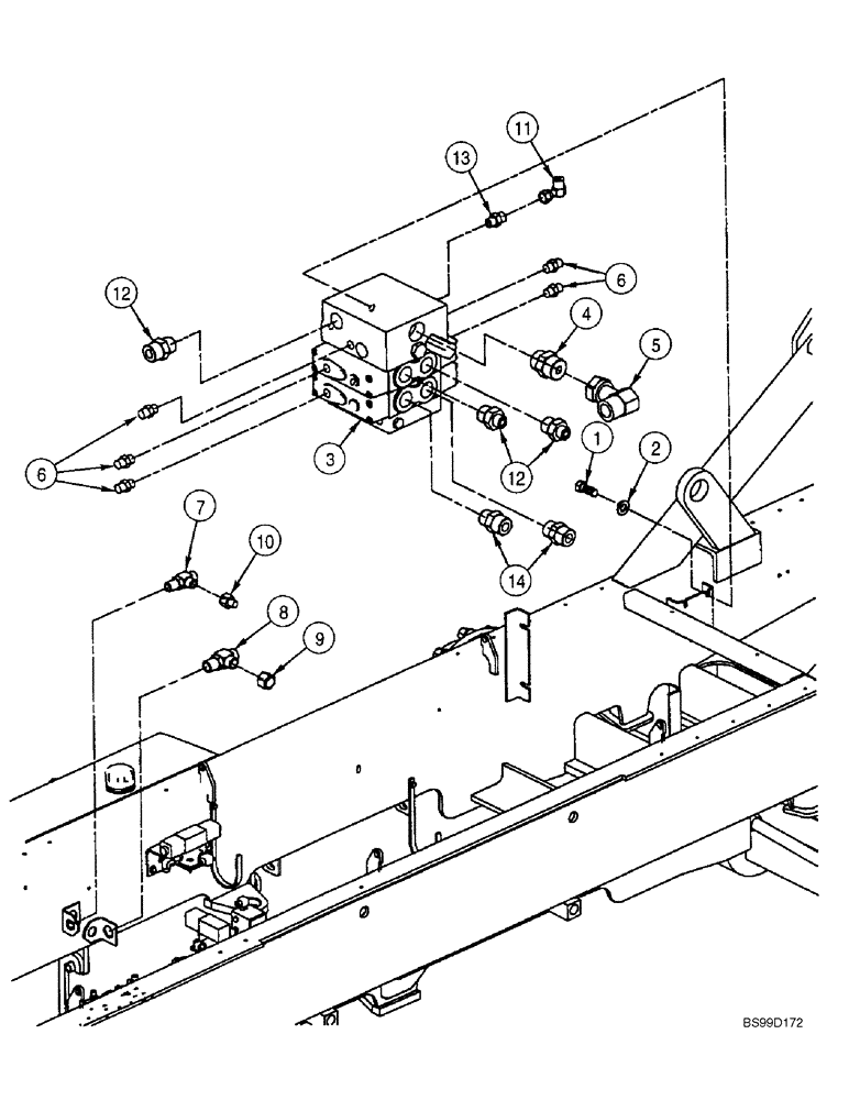
6
2
14
3
12
6
9
1
8
11
4
5
10
12
13
7
FIT
1:1
100%

Артикул

Название

Примечание

Количество

1

426-716

BOLT,Hex, 7/16" - 14 x 1", Gr 8

7/16 x 1 in

3шт.

2

318108A1

WASHER

3шт.

3

365669A1

VALVE

Hydraulic, Lift And Crowd

1шт.

Incl. 3A

1шт.

3a

317613A1

SEAL KIT

Seal

1шт.

Not Illustrated

1шт.

4

309965A1

ADAPTER

1шт.

5

318096A1

ADAPTER

1шт.

6

309970A1

ADAPTER

5шт.

7

318106A1

TEE

1шт.

8

318107A1

TEE

1шт.

9

318102A1

CAP

1шт.

10

318100A1

REDUCER

1шт.

11

309975A1

ADAPTER

1шт.

12

338028A1

ADAPTER

3шт.

13

309979A1

ADAPTER

1шт.

14

318088A1

ADAPTER

2шт.

Выбрано товаров: 0