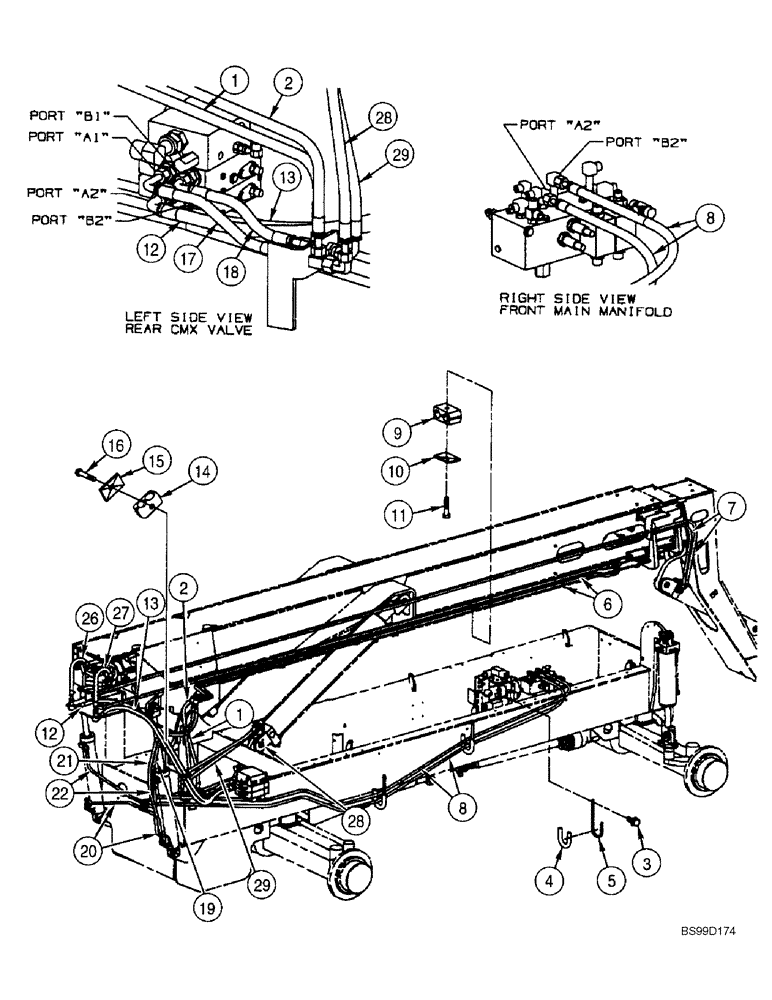
Запчасти Case 686G (8-24) - BOOM HYDRAULIC HOSES (SERIES 2 686G, 686GXR AND 688G) (08) - HYDRAULICS

Схема запчастей Case 686G - (8-24) - BOOM HYDRAULIC HOSES (SERIES 2 686G, 686GXR AND 688G) (08) - HYDRAULICS
15
12
27
6
7
29
12
29
21
10
3
2
4
19
13
1
8
18
16
5
17
26
11
8
9
22
2
20
13
28
14
28
1
FIT
1:1
100%

Артикул

Название

Примечание

Количество

1

365773A1

HOSE ASSY.

819 mm (32-1/4 in)

2шт.

2

365758A1

HOSE ASSY.

953 mm (37-1/2 in)

2шт.

3

905-8020

BOLT,Hex Flg, M8 x 20mm

M8 x 20

3шт.

4

317395A1

HOSE ASSY.

3шт.

5

365760A1

HOOK

3шт.

6

326705A1

HOSE ASSY.

2шт.

For 686G Series 2

1шт.

6

317478A1

HOSE ASSY.

3861 mm (152 in)

2шт.

For 686GXR Series 2

1шт.

6

365019A1

HOSE ASSY.

3861 mm (152 in)

2шт.

For 688G Series 2

1шт.

7

317006A1

HOSE ASSY.

927 mm (36-1/2 in)

2шт.

8

317443A1

HOSE ASSY.

3962 mm (156 in)

2шт.

For 686G Series 2 And 686GXR Series 2

1шт.

8

365020A1

HOSE ASSY.

2шт.

For 688G Series 2

1шт.

9

309944A1

CLAMP

8шт.

10

310084A1

PLATE

4шт.

11

426-522

BOLT,Hex, 5/16" - 18 x 1-3/8", Gr 8

5/16 x 1-3/8 in

4шт.

12

365762A1

HOSE ASSY.

2108 mm (83 in)

1шт.

13

365763A1

HOSE ASSY.

2083 mm (82 in)

1шт.

14

365764A1

CLAMP

4шт.

15

310076A1

PLATE

2шт.

16

426-528

BOLT,Hex, 5/16" - 18 x 1-3/4", Gr 8

4шт.

17

365765A1

HOSE ASSY.

394 mm (15-1/2 in)

1шт.

18

365766A1

HOSE ASSY.

311 mm (12-1/4 in)

1шт.

19

316986A1

HOSE ASSY.

914 mm (36 in)

1шт.

20

365767A1

HOSE ASSY.

457 mm (18 in)

2шт.

21

317502A1

HOSE ASSY.

1448 mm (57 in)

1шт.

22

317005A1

HOSE ASSY.

864 mm (34 in)

2шт.

For 686G Series 2 And 686GXR Series 2

1шт.

22

365021A1

HOSE ASSY.

864 mm (34 in)

2шт.

For 688G Series 2

1шт.

26

365768A1

HOSE ASSY.

546 mm (21-1/2 in)

1шт.

27

365769A1

HOSE ASSY.

559 mm (22 in)

1шт.

28

365770A1

HOSE ASSY.

838 mm (33 in)

1шт.

29

365771A1

HOSE ASSY.

813 mm (32 in)

1шт.

Выбрано товаров: 37