Запчасти Case 686G (8-28A) - FRAME LEVEL & FORK TILT (SERIES 2 ASN 686G JFE0000705; 686GXR JFE0001847; 688G JFE0003612) (08) - HYDRAULICS

Схема запчастей Case 686G - (8-28A) - FRAME LEVEL & FORK TILT (SERIES 2 ASN 686G JFE0000705; 686GXR JFE0001847; 688G JFE0003612) (08) - HYDRAULICS
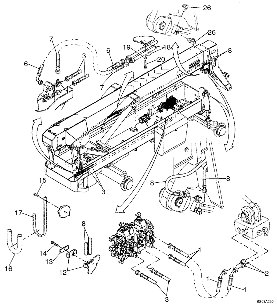
7
1
20
8
6
2
14
26
8
3
1
1
16
15
7
6
19
26
13
8
12
18
3
17
8
3
FIT
1:1
100%

Артикул

Название

Примечание

Количество

1

451791A1

HOSE ASSY.

2шт.

2

309979A1

ADAPTER

2шт.

3

87418560

HOSE ASSY.

Hose

2шт.

For Series 2 688G

1шт.

3

451792A1

HOSE ASSY.

2шт.

For Series 2 686GXR

1шт.

6

87418561

HOSE ASSY.

Hose

1шт.

For Series 2 688G

1шт.

6

451796A1

HOSE ASSY.

1шт.

For Series 2 686GXR

1шт.

7

87418562

HOSE ASSY.

Hose

1шт.

For Series 2 688G

1шт.

7

451798A1

HOSE ASSY.

1шт.

For Series 2 686GXR

1шт.

8

451799A1

HOSE ASSY.

2шт.

9

365764A1

CLAMP

2шт.

Not Illustrated

1шт.

12

309944A1

CLAMP

2шт.

13

310084A1

PLATE

1шт.

14

845-8045

BOLT,Hvy Hex, M8 x 45mm, Cl 8.8

3шт.

15

905-8020

BOLT,Hex Flg, M8 x 20mm

M8 x 20

4шт.

16

317395A1

HOSE ASSY.

Hook Cover

4шт.

17

365760A1

HOOK

4шт.

18

86989643

CLAMP

4шт.

19

86989644

COVER PLATE

2шт.

20

426-528

BOLT,Hex, 5/16" - 18 x 1-3/4", Gr 8

3шт.

26

309957A1

ADAPTER

2шт.

27

310076A1

PLATE

1шт.

Not Illustrated

1шт.

28

827-8055

BOLT,Hex, M8 x 1.25 x 55mm, Cl 10.9

1шт.

Not Illustrated

1шт.

Выбрано товаров: 31