Запчасти Case 686G (8-28B) - FRAME LEVEL & FORK TILT (SERIES 2 ASN 686G JFE0000705; 686GXR JFE0001847; 688G JFE0003612) (08) - HYDRAULICS

Схема запчастей Case 686G - (8-28B) - FRAME LEVEL & FORK TILT (SERIES 2 ASN 686G JFE0000705; 686GXR JFE0001847; 688G JFE0003612) (08) - HYDRAULICS
11
4
5
8
9
7
4
9
7
3
12
10
3
10
8
5
FIT
1:1
100%

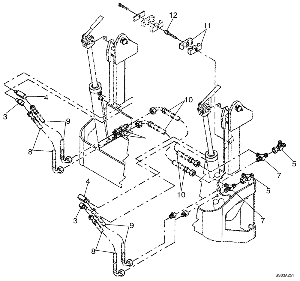
Артикул

Название

Примечание

Количество

3

309959A1

ADAPTER

2шт.

4

317895A1

ADAPTER

2шт.

5

309949A1

TEE

2шт.

6

86989642

ADAPTER

2шт.

7

365701A1

ADAPTER

2шт.

8

451794A1

HOSE ASSY.

2шт.

9

451795A1

HOSE ASSY.

2шт.

10

451793A1

HOSE ASSY.

2шт.

11

318201A1

CLAMP

2шт.

12

310079A1

BOLT

1шт.

Выбрано товаров: 10