Запчасти Case 686G (8-46) - 317029A1 PUMP ASSY (ALL 686G MODELS; BSN 686GXR JFE0001848; 688G JFE0003613) (08) - HYDRAULICS

Схема запчастей Case 686G - (8-46) - 317029A1 PUMP ASSY (ALL 686G MODELS; BSN 686GXR JFE0001848; 688G JFE0003613) (08) - HYDRAULICS
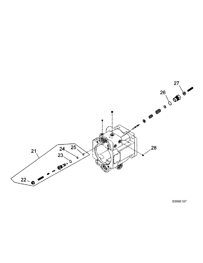
28
23
25
22
26
21
24
27
FIT
1:1
100%

Артикул

Название

Примечание

Количество

317029A1

PUMP

Hydraulic Oil

1шт.

Incl. 21 - 28

1шт.

Also Includes Parts on Figure 8-44

1шт.

21

317819A1

KIT

Cartridge Assy, Pilot Control

1шт.

Incl. 22 - 25

1шт.

22

NSS

NOT SOLD SEPARAT

Nut

1шт.

23

318042A1

O-RING

Outer

1шт.

24

317820A1

BACK-UP RING

Center

1шт.

25

317003A1

O-RING

Inner

1шт.

26

318036A1

O-RING

1шт.

27

NSS

NOT SOLD SEPARAT

Nut

1шт.

28

317821A1

ORIFICE

1шт.

317826A1

SEAL KIT

KIT - seal

1шт.

Incl. 22 - 27

1шт.

Also Includes 2 - 4, 10 - 20 On Figure 8-44

1шт.

Выбрано товаров: 15