Запчасти Case 686G (9-14) - CAB, MOUNTING AND RELATED PARTS (09) - CHASSIS/ATTACHMENTS

Схема запчастей Case 686G - (9-14) - CAB, MOUNTING AND RELATED PARTS (09) - CHASSIS/ATTACHMENTS
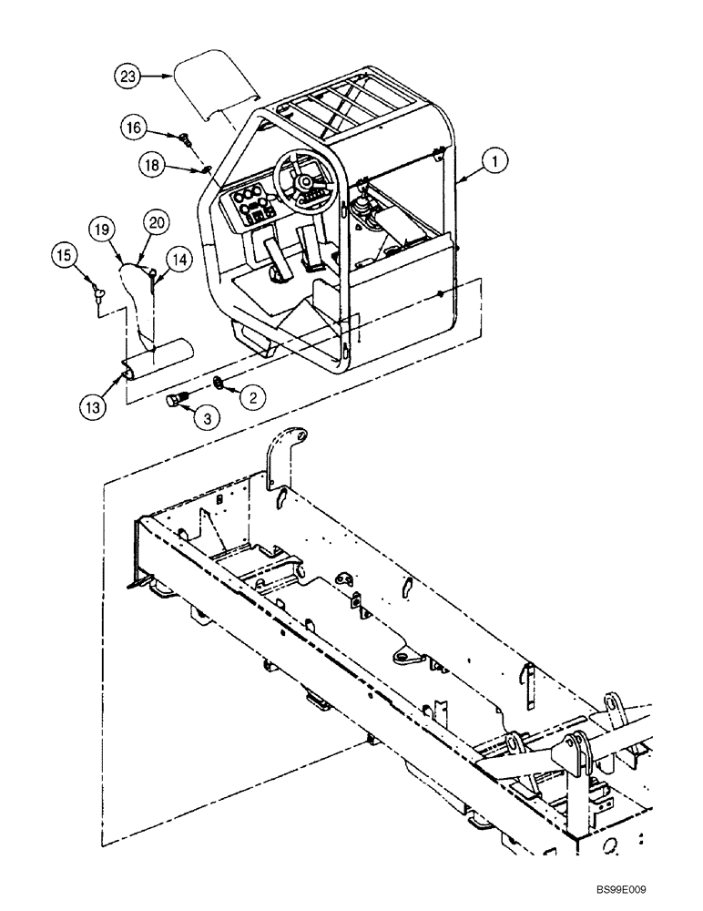
3
23
18
13
1
2
14
15
20
19
16
FIT
1:1
100%

Артикул

Название

Примечание

Количество

1

REF

INSTRUCTION

Cab Assy, Operators, Open

1шт.

686G and 686GXR

1шт.

Component Information Not Available At Time Of Printing Except For Rear Window

1шт.

See Figure 9-18, REF 9

1шт.

1

REF

INSTRUCTION

Cab Assy, Operators, Open

1шт.

Series 2 Models

1шт.

See Figures 9-16, 9-18

1шт.

1

REF

INSTRUCTION

Cab Assy, Operators, Enclosed

1шт.

686G and 686GXR

1шт.

See Figures 9-20, 9-22

1шт.

1

REF

INSTRUCTION

Cab Assy, Operators, Enclosed

1шт.

Series 2 Models

1шт.

See Figures 9-23B - 9-23H

1шт.

1a

364187A1

HARNESS

Enclosed Cab

1шт.

Not Illustrated

1шт.

2

318045A1

WASHER

4шт.

3

326-2040

BOLT,Hex, 1-1/4" - 7 x 2-1/2", Gr 8

4шт.

13

328376A1

TUBE

1шт.

14

317392A1

PIN

1шт.

15

316296A1

SCREW

Wing Type

2шт.

16

614-8016

BOLT,Hex, M8 x 1.25 x 16mm, Cl 8.8, Full Thd

4шт.

18

896-11008

WASHER,9mm ID x 17mm OD x 2mm Thk

9 x 17 x 2 mm

4шт.

19

328380A1

CABLE

Quick Release Pin

1шт.

20

328382A1

FERRULE

2шт.

23

328377A1

FENDER

Front

1шт.

If Used

1шт.

24

87402303

PADDING

Above Rear Window

1шт.

Выбрано товаров: 27