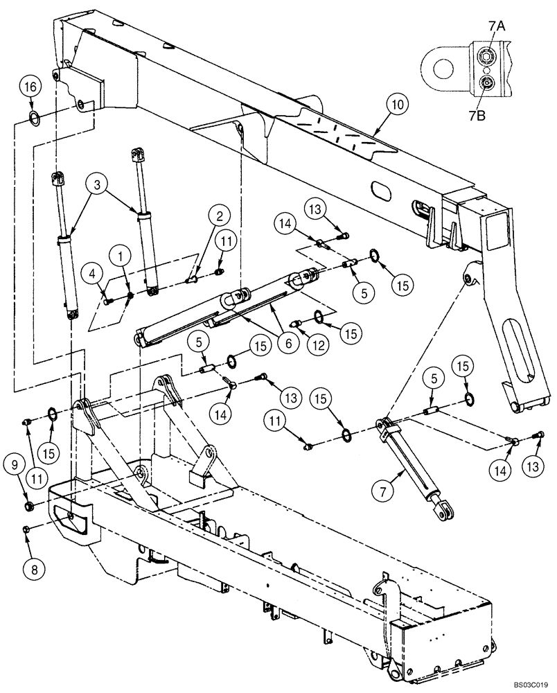
Запчасти Case 686G (9-28) - BOOM ASSEMBLY & CYLINDERS (BTW 686G JFE0000661 - JFE0000706; 686GXR JFE0001701 - JFE0001848) (09) - CHASSIS/ATTACHMENTS

Схема запчастей Case 686G - (9-28) - BOOM ASSEMBLY & CYLINDERS (BTW 686G JFE0000661 - JFE0000706; 686GXR JFE0001701 - JFE0001848) (09) - CHASSIS/ATTACHMENTS
3
5
9
11
14
15
4
15
14
2
16
7b
13
7a
11
5
15
13
8
11
15
5
12
13
7
1
15
10
6
15
14
FIT
1:1
100%

Артикул

Название

Примечание

Количество

1

316287A1

PIN

.2953 diameter

4шт.

2

389848A1

PIVOT PIN

4шт.

3

366334A1

CYLINDER

Boom Compensation

2шт.

Incl. 3A - 3D

1шт.

3a

451770A1

PLUG

1шт.

Not Illustrated

1шт.

3b

451771A1

SET SCREW

1шт.

Not Illustrated

1шт.

3c

316964A1

LOCK NUT

1шт.

Not Illustrated

1шт.

3d

317602A1

SEAL KIT

1шт.

Not Illustrated

1шт.

4

614-10020

BOLT,Hex, M10 x 1.5 x 20mm, Cl 8.8, Full Thd

4шт.

5

363765A1

PIN

8шт.

6

363139A1

CYLINDER ASSY.

Boom Lift

2шт.

Incl. 6A - 6C

1шт.

6a

366335A1

VALVE

Relief Cartridge

1шт.

Not Illustrated

1шт.

6b

366336A1

LOCK NUT

1шт.

Not Illustrated

1шт.

6c

366337A1

SEAL KIT

Seal

1шт.

Not Illustrated

1шт.

7

363693A1

CYLINDER

Fork Tilt

1шт.

Incl. 7A - 7D

1шт.

686GXR Series 2

1шт.

7a

352679A1

VALVE

Cartridge, Over Center, 3500 PSI

1шт.

7b

366362A1

VALVE

Relief, 3500 PSI

1шт.

7c

316965A1

LOCK NUT

1шт.

Not Illustrated

1шт.

7d

317607A1

SEAL KIT

Seal

1шт.

Not Illustrated

1шт.

8

316196A1

BUSHING

2шт.

9

316993A1

SPHERICAL BEARING

2шт.

10

REF

INSTRUCTION

Boom Assy, Telescopic

1шт.

See Figures 9-30 - 9-36

1шт.

11

219-1

LUBE NIPPLE,1/8" - 27 NPTF

10шт.

12

219-55

LUBE NIPPLE,90 Degree Elbow, 1/8" - 27 NPTF

2шт.

13

363682A1

SCREW

8шт.

14

310379A1

BRACKET

8шт.

15

100-1175

SNAP RING,#75, Ext

16шт.

16

363683A1

WASHER

2шт.

Выбрано товаров: 41