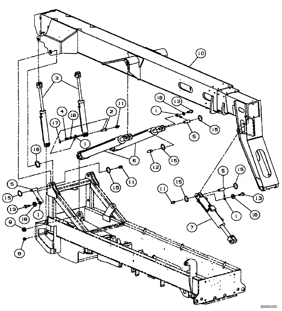
Запчасти Case 686G (9-28B) - BOOM ASSEMBLY & CYLINDERS (ASN 686G JFE0000705; 686GXR JFE0001847; 688G JFE0003612) (09) - CHASSIS/ATTACHMENTS

Схема запчастей Case 686G - (9-28B) - BOOM ASSEMBLY & CYLINDERS (ASN 686G JFE0000705; 686GXR JFE0001847; 688G JFE0003612) (09) - CHASSIS/ATTACHMENTS
15
5
15
11
18
18
1
18
18
13
15
15
1
16
5
1
11
17
11
8
15
6
12
3
10
13
4
1
13
9
5
2
15
7
FIT
1:1
100%

Артикул

Название

Примечание

Количество

1

310379A1

BRACKET

Anchor

11шт.

2

447760A1

PIVOT

Cylinder Pin

4шт.

3

87412762

CYLINDER ASSY.

Boom Compensation

2шт.

Incl. 3A

1шт.

3a

87415554

SEAL KIT

Seal

1шт.

Not Illustrated

1шт.

5

363765A1

PIN

7шт.

6

87417831

CYLINDER ASSY.

Cylinder Assy, Boom Lift

2шт.

No Component Parts Available At Time Of Printing

1шт.

7

87415744

CYLINDER ASSY.

Fork Tilt

1шт.

Incl. 7A, 7B

1шт.

7a

87415745

SEAL KIT

Seal

1шт.

7b

87416165

CARTRIDGE

Relief

1шт.

8

316196A1

BUSHING

2шт.

9

316993A1

SPHERICAL BEARING

2шт.

10

REF

INSTRUCTION

Boom Assy, Telescopic

1шт.

See Figures 9-30 - 9-36

1шт.

11

219-1

LUBE NIPPLE,1/8" - 27 NPTF

9шт.

12

219-55

LUBE NIPPLE,90 Degree Elbow, 1/8" - 27 NPTF

2шт.

13

628-12035

BOLT,Hex, M12 x 1.75 x 35mm, Cl 10.9, Full Thd

11шт.

15

100-16175

SNAP RING,#175, Ext

14шт.

16

363683A1

WASHER

2шт.

17

100-11125

SNAP RING,#125, Ext

4шт.

18

87417833

WASHER

Washer

11шт.

Выбрано товаров: 24