Запчасти Case 686G (2-18) - RADIATOR AND COOLER HOSES - NATURALLY ASPIRATED ENGINE (02) - ENGINE

Схема запчастей Case 686G - (2-18) - RADIATOR AND COOLER HOSES - NATURALLY ASPIRATED ENGINE (02) - ENGINE
1
10
22
5
12
24
18
2
17
21
24
23
25
8
7
17
15
3
26
16
11
9
21
2
4
8
7
2
24
27
24
19
2
3
23
14
13
21
20
6
5
21
FIT
1:1
100%

Артикул

Название

Примечание

Количество

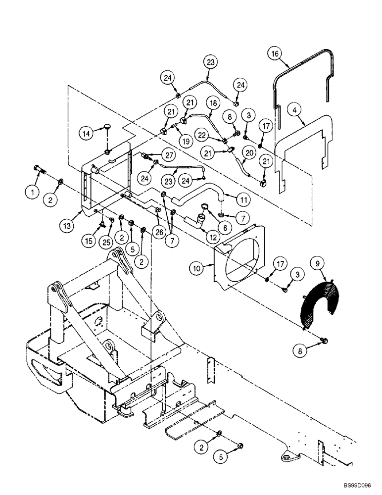
1

614-12045

BOLT,Hex, M12 x 1.75 x 45mm, Cl 8.8, Full Thd

4шт.

2

896-11012

WASHER,13.5mm ID x 24mm OD x 3mm Thk

16шт.

3

326796A1

SCREW

8шт.

4

317131A1

PLATE

1шт.

5

829-1412

NUT,M12, Cl 10.9

8шт.

6

214-1440

HOSE CLAMP,#40, 2.06" - 3", Type F Worm

2-1/16 - 3 inch dia

1шт.

7

214-1432

HOSE CLAMP,#32, 1.56" - 2.5", Type F Worm

3шт.

8

905-8016

BOLT,Hex Flg, M8 x 16mm

5шт.

9

317436A1

GUARD ASSY.

Fan

1шт.

10

317132A1

SHROUD

Radiator

1шт.

11

317101A1

HOSE

Upper

1шт.

12

317417A1

RADIATOR HOSE

Lower

1шт.

13

317416A1

RADIATOR

1шт.

14

310389A1

CAP

1шт.

15

317486A1

VALVE

1шт.

16

317135A1

SEAL

8шт.

17

895-11006

WASHER,6.6mm ID x 12mm OD x 1.6mm Thk

1шт.

18

317418A1

TUBE

Oil Cooler

1шт.

19

317442A1

HOSE

Oil Cooler, At Radiator

1шт.

20

317419A1

HOSE ASSY.

Oil Cooler

1шт.

21

214-1410

HOSE CLAMP,#10, 0.56" - 1.06", Type F Worm

4шт.

22

310410A1

CLAMP

1шт.

23

316300A1

HOSE

Radiator Overflow

2шт.

24

309137A1

HOSE CLAMP

4шт.

25

318097A1

ADAPTER

1шт.

26

318094A1

ADAPTER

1шт.

27

318484A1

ADAPTER

1шт.

Выбрано товаров: 0