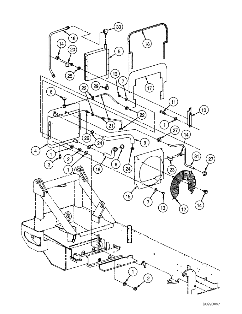
Запчасти Case 686G (2-20) - RADIATOR AND COOLER HOSES - TURBOCHARGED ENGINE (02) - ENGINE

Схема запчастей Case 686G - (2-20) - RADIATOR AND COOLER HOSES - TURBOCHARGED ENGINE (02) - ENGINE
4
11
27
25
1
16
26
3
29
13
12
1
15
22
31
2
6
24
14
8
9
14
1
20
7
17
13
19
24
21
2
18
5
10
14
23
30
27
1
7
22
FIT
1:1
100%

Артикул

Название

Примечание

Количество

1

896-11012

WASHER,13.5mm ID x 24mm OD x 3mm Thk

18шт.

2

829-1412

NUT,M12, Cl 10.9

8шт.

3

317486A1

VALVE

1шт.

4

317420A1

RADIATOR

1шт.

5

317129A1

COOLER

Transmission

1шт.

6

310389A1

CAP

1шт.

7

495-11028

WASHER,1/4", SAE

(9/32 x 5/8 x 1/16")

8шт.

8

214-1440

HOSE CLAMP,#40, 2.06" - 3", Type F Worm

2-1/16 - 3 inch dia

1шт.

9

317099A1

HOSE

Upper

1шт.

10

317001A1

BRACKET

Mounting, Oil Cooler

2шт.

11

614-12045

BOLT,Hex, M12 x 1.75 x 45mm, Cl 8.8, Full Thd

4шт.

12

317436A1

GUARD ASSY.

Fan

1шт.

13

326796A1

SCREW

8шт.

14

905-8016

BOLT,Hex Flg, M8 x 16mm

9шт.

15

317130A1

SHROUD

Fan

1шт.

16

317100A1

HOSE

Lower

1шт.

17

317131A1

PLATE

1шт.

18

317135A1

SEAL

1шт.

19

317108A1

PIPE

Oil Cooler

1шт.

20

318485A1

CLAMP

1шт.

21

316300A1

HOSE

2шт.

Radiator Overflow And Oil Cooler

1шт.

22

309137A1

HOSE CLAMP

4шт.

23

310411A1

CLAMP

1шт.

24

214-1432

HOSE CLAMP,#32, 1.56" - 2.5", Type F Worm

3шт.

25

318037A1

WASHER

1шт.

26

318484A1

ADAPTER

1шт.

27

214-1412

HOSE CLAMP,#12, 0.69" - 1.25", Type F Worm

2шт.

29

309954A1

FITTING

Cooler

1шт.

Upper Port

1шт.

30

318093A1

ELBOW

Cooler

1шт.

Lower Port

1шт.

31

317503A1

HOSE ASSY.

Oil Cooler

1шт.

31

390299A1

HOSE,19.00"

1шт.

Not Illustrated

1шт.

P.I.N. JFE0001501 - JFE0001847

1шт.

P.I.N. JFE0003501 - JFE0003612

1шт.

32

390298A1

HOSE CLAMP

CLAMP, HOSE

2шт.

Not Illustrated

1шт.

P.I.N. JFE0001501 - JFE0001847

1шт.

P.I.N. JFE0003501 - JFE0003612

1шт.

Выбрано товаров: 0